вконтакте

Контактный телефон: +7 (981) 121-46-93, +7 (800) 200-90-76 , Email: parts-katalog@yandex.ru, где купить

 
 

  Логин:

Пароль:

Регистрация

www.partskatalog.ru Все каталоги Запчасти Mercury Запчасти Suzuki Запчасти Tohatsu Запчасти Honda Контакты



УВАЖАЕМЫЕ КЛИЕНТЫ!
C 31 ОКТЯБРЯ 2025 ПО 10 НОЯБРЯ 2025 ГОДА РАБОТАТЬ НЕ БУДЕМ




Все разделы каталога запчастей на этот двигатель

назад Раздел:  

вернуться к списку узлов и деталей

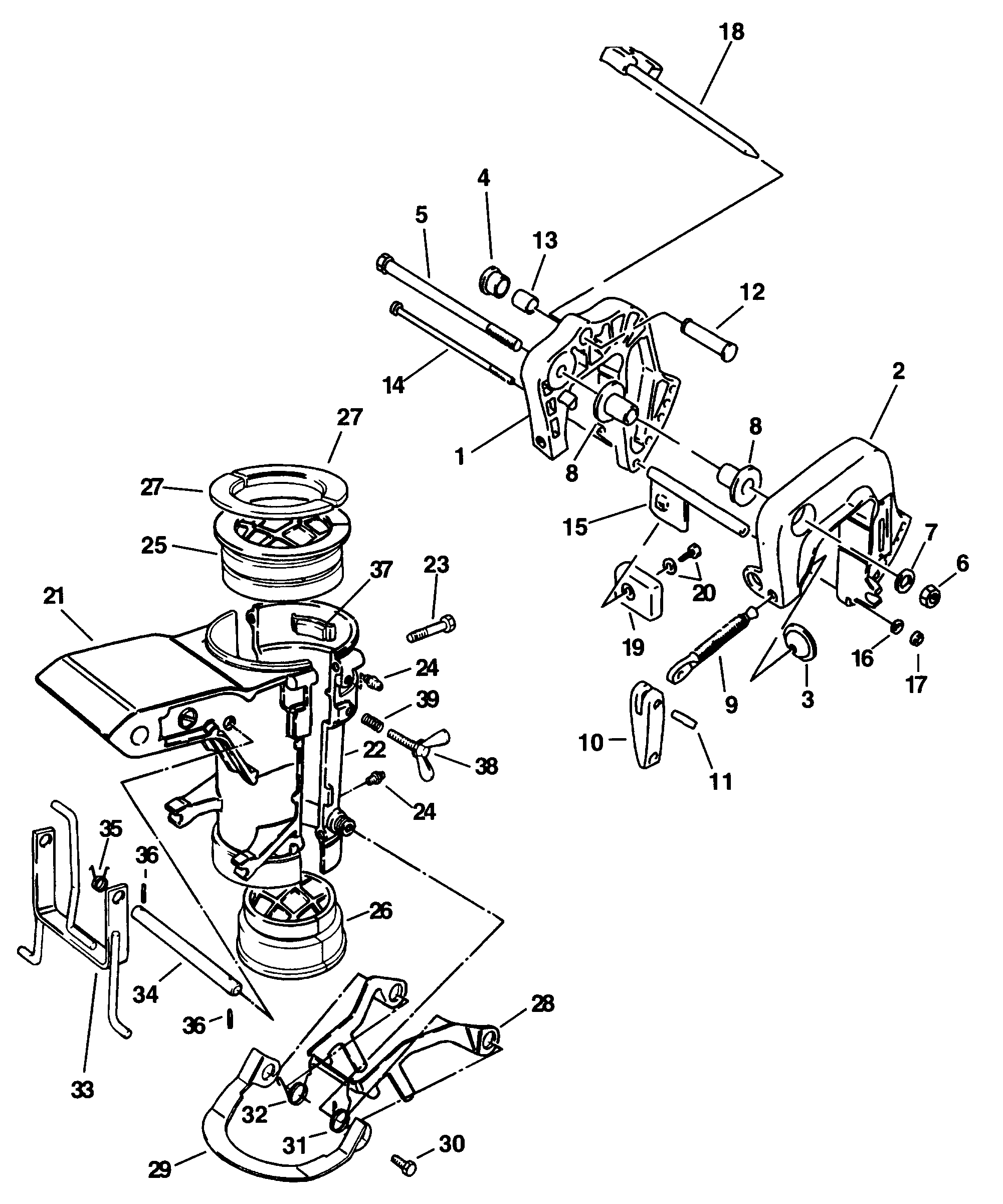
ДЕТАЛИРОВКА ДЛЯ МОДЕЛИ: EVINRUDE E5RLECS 1998

STERN & ПОВОРОТНЫЙ КРОНШТЕЙН | STERN & SWIVEL BRACKET;


Лодочный подвесной мотор Evinrude E5RLECS 1998  - ern & Поворотный кронштейн

Номер на
рисунке
АртикулНаименованиеКол-во
на складе
Цена
1 5030228

Кронштейн транца, Stbd., Jo. (STERN BRACKET, Stbd., Jo.)

нет в наличии, поставок нет
1 5032506

   (последний код) STERN BRKT-STBD

нет в наличии, поставок нет
1 5030229

Кронштейн транца, Stbd., Ev. (STERN BRACKET, Stbd., Ev.)

нет в наличии, поставок нет
1 5032506

   (последний код) STERN BRKT-STBD

нет в наличии, поставок нет
2 5030230

Кронштейн транца, Port, Jo. (STERN BRACKET, Port, Jo.)

нет в наличии, поставок нет
2 5032507

   (последний код) STERN BRKT-PORT

нет в наличии, поставок нет
2 5030231

Кронштейн транца, Port, Ev. (STERN BRACKET, Port, Ev.)

нет в наличии, поставок нет
2 5032507

   (последний код) STERN BRKT-PORT

нет в наличии, поставок нет
3 5030234

Пластина струбцины (PLATE, Clamp)

нет в наличии, поставок нет
4 5030235

Ручка наклона stop (KNOB, Tilt stop)

нет в наличии, поставок нет
5 5030027

Болт, Кронштейн транцаs (BOLT, Stern brackets)

нет в наличии, поставок нет
6 5030054

Гайка, Болт, Кронштейн транцаs (NUT, Bolt, stern brackets)

нет в наличии, поставок нет
7 5030057

Шайба, Болт, Кронштейн транцаs (WASHER, Bolt, stern brackets)

нет в наличии, поставок нет
8 5030116

Втулка, Болт, Кронштейн транцаs (BUSHING, Bolt, stern brackets)

нет в наличии, поставок нет
9 5030232

Винт зажима (SCREW, Clamp)

нет в наличии, поставок нет
9 5030233

   (последний код) HANDLE,CLAMP

нет в наличии, поставок нет
10 5030233

Струбцина румпеля (HANDLE, Clamp)

нет в наличии, поставок нет
10 5030232

   (последний код) CLAMP,HANDLE AY

нет в наличии, поставок нет
11 5030089

Штифт, Handle (PIN, Handle)

нет в наличии, поставок нет
12 5030236

Штифт, Tilt stop (PIN, Tilt stop)

нет в наличии, поставок нет
13 5030114

Втулка, Tilt stop (BUSHING, Tilt stop)

нет в наличии, поставок нет
14 5030026

Болт, Тяга, Кронштейн транца (BOLT, Rod, stern bracket)

нет в наличии, поставок нет
15 5030237

Тяга, Кронштейн транца, нижний (ROD, Stern bracket, lower)

нет в наличии, поставок нет
16 5030068

Шайба с блокировкой, Тяга (LOCK WASHER, Rod)

нет в наличии, поставок нет
16 5031853

   (последний код) WASHER,LK,6.

нет в наличии, поставок нет
17 5030051

Гайка, Тяга (NUT, Rod)

нет в наличии, поставок нет
18 5030252

TILT LOCK Штифт (TILT LOCK PIN)

нет в наличии, поставок нет
18 5034242

   (последний код) TILT PIN&SPRING AY

нет в наличии, поставок нет
19 5030265

Анод в сборе., Protection (ANODE ASSY., Protection)

нет в наличии, поставок нет
20 5030034

Болт (BOLT)

нет в наличии, поставок нет
21 5030238

Поворотный кронштейн, Jo. (SWIVEL BRACKET, Jo.)

нет в наличии, поставок нет
21 5032508

   (последний код) BRACKET,SWIVIL

нет в наличии, поставок нет
21 5030239

Поворотный кронштейн, Ev. (SWIVEL BRACKET, Ev.)

нет в наличии, поставок нет
21 5032508

   (последний код) BRACKET,SWIVIL

нет в наличии, поставок нет
22 5030240

Крышка поворотного кронштейна, Jo. (COVER, Swivel bracket, Jo.)

нет в наличии, поставок нет
22 5032509

   (последний код) COVER,SWIVEL BRKT

нет в наличии, поставок нет
22 5030241

Крышка поворотного кронштейна, Ev. (COVER, Swivel bracket, Ev.)

нет в наличии, поставок нет
22 5032509

   (последний код) COVER,SWIVEL BRKT

нет в наличии, поставок нет
23 5030042

Болт, Крышка to switvel Кронштейн (BOLT, Cover to switvel bracket)

нет в наличии, поставок нет
24 5030207

LUBRICATION FITTING (LUBRICATION FITTING)

нет в наличии, поставок нет
25 5030243

Втулка, Рулевая система, верхний (BUSHING, Steering, upper)

нет в наличии, поставок нет
25 5032496

   (последний код) BUSHING,SET-STEER

нет в наличии, поставок нет
26 5030245

Втулка, Рулевая система, нижний (BUSHING, Steering, lower)

нет в наличии, поставок нет
26 5032496

   (последний код) BUSHING,SET-STEER

нет в наличии, поставок нет
27 5030244

Пластина, верхний Втулка (PLATE, Upper bushing)

нет в наличии, поставок нет
28 5030248

Рычаг блокировки реверса, Jo. (ARM, Reverse lock, Jo.)

нет в наличии, поставок нет
28 5030249

Рычаг блокировки реверса, Ev. (ARM, Reverse lock, Ev.)

нет в наличии, поставок нет
29 5030250

Пластина блокировки реверса, Jo. (PLATE, Reverse lock, Jo.)

нет в наличии, поставок нет
29 5030251

   (последний код) PLATE,REVERSE LOCK

нет в наличии, поставок нет
29 5030251

Пластина блокировки реверса, Ev. (PLATE, Reverse lock, Ev.)

нет в наличии, поставок нет
29 5030250

   (последний код) PLATE,REVERSE L

нет в наличии, поставок нет
30 5030036

Болт блокировки реверса (BOLT, Reverse lock)

нет в наличии, поставок нет
31 5030246

Пружина блокировки задней передачи, stbd. (SPRING, Reverse lock, stbd.)

нет в наличии, поставок нет
32 5030247

Пружина блокировки задней передачи, port (SPRING, Reverse lock, port)

нет в наличии, поставок нет
33 5030255

SHALLOW WATER DRIVE в сборе. (SHALLOW WATER DRIVE ASSY.)

нет в наличии, поставок нет
34 5030083

Вал, Shallow water drive (SHAFT, Shallow water drive)

нет в наличии, поставок нет
35 5030256

Пружина (SPRING)

нет в наличии, поставок нет
36 5030086

Штифт (PIN)

нет в наличии, поставок нет
36 5031722

   (последний код) COTTR PIN70HP

нет в наличии, поставок нет
37 5030242

WEDGE, Рулевая система friction (WEDGE, Steering friction)

нет в наличии, поставок нет
38 5030047

Болт, Wedge, friction (BOLT, Wedge, friction)

нет в наличии, поставок нет
39 5030140

Пружина, Фрикционный болт (SPRING, Bolt, friction)

нет в наличии, поставок нет
evinrude

Время выполнения запроса 3.5765779018402 сек.


 
 

данный сайт носит информационный характер и не является публичной офертой

склад запчастей для водомоторной техники