вконтакте

Контактный телефон: +7 (981) 121-46-93, +7 (800) 200-90-76 , Email: parts-katalog@yandex.ru, где купить

 
 

  Логин:

Пароль:

Регистрация

www.partskatalog.ru Все каталоги Запчасти Mercury Запчасти Suzuki Запчасти Tohatsu Запчасти Honda Контакты



УВАЖАЕМЫЕ КЛИЕНТЫ!
C 31 ОКТЯБРЯ 2025 ПО 10 НОЯБРЯ 2025 ГОДА РАБОТАТЬ НЕ БУДЕМ




Все разделы каталога запчастей на этот двигатель

назад Раздел:   вперёд

вернуться к списку узлов и деталей

ДЕТАЛИРОВКА ДЛЯ МОДЕЛИ: EVINRUDE BE15FRELUA 1997

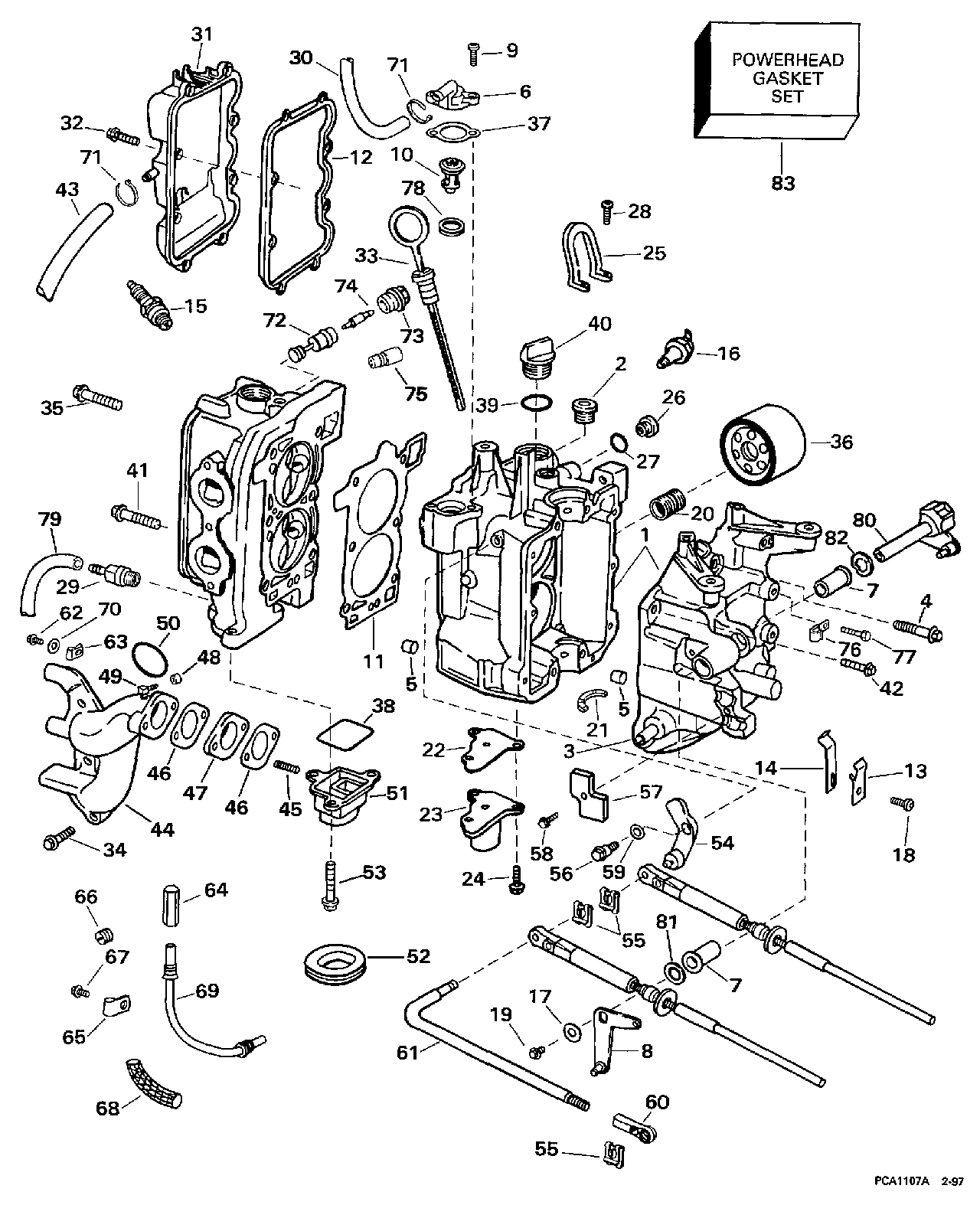
ЦИЛИНДР & КАРТЕР ДВИГАТЕЛЯ | CYLINDER & CRANKCASE;


Двигатель Evinrude BE15FRELUA 1997  - linder & Crankcase / linder & Картер двигателя

Номер на
рисунке
АртикулНаименованиеКол-во
на складе
Цена
1 0436058

Цилиндр & Картер двигателя в сборе. (CYLINDER & CRANKCASE ASSY.)

нет в наличии, поставок нет
2 0340464

Заглушка, Oil (PLUG, Oil)

нет в наличии, поставок нет
3 0332406

Штифт, Roll (PIN, Roll)

нет в наличии, поставок нет
4 0337243

Винт, Цилиндр to Картер двигателя (SCREW, Cylinder to crankcase)

нет в наличии, поставок нет
5 0337228

Шпонка (PIN, Dowel)

нет в наличии, поставок нет
6 0337207

Крышка термостата (COVER, Thermostat)

нет в наличии, поставок нет
7 0332434

Втулка, Переключающий вал (BUSHING, Shift shaft)

нет в наличии, поставок нет
8 0434875

Вал & Рычаг переключателя (SHAFT & LEVER, Shift)

нет в наличии, поставок нет
9 0338161

Винт, Крышка термостата (SCREW, Cover, thermostat)

нет в наличии, поставок нет
10 0434841

Термостат в сборе. (THERMOSTAT ASSY.)

нет в наличии, поставок нет
10 5005440

   (последний код) THERMOSTAT AY

нет в наличии, поставок нет
11 0337191

Прокладка головки блока цилиндра (GASKET, Cylinder head)

нет в наличии, поставок нет
12 0337192

Сальник, Крышка (SEAL, Cover)

нет в наличии, поставок нет
13 0340170

SPРезервное кольцо, Сдвижной переключатель (SPRING, Backup, shift detent)

нет в наличии, поставок нет
14 0330913

Пружина переключателя detent (SPRING, Shift detent)

нет в наличии, поставок нет
14 0329246

   (последний код) SPRING

нет в наличии, поставок нет
15 0584918

Свеча зажигания, Champion RA8HC (SPARK PLUG, Champion RA8HC)

нет в наличии, поставок нет
16 0445037

OIL Переключатель (OIL SWITCH)

нет в наличии, поставок нет
17 0328703

Шайба, Винт, Рычаг переключения (WASHER, Screw, shift lever)

нет в наличии, поставок нет
17 3852184

   (последний код) WASHER

нет в наличии, поставок нет
18 0343012

Винт, Фиксатор пружины (SCREW, Detent spring)

нет в наличии, поставок нет
19 0343420

Винт, Рычаг переключения to Переключающий вал (SCREW, Shift lever to shift shaft)

нет в наличии, поставок нет
20 0338326

ADAPTER, Масляный фильтр (ADAPTER, Oil filter)

нет в наличии, поставок нет
21 0338315

Подшипник, Thrust, Коленвал (BEARING, Thrust, crankshaft)

нет в наличии, поставок нет
22 0338906

Прокладка, Oil pressure Регулятор to cyl. block (GASKET, Oil pressure regulator to cyl. block)

нет в наличии, поставок нет
23 0435690

Корпус AY., Oil pressure Регулятор (HOUSING AY., Oil pressure regulator)

нет в наличии, поставок нет
24 0338161

Винт, Корпус to block (SCREW, Housing to block)

нет в наличии, поставок нет
25 0337435

LIFT Кронштейн (LIFT BRACKET)

нет в наличии, поставок нет
26 0307551

Винт, Заглушка отверстия промывки двигателя водой (SCREW, Flushing plug)

нет в наличии, поставок нет
26 0982851

   (последний код) SCREW-PLUG

нет в наличии, поставок нет
27 0311598

Шайба (WASHER)

нет в наличии, поставок нет
27 3852105

   (последний код) WASHER

нет в наличии, поставок нет
28 0337244

Винт, Lift Кронштейн (SCREW, Lift bracket)

нет в наличии, поставок нет
29 0326712

Ниппель, Cyl. head, overboard Индикатор (NIPPLE, Cyl. head, overboard indicator)

нет в наличии, поставок нет
29 0326912

   (последний код) NIPPLE

нет в наличии, поставок нет
30 0339505

Шланг, Термостат to Выхлоп hsg. (HOSE, Thermostat to exhaust hsg.)

нет в наличии, поставок нет
31 0438614

Крышка в сборе, Головка блока цилиндра (COVER ASSY., Cylinder head)

нет в наличии, поставок нет
31 0438262

   (последний код) COVER AY,CYL HEAD

нет в наличии, поставок нет
32 0337147

Винт, Крышка головки цилиндра (SCREW, Cylinder head cover)

нет в наличии, поставок нет
33 0434835

DIPSTICK, Oil (DIPSTICK, Oil)

нет в наличии, поставок нет
34 0337392

Винт, Система впуска to Головка блока цилиндра (SCREW, Intake to cylinder head)

нет в наличии, поставок нет
35 0343267

Винт, Головка блока цилиндра, port (SCREW, Cylinder head, port)

нет в наличии, поставок нет
35 0338164

   (последний код) SCREW,M8X1.2

нет в наличии, поставок нет
36 0434839

Масляный фильтр (OIL FILTER)

7 шт1120 руб.
37 0337194

Прокладка крышки термостата (GASKET, Thermostat cover)

нет в наличии, поставок нет
38 0339274

Сальник, Adapter to Головка блока цилиндра (SEAL, Adapter to cylinder head)

нет в наличии, поставок нет
39 0911718

Уплотнительное кольцо, Oil fill Заглушка (O-RING, Oil fill plug)

нет в наличии, поставок нет
40 0337208

Заглушка, Oil fill (PLUG, Oil fill)

нет в наличии, поставок нет
41 0343268

Винт, Головка блока цилиндра, stbd. (SCREW, Cylinder head, stbd.)

нет в наличии, поставок нет
41 0338165

   (последний код) SCREW,M8X1.2

нет в наличии, поставок нет
42 0337392

Винт, Картер двигателя to block (SCREW, Crankcase to block)

нет в наличии, поставок нет
43 0

Шланг, Cyl. head Крышка to air horn, 15 1 / 2 in (394 мм) сокращёная длина from 310828 (HOSE, Cyl. head cover to air horn, 15 1/2 in (394mm). Cut to Length from 310828)

нет в наличии, поставок нет
44 0437991

Впускной коллектор (INTAKE MANIFOLD)

нет в наличии, поставок нет
44 0434832

   (последний код) INTAKE MANIFOLD 4S

нет в наличии, поставок нет
45 0337418

Шпилька (STUD)

нет в наличии, поставок нет
46 0318932

Прокладка, Изолятор / Карбюратор (GASKET, Insulator/carburetor)

нет в наличии, поставок нет
46 0342982

Прокладка, Изолятор / Карбюратор. "B" Model Prefix Only (GASKET, Insulator/carburetor. "B" Model Prefix Only)

нет в наличии, поставок нет
47 0342899

Изолятор, Система впуска to Карбюратор (INSULATOR, Intake to carburetor)

нет в наличии, поставок нет
48 0327227

Колпачок, Ниппель (CAP, Nipple)

нет в наличии, поставок нет
49 0338073

Ниппель (NIPPLE)

нет в наличии, поставок нет
49 0334887

   (последний код) NIPPLE

нет в наличии, поставок нет
50 0338682

Уплотнительное кольцо, Впускной коллектор (O-RING, Intake manifold)

нет в наличии, поставок нет
51 0339313

ADAPTER, Выхлоп hsg. to cyl. head (ADAPTER, Exhaust hsg. to cyl. head)

нет в наличии, поставок нет
51 0349828

   (последний код) ADAPTOR & GASKET

нет в наличии, поставок нет
52 0339397

Пыльник, Adapter (GROMMET, Adapter)

нет в наличии, поставок нет
53 0337244

Винт, Adapter to Головка блока цилиндра (SCREW, Adapter to cylinder head)

нет в наличии, поставок нет
54 0337458

Кулачок дросселя (THROTTLE CAM)

нет в наличии, поставок нет
55 0338630

Зажим, Пружина. Дистанционное управление Models (CLIP, Spring. Remote Control Models)

нет в наличии, поставок нет
56 0329332

Винт, Cam (SCREW, Cam)

нет в наличии, поставок нет
57 0338328

Фиксатор, Remote Кабелиs to trunnion. Дистанционное управление Models (RETAINER, Remote cables to trunnion. Remote Control Models)

нет в наличии, поставок нет
58 0337147

Винт, Фиксатор. Дистанционное управление Models (SCREW, Retainer. Remote Control Models)

нет в наличии, поставок нет
59 0328703

Шайба, Винт, cam (WASHER, Screw, cam)

нет в наличии, поставок нет
59 3852184

   (последний код) WASHER

нет в наличии, поставок нет
60 0334119

Коннектор, Соединитель to Рычаг переключения. Дистанционное управление Models (CONNECTOR, Link to shift lever. Remote Control Models)

нет в наличии, поставок нет
61 0337427

Переключающая тяга Рычаг to Кабели. Дистанционное управление Models (LINK, Shift lever to cable. Remote Control Models)

нет в наличии, поставок нет
62 0342869

Винт зажима to Коллектор. Шнур & TE Models (SCREW, Clamp to manifold. Rope & TE Models)

нет в наличии, поставок нет
62 0345922

   (последний код) SCREW, M6X1X12

нет в наличии, поставок нет
63 0330157

Струбцина, Choke Кабели to Коллектор. Шнур & TE Models (CLAMP, Choke cable to manifold. Rope & TE Models)

нет в наличии, поставок нет
63 0323373

   (последний код) CLAMP-RETAIN

нет в наличии, поставок нет
64 0341196

Колпачок, Выхлоп probe. "B" Model Prefix Only (CAP, Exhaust probe. "B" Model Prefix Only)

нет в наличии, поставок нет
65 0907852

Струбцина, Probe to Впускной коллектор. "B" Model Prefix Only (CLAMP, Probe to intake manifold. "B" Model Prefix Only)

нет в наличии, поставок нет
65 3852427

   (последний код) CLAMP

нет в наличии, поставок нет
66 0341193

Заглушка, Головка блока цилиндра, Выхлоп probe (PLUG, Cylinder head, exhaust probe)

нет в наличии, поставок нет
67 0338562

Винт зажима, probe. "B" Model Prefix Only (SCREW, Clamp, probe. "B" Model Prefix Only)

нет в наличии, поставок нет
68 0341382

Гильза, Выхлоп probe. "B" Model Prefix Only (SLEEVE, Exhaust probe. "B" Model Prefix Only)

нет в наличии, поставок нет
69 0437084

Трубка в сборе., Выхлоп probe. "B" Model Prefix Only (TUBE ASSY., Exhaust probe. "B" Model Prefix Only)

нет в наличии, поставок нет
70 0329241

Шайба, Винт зажима. Шнур & TE Models (WASHER, Screw, clamp. Rope & TE Models)

нет в наличии, поставок нет
70 3852193

   (последний код) WASHER

нет в наличии, поставок нет
71 0320107

Крепёжный хомут (TIE STRAP)

нет в наличии, поставок нет
71 5035626

   (последний код) BAND,REM CON

нет в наличии, поставок нет
72 0585184

температура Переключатель. Дистанционное управление Models (TEMPERATURE SWITCH. Remote Control Models)

нет в наличии, поставок нет
72 0586094

   (последний код) SWITCH AY,TEMP

нет в наличии, поставок нет
73 0329562

Крышка, температура Переключатель. Дистанционное управление Models (COVER, Temperature switch. Remote Control Models)

нет в наличии, поставок нет
74 0511469

Клемма, Штифт (TERMINAL, Pin)

нет в наличии, поставок нет
74 3852229

   (последний код) TERMINAL,PIN

нет в наличии, поставок нет
75 0513357

Коннектор (CONNECTOR)

нет в наличии, поставок нет
75 3854845

   (последний код) CONNECTOR 513357

нет в наличии, поставок нет
76 0330151

Струбцина кабеля дросселя. Шнур & TE Models (CLAMP, Throttle cable. Rope & TE Models)

нет в наличии, поставок нет
76 3852199

   (последний код) CLAMP,"J"

нет в наличии, поставок нет
77 0338161

Винт зажима. Шнур & TE Models (SCREW, Clamp. Rope & TE Models)

нет в наличии, поставок нет
78 0310058

Сальник термостата (SEAL, Thermostat)

нет в наличии, поставок нет
79 0341722

Шланг, Overboard Индикатор (HOSE, Overboard indicator)

нет в наличии, поставок нет
80 0437802

Вал в сборе., Переключатель (SHAFT ASSY., Shift)

нет в наличии, поставок нет
80 0436019

   (последний код) SHAFT-AY,SHI

нет в наличии, поставок нет
81 0303913

Шайба вала переключения (WASHER, Shift shaft)

нет в наличии, поставок нет
82 0553766

Пружина Шайба вала переключения (SPRING WASHER, Shift shaft)

нет в наличии, поставок нет
82 0123886

   (последний код) SPRING-WASHE

нет в наличии, поставок нет
83 0439139

POWERHEAD Комплект прокладок (POWERHEAD GASKET SET)

нет в наличии, поставок нет
evinrude

Время выполнения запроса 1.1582410335541 сек.


 
 

данный сайт носит информационный характер и не является публичной офертой

склад запчастей для водомоторной техники