вконтакте

Контактный телефон: +7 (981) 121-46-93, +7 (800) 200-90-76 , Email: parts-katalog@yandex.ru, где купить

 
 

  Логин:

Пароль:

Регистрация

www.partskatalog.ru Все каталоги Запчасти Mercury Запчасти Suzuki Запчасти Tohatsu Запчасти Honda Контакты



УВАЖАЕМЫЕ КЛИЕНТЫ!
C 19 ДЕКАБРЯ 2025 ПО 02 МАРТА 2026 ГОДА ОТДЕЛ ЗАПЧАСТЕЙ И СЕРВИС РАБОТАТЬ НЕ БУДУТ
ПРОДАЖА ЛОДОЧНЫХ МОТОРОВ В ШТАТНОМ РЕЖИМЕ
ОБ ИЗМЕНЕНИЯХ В ГРАФИКЕ РАБОТЫ ЧИТАЙТЕ НА САЙТА




Все разделы каталога запчастей на этот двигатель

назад Раздел:   вперёд

вернуться к списку узлов и деталей

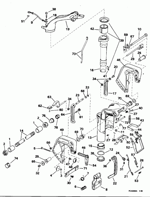
ДЕТАЛИРОВКА ДЛЯ МОДЕЛИ: EVINRUDE BE25KLEDC 1996

ТОПЛИВНАЯ СИСТЕМА | FUEL SYSTEM;


Подвесной лодочный мотор EVINRUDE BE25KLEDC 1996  - el System / el System

Номер на
рисунке
АртикулНаименованиеКол-во
на складе
Цена
1 0436537

Ремонтный комплект, Mixing unit (REPAIR KIT, Mixing unit)

нет в наличии, поставок нет
1 5004471

   (последний код) KIT AY,REPAIR

нет в наличии, поставок нет
2 0324865

PULSE Шланг, Stbd. Помпа (PULSE HOSE, Stbd. pump)

нет в наличии, поставок нет
3 0315942

Пружина, Stbd. pulse Шланг (SPRING, Stbd. pulse hose)

нет в наличии, поставок нет
4 0324866

PULSE Шланг, Port Помпа (PULSE HOSE, Port pump)

нет в наличии, поставок нет
4 0333383

   (последний код) HOSE

нет в наличии, поставок нет
5 0398327

Топливный фильтр в сборе. (FUEL FILTER ASSY.)

нет в наличии, поставок нет
5 3852224

   (последний код) FILTER AY,FUEL

нет в наличии, поставок нет
6 0339367

Шланг, Коллектор to Карбюратор (HOSE, Manifold to carburetor)

нет в наличии, поставок нет
7 0339278

Струбцина (CLAMP)

нет в наличии, поставок нет
8 0

Шланг в сборе., Tank to mixer, 2 дюйм (50 мм) (HOSE ASSY., Tank to mixer, 2 in. (50mm))

нет в наличии, поставок нет
9 0320107

Крепёжный хомут (TIE STRAP)

нет в наличии, поставок нет
9 5035626

   (последний код) BAND,REM CON

нет в наличии, поставок нет
10 0436032

FUEL Коллектор в сборе. (FUEL MANIFOLD ASSY.)

нет в наличии, поставок нет
11 0

Шланг, Mixing unit to Коллектор, 16 1 / 2 дюйм (419 мм) Шнур, AC, TEL Models (HOSE, Mixing unit to manifold, 16 1/2 in. (419mm). Rope, AC, TEL Models)

нет в наличии, поставок нет
11 0

Шланг, Mixing unit to tee, 16 1 / 2 дюйм (419 мм) Remote Models TNT Models (HOSE, Mixing unit to tee, 16 1/2 in. (419mm). Remote Models TNT Models)

нет в наличии, поставок нет
12 0

Топливный шланг tee to Коллектор, 1 1 / 2 дюйм (38 мм) Remote Models TNT Models (HOSE, Fuel tee to manifold, 1 1/2 in. (38mm). Remote Models TNT Models)

нет в наличии, поставок нет
13 0341203

Шланг, Tee to primer solenoid. Remote Models TNT Models (HOSE, Tee to primer solenoid. Remote Models TNT Models)

нет в наличии, поставок нет
14 0338896

TEE, Топливный шланг. Remote Models TNT Models (TEE, Fuel hose. Remote Models TNT Models)

нет в наличии, поставок нет
15 0433388

Топливный насос, Port (FUEL PUMP, Port)

нет в наличии, поставок нет
15 0438557

   (последний код) PUMP AY,FUEL

нет в наличии, поставок нет
16 0433390

Топливный насос, Stbd. (FUEL PUMP, Stbd.)

нет в наличии, поставок нет
16 0438559

   (последний код) FUEL PUMP AY

нет в наличии, поставок нет
17 0335233

Ниппель, Fuel выход (NIPPLE, Fuel outlet)

нет в наличии, поставок нет
17 0343576

   (последний код) NIPPLE

нет в наличии, поставок нет
18 0332437

Уплотнительное кольцо, выход Ниппель (O-RING, Outlet nipple)

нет в наличии, поставок нет
19 0335335

Колпачок, Fuel вход (CAP, Fuel inlet)

нет в наличии, поставок нет
20 0330061

Винт, Колпачок (SCREW, Cap)

нет в наличии, поставок нет
20 0312677

   (последний код) SCREW

нет в наличии, поставок нет
21 0319528

Уплотнительное кольцо, Колпачок to Помпа (O-RING, Cap to pump)

нет в наличии, поставок нет
22 0312675

SCREEN (SCREEN)

нет в наличии, поставок нет
23 0324660

Уплотнительное кольцо (O-RING)

нет в наличии, поставок нет
24 0332678

Диафрагма (DIAPHRAGM)

нет в наличии, поставок нет
24 0328780

   (последний код) DIAPHRAGM

нет в наличии, поставок нет
25 0317893

Струбцина Хомут (CLAMP STRAP)

нет в наличии, поставок нет
25 3852149

   (последний код) TIE-STRAP

нет в наличии, поставок нет
26 0333635

Топливный шланг conn. to port Помпа (HOSE, Fuel conn. to port pump)

нет в наличии, поставок нет
27 0334131

Шланг, Port to stbd. Помпа (HOSE, Port to stbd. pump)

нет в наличии, поставок нет
0438052 0438052

MIXING UNIT. Not shown (MIXING UNIT. Not shown)

нет в наличии, поставок нет
0438052 5004724

   (последний код) MIXING UNIT AY,

нет в наличии, поставок нет
28 0340199

Крышка, Oil Mixer (COVER, Oil Mixer)

нет в наличии, поставок нет
29 0125203

Уплотнительное кольцо, Fuel & oil Ниппель (O-RING, Fuel & oil nipple)

нет в наличии, поставок нет
30 0125212

Винт, Фиксатор to Корпус (SCREW, Retainer to housing)

нет в наличии, поставок нет
31 0340200

FITTING, 90o (FITTING, 90o)

нет в наличии, поставок нет
32 0340185

INTERMEDIATE Корпус (INTERMEDIATE HOUSING)

нет в наличии, поставок нет
33 0340190

Уплотнительное кольцо, Oil Поршень insert (O-RING, Oil piston insert)

нет в наличии, поставок нет
34 0340427

Уплотнительное кольцо, Oil вход Корпус (O-RING, Oil inlet housing)

нет в наличии, поставок нет
35 0341037

Кронштейн, Mixing unit (BRACKET, Mixing unit)

нет в наличии, поставок нет
36 0309907

Шайба, Корпус Винт (WASHER, Housing screw)

нет в наличии, поставок нет
37 0124549

Винт, Корпус (SCREW, Housing)

нет в наличии, поставок нет
38 0436613

Корпус в сборе., Oil вход (HOUSING ASSY., Oil inlet)

нет в наличии, поставок нет
38 5004724

   (последний код) MIXING UNIT AY,

нет в наличии, поставок нет
39 0340425

Корпус масляного насоса (COVER, Oil pump)

нет в наличии, поставок нет
40 0125212

Винт, Крышка (SCREW, Cover)

нет в наличии, поставок нет
41 0340827

Уплотнительное кольцо, Oil выход Клапан (O-RING, Oil outlet valve)

нет в наличии, поставок нет
42 0436708

Клапан в сборе., Oil выход (VALVE ASSY., Oil outlet)

нет в наличии, поставок нет
42 5004698

   (последний код) CHECK VALVE AY

нет в наличии, поставок нет
43 0436711

Фильтр, Oil (FILTER, Oil)

нет в наличии, поставок нет
44 0340200

FITTING, Fuel вход (FITTING, Fuel inlet)

нет в наличии, поставок нет
45 0340421

FITTING, Oil вход (FITTING, Oil inlet)

нет в наличии, поставок нет
46 0124789

Клапан, Oil вход (VALVE, Oil inlet)

нет в наличии, поставок нет
47 0125203

Уплотнительное кольцо, Fitting (O-RING, Fitting)

нет в наличии, поставок нет
48 0314491

Уплотнительное кольцо, Крышка to Корпус (O-RING, Cover to housing)

нет в наличии, поставок нет
49 0438054

Поршень & Диафрагма в сборе. (PISTON & DIAPHRAGM ASSY.)

нет в наличии, поставок нет
50 0340686

Сальник Поршень (SEAL, Oil piston)

нет в наличии, поставок нет
51 0340188

Фиксатор, Fitting (RETAINER, Fitting)

нет в наличии, поставок нет
52 0340201

Фиксатор, Fitting (RETAINER, Fitting)

нет в наличии, поставок нет
53 0124996

Пружина, Poppet (SPRING, Poppet)

нет в наличии, поставок нет
54 0125156

Пружина двигателя (SPRING, Motor)

нет в наличии, поставок нет
55 0342389

Винт, Топливный насос Креплениеing, M5 (SCREW, Fuel pump mounting, M5)

нет в наличии, поставок нет
55 0341089

   (последний код) SCREW,M5X0.8X40

нет в наличии, поставок нет
56 0333395

Шланг, Stbd. Помпа to Фильтр (HOSE, Stbd. pump to filter)

нет в наличии, поставок нет
56 0320572

   (последний код) HOSE-FUEL-PU

нет в наличии, поставок нет
57 0332845

Шланг, Фильтр to mixer (HOSE, Filter to mixer)

нет в наличии, поставок нет
57 0319739

   (последний код) HOSE

нет в наличии, поставок нет
evinrude

Время выполнения запроса 3.5524690151215 сек.


 
 

данный сайт носит информационный характер и не является публичной офертой

склад запчастей для водомоторной техники