вконтакте

Контактный телефон: +7 (981) 121-46-93, +7 (800) 200-90-76 , Email: parts-katalog@yandex.ru, где купить

 
 

  Логин:

Пароль:

Регистрация

www.partskatalog.ru Все каталоги Запчасти Mercury Запчасти Suzuki Запчасти Tohatsu Запчасти Honda Контакты



УВАЖАЕМЫЕ КЛИЕНТЫ!
C 31 ОКТЯБРЯ 2025 ПО 10 НОЯБРЯ 2025 ГОДА РАБОТАТЬ НЕ БУДЕМ




Все разделы каталога запчастей на этот двигатель

назад Раздел:   вперёд

вернуться к списку узлов и деталей

ДЕТАЛИРОВКА ДЛЯ МОДЕЛИ: EVINRUDE E300PLEOR 1995

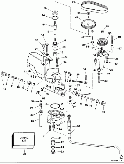
POWER РУЛЕВАЯ СИСТЕМА ПОМПА ASSEMBLY | POWER STEERING PUMP ASSEMBLY;


Мотор EVINRUDE E300PLEOR 1995  - wer Рулевая система Помпа Assembly / wer Steering Pump Assembly

Номер на
рисунке
АртикулНаименованиеКол-во
на складе
Цена
0435024 0435024

Помпа ASSEMBLY. Not Shown (PUMP ASSEMBLY. Not Shown)

нет в наличии, поставок нет
0435024 0986724

   (последний код) PWR-STEER-PU

нет в наличии, поставок нет
1 0123018

Винт (SCREW)

нет в наличии, поставок нет
2 0301967

Уплотнительное кольцо (O-RING)

нет в наличии, поставок нет
3 0912590

Уплотнительное кольцо (O-RING)

нет в наличии, поставок нет
4 0310585

Уплотнительное кольцо корпуса, relief Клапан (O-RING, Housing, relief valve)

нет в наличии, поставок нет
5 0318626

Шарик (BALL)

нет в наличии, поставок нет
5 0319211

   (последний код) ROLLER-DETENT

нет в наличии, поставок нет
6 0391849

Подшипник (BEARING)

нет в наличии, поставок нет
7 0123018

Винт (SCREW)

нет в наличии, поставок нет
8 0122678

Уплотнительное кольцо, Седло, relief Клапан (O-RING, Seat, relief valve)

нет в наличии, поставок нет
9 0912048

Сальник, Вал (SEAL, Shaft)

нет в наличии, поставок нет
10 0912049

Стопорное кольцо (RETAINING RING)

нет в наличии, поставок нет
11 0912050

Пружина, Sump relief (SPRING, Sump relief)

нет в наличии, поставок нет
13 0913196

Подшипник (BEARING)

нет в наличии, поставок нет
14 0912323

Стопорное кольцо (RETAINING RING)

нет в наличии, поставок нет
15 0912043

Направляющая, Шарик (GUIDE, Ball)

нет в наличии, поставок нет
16 0912044

Пружина давления relief (SPRING, Pressure relief)

нет в наличии, поставок нет
17 0912045

Седло, Шарик (SEAT, Ball)

нет в наличии, поставок нет
18 0912046

Корпус, Relief Клапан (HOUSING, Relief valve)

нет в наличии, поставок нет
19 0913198

Вал (SHAFT)

нет в наличии, поставок нет
19 0912047

   (последний код) SHAFT-PUMP

нет в наличии, поставок нет
20 0985330

Уплотнительное кольцо KIT, Помпа (O-RING KIT, Pump)

нет в наличии, поставок нет
20 0984497

   (последний код) O-RING-KIT

нет в наличии, поставок нет
21 0913193

SCREEN, Фильтр (SCREEN, Filter)

нет в наличии, поставок нет
22 0913197

Фильтр, Резервуар (FILTER, Reservoir)

нет в наличии, поставок нет
23 0913195

Заглушка, Фильтр (PLUG, Filter)

нет в наличии, поставок нет
24 0912352

Уплотнительное кольцо (O-RING)

нет в наличии, поставок нет
25 0912060

Шкив, Помпа в сборе. (PULLEY, Pump assy.)

нет в наличии, поставок нет
26 0912061

Тяга, Adjustment (ROD, Adjustment)

нет в наличии, поставок нет
27 0912062

BELT, Помпа в сборе. (BELT, Pump assy.)

нет в наличии, поставок нет
28 0986042

IDLER ASSEMBLY (IDLER ASSEMBLY)

нет в наличии, поставок нет
28 0986233

   (последний код) BEARING-AY,

нет в наличии, поставок нет
29 0912056

FITTING, Oil return (FITTING, Oil return)

нет в наличии, поставок нет
30 0982115

Струбцина (CLAMP)

нет в наличии, поставок нет
31 0306503

Винт, Adjustment Тяга (SCREW, Adjustment rod)

нет в наличии, поставок нет
31 0316533

   (последний код) SCREW

нет в наличии, поставок нет
32 0301218

Винт, Помпа Креплениеing (SCREW, Pump mounting)

нет в наличии, поставок нет
33 0319366

Винт, Idler Стержень (SCREW, Idler pivot)

нет в наличии, поставок нет
33 0122151

   (последний код) SCREW

нет в наличии, поставок нет
34 0913794

Шайба, Помпа Креплениеing Винт (WASHER, Pump mounting screw)

нет в наличии, поставок нет
35 0319150

Шайба с блокировкой, Adjustment Тяга (LOCK WASHER, Adjustment rod)

нет в наличии, поставок нет
36 0309192

Шайба, Adjustment Тяга (WASHER, Adjustment rod)

нет в наличии, поставок нет
36 3852083

   (последний код) WASHER,FLAT

нет в наличии, поставок нет
37 0309192

Опорная шайба Винт (WASHER, Pivot screw)

нет в наличии, поставок нет
37 3852083

   (последний код) WASHER,FLAT

нет в наличии, поставок нет
39 0122890

Гайка, Шкив (NUT, Pulley)

нет в наличии, поставок нет
40 0310702

Гайка (NUT)

нет в наличии, поставок нет
41 0912072

Гайка, Adjustment Тяга (NUT, Adjustment rod)

нет в наличии, поставок нет
41 0306932

   (последний код) NUT

нет в наличии, поставок нет
42 0984139

Индикатор, Заглушка в сборе. (INDICATOR, Plug assy.)

нет в наличии, поставок нет
43 0912830

Шайба, Индикатор Заглушка (WASHER, Indicator plug)

нет в наличии, поставок нет
44 0910959

FITTING, Oil pressure (FITTING, Oil pressure)

нет в наличии, поставок нет
45 0911522

Уплотнительное кольцо, Fitting (O-RING, Fitting)

нет в наличии, поставок нет
46 0912066

Шланг, Масляный фильтр to Помпа (HOSE, Oil filter to pump)

нет в наличии, поставок нет
47 0912113

Фиксатор, Приводной ремень (RETAINER, Drive belt)

нет в наличии, поставок нет
48 0306500

Винт, Belt Фиксатор (SCREW, Belt retainer)

нет в наличии, поставок нет
50 0309192

Шайба, Belt Фиксатор (WASHER, Belt retainer)

нет в наличии, поставок нет
50 3852083

   (последний код) WASHER,FLAT

нет в наличии, поставок нет
51 0436707

Шланг, Клапан hsg. to Крышка двигателя (капот) (HOSE, Valve hsg. to engine cover)

нет в наличии, поставок нет
52 0912302

Заглушка, Помпа в сборе. (PLUG, Pump assy.)

нет в наличии, поставок нет
53 0911522

Уплотнительное кольцо, Заглушка (O-RING, Plug)

нет в наличии, поставок нет
54 0305720

Ключ, Вал (KEY, Shaft)

нет в наличии, поставок нет
55 0912058

Шкив, Idle в сборе. (PULLEY, Idle assy.)

нет в наличии, поставок нет
56 0911012

Уплотнительное кольцо, Fitting (O-RING, Fitting)

нет в наличии, поставок нет
56 3852517

   (последний код) O-RING

нет в наличии, поставок нет
evinrude

Время выполнения запроса 0.74684596061707 сек.


 
 

данный сайт носит информационный характер и не является публичной офертой

склад запчастей для водомоторной техники