вконтакте

Контактный телефон: +7 (981) 121-46-93, +7 (800) 200-90-76 , Email: parts-katalog@yandex.ru, где купить

 
 

  Логин:

Пароль:

Регистрация

www.partskatalog.ru Все каталоги Запчасти Mercury Запчасти Suzuki Запчасти Tohatsu Запчасти Honda Контакты



УВАЖАЕМЫЕ КЛИЕНТЫ!
C 31 ОКТЯБРЯ 2025 ПО 10 НОЯБРЯ 2025 ГОДА РАБОТАТЬ НЕ БУДЕМ




Все разделы каталога запчастей на этот двигатель

назад Раздел:   вперёд

вернуться к списку узлов и деталей

ДЕТАЛИРОВКА ДЛЯ МОДЕЛИ: EVINRUDE E155WTLENE 1992

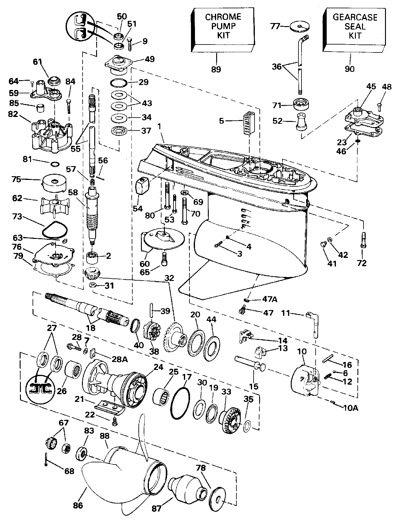
РЕДУКТОР | GEARCASE;


Лодочный мотор EVINRUDE E155WTLENE 1992  - arcase

Номер на
рисунке
АртикулНаименованиеКол-во
на складе
Цена
0435508 0435508

Редуктор в сборе., комплект. Replaced by 435475 gcase & 435765 верхний Корпус вала передачи ay и if requiкрасный 324407 Переключающая тяга. (GEARCASE ASSY., Complete. Replaced by 435475 gcase & 435765 upper drive shaft ay and if required 324407 shift rod.)

нет в наличии, поставок нет
0435509 0435509

Редуктор в сборе., комплект. Replaced by 435475 gcase & 435766 верхний Корпус вала передачи ay и if requiкрасный 324408 Переключающая тяга. (GEARCASE ASSY., Complete. Replaced by 435475 gcase & 435766 upper drive shaft ay and if required 324408 shift rod.)

нет в наличии, поставок нет
1 0431695

Редуктор в сборе с подшипником. (GEARCASE & BEARING ASSY.)

нет в наличии, поставок нет
1 0439973

   (последний код) CALL TECH SVC/QIPL

нет в наличии, поставок нет
2 0387817

Подшипник, Шестерня (BEARING, Pinion)

нет в наличии, поставок нет
3 0324852

Установочный винт & Сальник, Подшипник (SET SCREW & SEAL, Bearing)

нет в наличии, поставок нет
4 0332584

Уплотнительное кольцо (O-RING)

нет в наличии, поставок нет
5 0321123

Водяной экран Система впуска (SCREEN, Water intake)

нет в наличии, поставок нет
6 0160084

Шарик, Detent (BALL, Detent)

нет в наличии, поставок нет
6 3852023

   (последний код) BALL

нет в наличии, поставок нет
7 0328743

Шайба, Tab (WASHER, Tab)

нет в наличии, поставок нет
7 3852191

   (последний код) WASHER

нет в наличии, поставок нет
9 0317624

Винт, Корпус to Редуктор (SCREW, Housing to gearcase)

нет в наличии, поставок нет
10 0389455

Корпус & Подшипник в сборе. (HOUSING & BEARING ASSY.)

нет в наличии, поставок нет
10A 0331880

Штифт, Корпус (PIN, Housing)

нет в наличии, поставок нет
11 0323946

DETENT, Переключательer (DETENT, Shifter)

нет в наличии, поставок нет
11 0915954

   (последний код) DETENT

нет в наличии, поставок нет
12 0911962

Фиксатор пружины (SPRING, Detent)

нет в наличии, поставок нет
12 0915955

   (последний код) SPRING

нет в наличии, поставок нет
13 0334163

CRADLE, Переключательer (CRADLE, Shifter)

5 шт1880 руб.
13 0322900

   (последний код) CRADLE-SHIFT

нет в наличии, поставок нет
14 0322938

ПереключательER (SHIFTER)

нет в наличии, поставок нет
15 0322941

Вал (SHAFT)

нет в наличии, поставок нет
16 0328825

Штифт, Рычаг переключения (PIN, Shift lever)

нет в наличии, поставок нет
17 0305123

Уплотнительное кольцо, Вал гребного винта (O-RING, Propeller shaft)

нет в наличии, поставок нет
17 0321119

   (последний код) O-RING,-DLR

нет в наличии, поставок нет
18 0433017

Вал гребного винта в сборе. (PROPELLER SHAFT ASSY.)

нет в наличии, поставок нет
18 5004765

   (последний код) PROPSHAFT AY,SERV

нет в наличии, поставок нет
19 0382408

THRUST BRG. в сборе., Rev. Шестерня (THRUST BRG. ASSY., Rev. gear)

нет в наличии, поставок нет
20 0389042

THRUST BRG. в сборе., Fwd. Шестерня (THRUST BRG. ASSY., Fwd. gear)

нет в наличии, поставок нет
21 0431708

Анод, Подшипник Корпус (ANODE, Bearing housing)

нет в наличии, поставок нет
21 0397111

   (последний код) ANODE-AY

нет в наличии, поставок нет
22 0908158

Винт, Анод (SCREW, Anode)

нет в наличии, поставок нет
22 3852050

   (последний код) SCREW

нет в наличии, поставок нет
23 0324670

Прокладка, Переключающая тяга Крышка (GASKET, Shift rod cover)

нет в наличии, поставок нет
23 0352165

   (последний код) GASKET

2 шт550 руб.
24 0434400

Подшипник HSG. Сальник в сборе. (BEARING HSG. SEAL ASSY.)

нет в наличии, поставок нет
24 5004257

   (последний код) HSG AY, PROPSHAFT

нет в наличии, поставок нет
25 0382407

Игольчатый подшипник в сборе. (NEEDLE BEARING ASSY.)

1 шт5500 руб.
26 0434467

Игольчатый подшипник в сборе. (NEEDLE BEARING ASSY.)

нет в наличии, поставок нет
27 0334950

Сальник (SEAL)

нет в наличии, поставок нет
28 0333955

Винт (SCREW)

нет в наличии, поставок нет
28 0350271

   (последний код) SCREW, BRG CARRIER

нет в наличии, поставок нет
28A 0333957

TAB, Фиксатор (TAB, Retainer)

нет в наличии, поставок нет
29 0314728

Уплотнительное кольцо, DriveВал Подшипник (O-RING, Driveshaft bearing)

нет в наличии, поставок нет
29 0354731

   (последний код) O-RING

1 шт850 руб.
30 0314731

THRUST Шайба шестерни заднего хода (THRUST WASHER, Reverse gear)

нет в наличии, поставок нет
31 0314730

Гайка, Шестерня to driveВал (NUT, Pinion to driveshaft)

нет в наличии, поставок нет
32 0434026

ШестерняSET, (Inc. fwd. & Шестерня) (GEARSET, (Inc. fwd. & pinion))

нет в наличии, поставок нет
32 5004938

   (последний код) GEARSET,V6 FWD&PIN

нет в наличии, поставок нет
33 0336561

REVERSE Шестерня (REVERSE GEAR)

нет в наличии, поставок нет
34 0327656

Упорная шайба шестерни Шестерня (THRUST WASHER, Pinion)

нет в наличии, поставок нет
34 0314729

   (последний код) THRUST-WASHE

нет в наличии, поставок нет
35 0336565

Упорная шайба, Вал гребного винта to reverse Шестерня (THRUST WASHER, Propshaft to reverse gear)

нет в наличии, поставок нет
36 0324407

Переключающая тяга. 20 дюйм (508 мм) Transom Only (SHIFT ROD. 20 in. (508mm) Transom Only)

нет в наличии, поставок нет
36 0324408

Переключающая тяга. 25 дюйм (635 мм) Transom Only (SHIFT ROD. 25 in. (635mm) Transom Only)

нет в наличии, поставок нет
37 0387656

THRUST Подшипник, Шестерня (THRUST BEARING, Pinion)

нет в наличии, поставок нет
37 0383248

   (последний код) BEARING

нет в наличии, поставок нет
38 0336562

Переключатель собачки сцепления (SHIFTER, Clutch dog)

нет в наличии, поставок нет
38 0337774

   (последний код) SHIFTER,CLUTCH DOG

нет в наличии, поставок нет
39 0313448

Штифт сцепления dog (PIN, Clutch dog)

нет в наличии, поставок нет
40 0324369

Пружина, Сцепление dog Штифт (SPRING, Clutch dog pin)

нет в наличии, поставок нет
40 0313454

   (последний код) SPRING

нет в наличии, поставок нет
41 0318544

Заглушка, Fill & drain (PLUG, Fill & drain)

нет в наличии, поставок нет
41 0912624

   (последний код) SCREW

нет в наличии, поставок нет
42 0333572

Уплотнительное кольцо (O-RING)

нет в наличии, поставок нет
42 3855081

   (последний код) 0-RING

нет в наличии, поставок нет
43 0323362

Регулировочная шайба, 0.003 дюйм (0, 07 мм) (SHIM, 0.003 in. (0,07mm))

нет в наличии, поставок нет
43 0323361

Регулировочная шайба, 0.004 дюйм (0, 10 мм) (SHIM, 0.004 in. (0,10mm))

нет в наличии, поставок нет
43 0314745

Регулировочная шайба, 0.005 дюйм (0, 12 мм) (SHIM, 0.005 in. (0,12mm))

нет в наличии, поставок нет
44 0397566

Упорная шайба, Fwd. Шестерня (THRUST WASHER, Fwd. gear)

нет в наличии, поставок нет
44 0327760

   (последний код) SHIM---.029

нет в наличии, поставок нет
45 0388618

Крышка & Сальник в сборе. (COVER & SEAL ASSY.)

нет в наличии, поставок нет
45 5006241

   (последний код) COVER AY,SHIFT ROD

нет в наличии, поставок нет
46 0318372

Уплотнительное кольцо, Переключающая тяга (O-RING, Shift rod)

нет в наличии, поставок нет
47 0318544

Винт дренажный & fill (SCREW, Drain & fill)

нет в наличии, поставок нет
47 0912624

   (последний код) SCREW

нет в наличии, поставок нет
47A 0333572

Уплотнительное кольцо (O-RING)

нет в наличии, поставок нет
47A 3855081

   (последний код) 0-RING

нет в наличии, поставок нет
48 0302325

Винт, Крышка (SCREW, Cover)

нет в наличии, поставок нет
49 0397493

Подшипник Корпус & Сальник (BEARING HOUSING & SEAL)

нет в наличии, поставок нет
49 0439476

   (последний код) DS BRG HSG&SEAL AY

нет в наличии, поставок нет
50 0329922

Сальник, верхний (SEAL, Upper)

нет в наличии, поставок нет
51 0329923

Сальник, нижний (SEAL, Lower)

нет в наличии, поставок нет
52 0321122

Проставка, Переключающая тяга. 25 дюйм (635 мм) Transom Only (SPACER,shift rod. 25 in. (635mm) Transom Only)

нет в наличии, поставок нет
53 0328096

Винт, Анод (SCREW, Anode)

нет в наличии, поставок нет
53 0327046

   (последний код) SCREW

нет в наличии, поставок нет
54 0393023

Анод (ANODE)

нет в наличии, поставок нет
54 0436745

   (последний код) ANODE&INSERT AY

нет в наличии, поставок нет
55 0337058

DRIVEВал, верхний 20 дюйм (508 мм) Transom Only (DRIVESHAFT, Upper. 20 in. (508mm) Transom Only)

нет в наличии, поставок нет
55 5007671

   (последний код) UPPER D/S KIT 20"

нет в наличии, поставок нет
55 0337059

DRIVEВал, верхний 25 дюйм (635 мм) Transom Only (DRIVESHAFT, Upper. 25 in. (635mm) Transom Only)

нет в наличии, поставок нет
55 5007672

   (последний код) KIT,UPPER D/S-25"

нет в наличии, поставок нет
56 0311538

Штифт, DriveВал (PIN, Driveshaft)

нет в наличии, поставок нет
57 0335684

Пружина, DriveВал (SPRING, Driveshaft)

нет в наличии, поставок нет
58 0335677

DRIVEВал, нижний (DRIVESHAFT, Lower)

нет в наличии, поставок нет
58 0345905

   (последний код) DRIVESHAFT,LOWER

нет в наличии, поставок нет
59 0321159

Колпак крыльчатки Корпус (COVER, Impeller housing)

нет в наличии, поставок нет
59 0338893

   (последний код) COVER,IMPELL

нет в наличии, поставок нет
60 0327640

Пластина трима, Редуктор (TRIM TAB, Gearcase)

нет в наличии, поставок нет
60 0338742

   (последний код) TAB,TRIM-STD

нет в наличии, поставок нет
61 0320943

Пыльник, Крыльчатка Корпус (GROMMET, Impeller housing)

1 шт300 руб.
62 0395864

Крыльчатка в сборе. & Ключ (IMPELLER ASSY. & KEY)

нет в наличии, поставок нет
62 5001593

   (последний код) KIT AY,IMPELLER

нет в наличии, поставок нет
63 0331107

Ключ, driveВал to Крыльчатка (KEY, driveshaft to impeller)

нет в наличии, поставок нет
64 0306643

Винт, Крышка to Крыльчатка (SCREW, Cover to impeller)

нет в наличии, поставок нет
64 3852066

   (последний код) SCREW

нет в наличии, поставок нет
65 0313175

Винт, Пластина трима (SCREW, Trim tab)

нет в наличии, поставок нет
67 0398042

Гайка & KEEPER, Гребной винт (NUT & KEEPER, Propeller)

нет в наличии, поставок нет
67 3850984

   (последний код) NUT&KEEPER AY,PROP

нет в наличии, поставок нет
68 0306394

Шплинт, Гайка гребного винта (COTTER PIN, Propeller nut)

нет в наличии, поставок нет
68 3852056

   (последний код) PIN,COTTER

нет в наличии, поставок нет
69 0330265

Шайба, Винт (WASHER, Screw)

нет в наличии, поставок нет
70 0331998

Винт, Редуктор to Корпус (SCREW, Gearcase to housing)

нет в наличии, поставок нет
70 0914535

   (последний код) SCREW

нет в наличии, поставок нет
71 0321008

Пыльник, Выхлоп hsg. to Переключающая тяга (GROMMET, Exhaust hsg. to shift rod)

нет в наличии, поставок нет
72 0331999

Винт, Редуктор to hsg., short (SCREW, Gearcase to hsg., short)

нет в наличии, поставок нет
72 0910457

   (последний код) SCREW

нет в наличии, поставок нет
73 0331353

Сальник, Крыльчатка Корпус Пластина (SEAL, Impeller housing plate)

1 шт790 руб.
75 0330379

Cвыше, Крыльчатка (CUP, Impeller)

нет в наличии, поставок нет
75 0435027

   (последний код) CUP-&-PLATE

нет в наличии, поставок нет
76 0330380

Пластина корпуса крыльчатки (PLATE, Impeller housing)

нет в наличии, поставок нет
76 0435027

   (последний код) CUP-&-PLATE

нет в наличии, поставок нет
77 0322302

Сальник, Переключающая тяга (SEAL, Shift rod)

нет в наличии, поставок нет
77 0321361

   (последний код) SEAL

нет в наличии, поставок нет
78 0126870

Упорная втулка (THRUST BUSHING)

нет в наличии, поставок нет
78 3852020

   (последний код) BUSHING,THRUST

нет в наличии, поставок нет
79 0324701

Прокладка крыльчатки Корпус Пластина (GASKET, Impeller housing plate)

нет в наличии, поставок нет
79 0338484

   (последний код) GASKET,WTR PMP 5PK

нет в наличии, поставок нет
80 0330263

Винт, Редуктор to Задний корпус (SCREW, Gearcase to housing, rear)

нет в наличии, поставок нет
80 0914534

   (последний код) SCREW

нет в наличии, поставок нет
81 0332000

Кольцевой сальник (SEAL RING)

нет в наличии, поставок нет
82 0395040

Крыльчатка Корпус, Редуктор (IMPELLER HOUSING, Gearcase)

нет в наличии, поставок нет
82 0435485

   (последний код) HOUSING-AY,P

нет в наличии, поставок нет
83 0320570

Проставка гайки гребного винта, brass (SPACER, Propeller nut, brass)

нет в наличии, поставок нет
83 3852163

   (последний код) SPACER,PROP

нет в наличии, поставок нет
84 0328715

Винт, Крыльчатка Корпус (SCREW, Impeller housing)

нет в наличии, поставок нет
84 0335221

   (последний код) SCREW

нет в наличии, поставок нет
85 0314008

Пыльник водяной трубки (GROMMET, Water tube)

нет в наличии, поставок нет
86 0391536

Гребной винт, 15 1 / 2 x 13 (PROPELLER, 15 1/2 x 13)

нет в наличии, поставок нет
86 0391535

Гребной винт, 15 1 / 2 x 15 (PROPELLER, 15 1/2 x 15)

нет в наличии, поставок нет
86 0763471

   (последний код) PROP AL 15X15

нет в наличии, поставок нет
86 0391200

Гребной винт, 15 x 17 (PROPELLER, 15 x 17)

нет в наличии, поставок нет
86 0765187

   (последний код) PROP AY,AL 14.8X17

нет в наличии, поставок нет
86 0391201

Гребной винт, 14 1 / 2 x 19 (PROPELLER, 14 1/2 x 19)

нет в наличии, поставок нет
86 0765188

   (последний код) PROP AY,AL 14.5X19

нет в наличии, поставок нет
86 0391202

Гребной винт, 14 1 / 4 x 21 (PROPELLER, 14 1/4 x 21)

нет в наличии, поставок нет
86 0391203

Гребной винт, 14 1 / 4 x 23 (PROPELLER, 14 1/4 x 23)

нет в наличии, поставок нет
86 0389925

Гребной винт, 15 x 16 SST (PROPELLER, 15 x 16 SST)

нет в наличии, поставок нет
86 0387518

   (последний код) SST-V-6-17"

нет в наличии, поставок нет
86 0391290

Гребной винт, 15 x 17 SST (PROPELLER, 15 x 17 SST)

нет в наличии, поставок нет
86 0763914

   (последний код) VIPERTBX14.75X17RH

нет в наличии, поставок нет
86 0389924

Гребной винт, 14 1 / 2 x 19 SST (PROPELLER, 14 1/2 x 19 SST)

нет в наличии, поставок нет
86 0763918

   (последний код) VIPERTBX14.75X19RH

нет в наличии, поставок нет
86 0389923

Гребной винт, 14 1 / 2 x 21 SST (PROPELLER, 14 1/2 x 21 SST)

нет в наличии, поставок нет
86 0176619

   (последний код) SST V6 14.75X21

нет в наличии, поставок нет
86 0389019

Гребной винт, 14 1 / 4 x 23 SST (PROPELLER, 14 1/4 x 23 SST)

нет в наличии, поставок нет
86 0390831

Гребной винт, 15 1 / 2 x 14 SST (PROPELLER, 15 1/2 x 14 SST)

нет в наличии, поставок нет
87 0387157

Втулка в сборе., Alum. prop (BUSHING ASSY., Alum. prop)

нет в наличии, поставок нет
87 0175401

Втулка в сборе., SST prop (BUSHING ASSY., SST prop)

нет в наличии, поставок нет
88 0332394

CONVERGING Кольцо, Std. prop (CONVERGING RING, Std. prop)

нет в наличии, поставок нет
88 3854241

   (последний код) RING, CONVERGING

нет в наличии, поставок нет
89 0395059

Хромированный ремкомплект водяного насоса (Inc. imp. hsg.) (CHROME PUMP KIT (Inc. imp. hsg.))

нет в наличии, поставок нет
89 0435526

   (последний код) CUP & PLATE AY

нет в наличии, поставок нет
90 0434516

Комплект сальников редуктора (GEARCASE SEAL KIT)

нет в наличии, поставок нет
90 5006373

   (последний код) KIT AY,SEAL-GC

нет в наличии, поставок нет
evinrude

Время выполнения запроса 2.134831905365 сек.


 
 

данный сайт носит информационный характер и не является публичной офертой

склад запчастей для водомоторной техники