вконтакте

Контактный телефон: +7 (981) 121-46-93, +7 (800) 200-90-76 , Email: parts-katalog@yandex.ru, где купить

 
 

  Логин:

Пароль:

Регистрация

www.partskatalog.ru Все каталоги Запчасти Mercury Запчасти Suzuki Запчасти Tohatsu Запчасти Honda Контакты



УВАЖАЕМЫЕ КЛИЕНТЫ!
C 31 ОКТЯБРЯ 2025 ПО 10 НОЯБРЯ 2025 ГОДА РАБОТАТЬ НЕ БУДЕМ




Все разделы каталога запчастей на этот двигатель

назад Раздел:   вперёд

вернуться к списку узлов и деталей

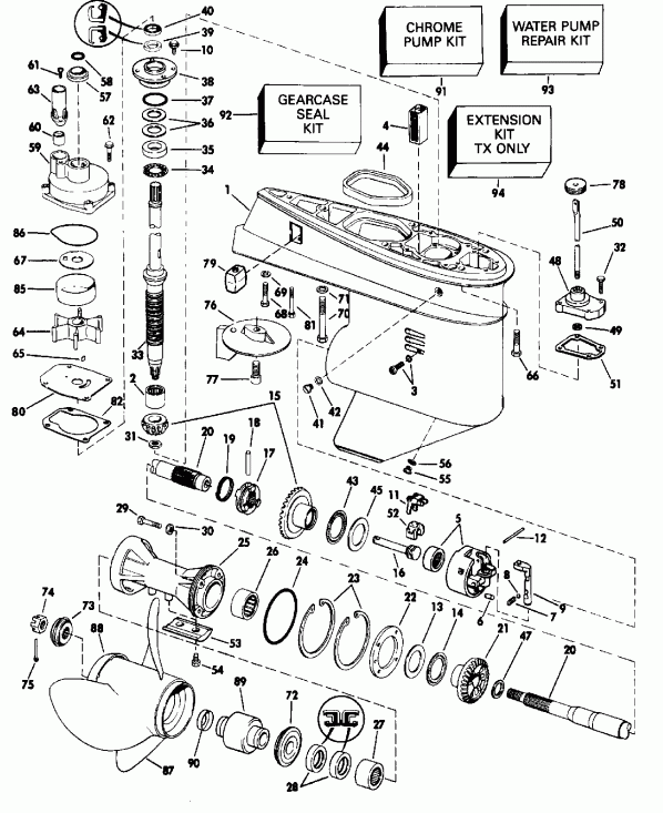
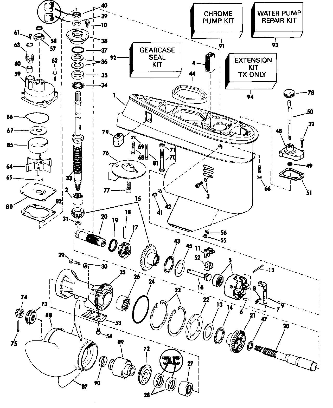
ДЕТАЛИРОВКА ДЛЯ МОДЕЛИ: EVINRUDE VE60TLENE 1992

РЕДУКТОР | GEARCASE;


Двигатель EVINRUDE VE60TLENE 1992  - arcase / arcase

Номер на
рисунке
АртикулНаименованиеКол-во
на складе
Цена
0432624 0432624

Редуктор в сборе., Long. Not Shown (GEARCASE ASSY., Long. Not Shown)

нет в наличии, поставок нет
1 0392478

Редуктор в сборе с подшипником. (GEARCASE & BEARING ASSY.)

нет в наличии, поставок нет
1 5005458

   (последний код) GEARCASE&BRG AY

нет в наличии, поставок нет
2 0382343

Подшипник, Шестерня (BEARING, Pinion)

нет в наличии, поставок нет
3 0324852

Установочный винт, Подшипник (SET SCREW, Bearing)

нет в наличии, поставок нет
0332584 0332584

Сальник. Not Shown (SEAL. Not Shown)

нет в наличии, поставок нет
4 0314175

Водяной экран Система впуска (SCREEN, Water intake)

нет в наличии, поставок нет
5 0436240

Подшипник Корпус в сборе. (BEARING HOUSING ASSY.)

нет в наличии, поставок нет
5 0391365

   (последний код) BRG HOUSING AY

нет в наличии, поставок нет
6 0331880

Штифт, Корпус to gcase (PIN, Housing to gcase)

нет в наличии, поставок нет
7 0911961

Фиксатор пружины (SPRING, Detent)

нет в наличии, поставок нет
8 0327345

Шарик, Detent (BALL, Detent)

нет в наличии, поставок нет
9 0326670

DETENT, Переключательer (DETENT, Shifter)

нет в наличии, поставок нет
10 0909386

Винт, Hsg. to gcase (SCREW, Hsg. to gcase)

нет в наличии, поставок нет
11 0324037

Рычаг переключателя (LEVER, Shift)

8 шт3700 руб.
12 0320145

Штифт рычага to hsg. (PIN, Lever to hsg.)

нет в наличии, поставок нет
12 0323945

   (последний код) PIN-SHIFTER

нет в наличии, поставок нет
13 0313447

Упорная шайба, Rev (THRUST WASHER, Rev)

нет в наличии, поставок нет
14 0382408

THRUST Подшипник, Rev (THRUST BEARING, Rev)

нет в наличии, поставок нет
15 0397338

Шестерня и Комплект шестерёнок. (GEAR AND PINION ASSY.)

нет в наличии, поставок нет
15 0389964

   (последний код) GEAR-PINION

нет в наличии, поставок нет
16 0326668

Переключающий валer (SHAFT, Shifter)

нет в наличии, поставок нет
17 0318303

Переключатель собачки сцепления (SHIFTER, Clutch dog)

нет в наличии, поставок нет
18 0313448

Штифт сцепления dog (PIN, Clutch dog)

нет в наличии, поставок нет
19 0324369

Пружина, Сцепление dog Штифт (SPRING, Clutch dog pin)

нет в наличии, поставок нет
19 0313454

   (последний код) SPRING

нет в наличии, поставок нет
20 0387879

Вал гребного винта в сборе. (PROPELLER SHAFT ASSY.)

нет в наличии, поставок нет
20 0439185

   (последний код) SHAFT AY,PROPELLER

нет в наличии, поставок нет
21 0318304

Шестерня обратного хода (GEAR, Reverse)

нет в наличии, поставок нет
22 0313453

Фиксатор Пластина, Подшипник Корпус (RETAINER PLATE, Bearing housing)

нет в наличии, поставок нет
23 0313445

Стопорное кольцо (RETAINING RING)

нет в наличии, поставок нет
24 0313446

Уплотнительное кольцо, Подшипник Корпус (O-RING, bearing housing)

нет в наличии, поставок нет
25 0434391

Подшипник Корпус в сборе. (BEARING HOUSING ASSY.)

нет в наличии, поставок нет
25 0397188

   (последний код) BRG-HSG ASSY

нет в наличии, поставок нет
26 0382407

Игольчатый подшипник в сборе. (NEEDLE BEARING ASSY.)

1 шт5500 руб.
27 0379504

Игольчатый подшипник в сборе. (NEEDLE BEARING ASSY.)

нет в наличии, поставок нет
28 0330137

Сальник (SEAL)

17 шт3700 руб.
28 0321668

   (последний код) SEAL-CRNKSHF

нет в наличии, поставок нет
28 T-0330137

   (не оригинальный аналог) Сальник редуктора OMC/Johnson/Evinrude 0330137

под заказ штпо запросу
29 0320041

Винт, Hsg. to Редуктор (SCREW, Hsg. to gearcase)

нет в наличии, поставок нет
29 0316564

   (последний код) SCREW BRG HSG

нет в наличии, поставок нет
30 0332584

Сальник (SEAL)

нет в наличии, поставок нет
31 0313339

Гайка, Шестерня to dВал (NUT, Pinion to dshaft)

нет в наличии, поставок нет
32 0302325

Винт, Крышка to Редуктор (SCREW, Cover to gearcase)

нет в наличии, поставок нет
33 0432960

Приводной вал., Long, 20" only (DRIVESHAFT ASSY., Long, 20" only)

нет в наличии, поставок нет
33 0437376

   (последний код) DRIVESHAFT AY,20"

нет в наличии, поставок нет
34 0385068

THRUST Подшипник в сборе. (THRUST BEARING ASSY.)

1 шт7500 руб.
35 0317230

Упорная шайба (THRUST WASHER)

нет в наличии, поставок нет
36 0323889

Регулировочная шайба, 0.003 дюйм (0, 07 мм) (SHIM, 0.003 in. (0,07mm))

нет в наличии, поставок нет
36 0323890

Регулировочная шайба, 0.003 дюйм (0, 10 мм) (SHIM, 0.003 in. (0,10mm))

нет в наличии, поставок нет
36 0317232

Регулировочная шайба, 0.005 дюйм (0, 12 мм) (SHIM, 0.005 in. (0,12mm))

нет в наличии, поставок нет
37 0313754

Уплотнительное кольцо, Подшипник Корпус (O-RING, Bearing housing)

нет в наличии, поставок нет
38 0385087

Подшипник Корпус в сборе. (BEARING HOUSING ASSY.)

нет в наличии, поставок нет
39 0321466

Сальник, нижний (SEAL, lower)

нет в наличии, поставок нет
39 0318223

   (последний код) OIL RET 5 PK

нет в наличии, поставок нет
40 0332205

Сальник, верхний (SEAL, Upper)

нет в наличии, поставок нет
41 0307551

Заглушка, Fill & drain, верхний (PLUG, Fill & drain, upper)

нет в наличии, поставок нет
41 0982851

   (последний код) SCREW-PLUG

нет в наличии, поставок нет
42 0333572

Уплотнительное кольцо (O-RING)

нет в наличии, поставок нет
42 3855081

   (последний код) 0-RING

нет в наличии, поставок нет
43 0385043

THRUST Подшипник, дляward (THRUST BEARING, Forward)

нет в наличии, поставок нет
43 3852221

   (последний код) BEARING-AY,T

нет в наличии, поставок нет
44 0324937

Сальник, Gcase to inner exh. hsg. (SEAL, Gcase to inner exh. hsg.)

нет в наличии, поставок нет
44 0313656

   (последний код) SEAL

нет в наличии, поставок нет
45 0324766

Упорная шайба, Fwd. (THRUST WASHER, Fwd.)

нет в наличии, поставок нет
47 0316484

Упорная шайба, Переключательer dog reverse (THRUST WASHER, Shifter dog reverse)

нет в наличии, поставок нет
48 0388651

Крышка в сборе (COVER ASSY.)

нет в наличии, поставок нет
49 0318372

Уплотнительное кольцо, Переключающая тяга (O-RING, Shift rod)

нет в наличии, поставок нет
50 0327337

Переключающая тяга, Long. 20" only (SHIFT ROD, Long. 20" only)

нет в наличии, поставок нет
51 0314082

Прокладка крышки to gcase (GASKET, Cover to gcase)

12 шт650 руб.
51 0320312

   (последний код) GASKET

нет в наличии, поставок нет
52 0334163

CRADLE, Переключательer (CRADLE, Shifter)

5 шт1880 руб.
52 0322900

   (последний код) CRADLE-SHIFT

нет в наличии, поставок нет
53 0431708

Анод, Подшипник hsg. (ANODE, Bearing hsg.)

нет в наличии, поставок нет
53 0397111

   (последний код) ANODE-AY

нет в наличии, поставок нет
54 0908158

Винт, Анод (SCREW, Anode)

нет в наличии, поставок нет
54 3852050

   (последний код) SCREW

нет в наличии, поставок нет
55 0318544

Заглушка, Fill & drain, нижний (PLUG, Fill & drain, lower)

нет в наличии, поставок нет
55 0912624

   (последний код) SCREW

нет в наличии, поставок нет
56 0333572

Уплотнительное кольцо (O-RING)

нет в наличии, поставок нет
56 3855081

   (последний код) 0-RING

нет в наличии, поставок нет
57 0315748

Пыльник, Корпус. Also included in Ремкомплект водяного насоса 432955 (GROMMET, Housing. Also included in Water Pump Repair Kit 432955)

нет в наличии, поставок нет
57 0341732

   (последний код) GROMMET

1 шт160 руб.
58 0310585

Уплотнительное кольцо, DriveВал. Also included in Ремкомплект водяного насоса 432955 Also included in Комплект сальников редуктора 432949 (O-RING, Driveshaft. Also included in Water Pump Repair Kit 432955 Also included in Gearcase Seal Kit 432949)

нет в наличии, поставок нет
59 0391049

Крыльчатка Корпус. Also included in Ремкомплект водяного насоса 432955 (IMPELLER HOUSING. Also included in Water Pump Repair Kit 432955)

нет в наличии, поставок нет
59 0432955

   (последний код) WATERPUMP KIT

нет в наличии, поставок нет
60 0314008

Пыльник водяной трубки. Also included in Ремкомплект водяного насоса 432955 (GROMMET, Water tube. Also included in Water Pump Repair Kit 432955)

нет в наличии, поставок нет
61 0908158

Винт, Крыльчатка hsg.. Also included in Ремкомплект водяного насоса 432955 (SCREW, Impeller hsg.. Also included in Water Pump Repair Kit 432955)

нет в наличии, поставок нет
61 3852050

   (последний код) SCREW

нет в наличии, поставок нет
62 0331979

Винт, Крыльчатка hsg.. Also included in Ремкомплект водяного насоса 432955 (SCREW, Impeller hsg.. Also included in Water Pump Repair Kit 432955)

нет в наличии, поставок нет
63 0319276

Направляющая трубки водяного насоса. Also included in Ремкомплект водяного насоса 432955 (GUIDE, Water tube. Also included in Water Pump Repair Kit 432955)

нет в наличии, поставок нет
64 0432954

Крыльчатка & Ключ в сборе.. Also included in Ремкомплект водяного насоса 432955 (IMPELLER & KEY ASSY.. Also included in Water Pump Repair Kit 432955)

нет в наличии, поставок нет
64 0396725

   (последний код) IMP & KEY AY

1 шт3420 руб.
65 0334897

Ключ, Крыльчатка to driveВал. Also included in Ремкомплект водяного насоса 432955 (KEY, Impeller to driveshaft. Also included in Water Pump Repair Kit 432955)

нет в наличии, поставок нет
66 0308843

Винт, Редуктор to hsg., 20" only (SCREW, Gearcase to hsg., 20" only)

нет в наличии, поставок нет
67 0321940

Пластина корпуса крыльчатки. Also included in Ремкомплект водяного насоса 432955 (PLATE, Impeller housing. Also included in Water Pump Repair Kit 432955)

нет в наличии, поставок нет
68 0306503

Винт, Short, 20" only (SCREW, Short, 20" only)

нет в наличии, поставок нет
68 0316533

   (последний код) SCREW

нет в наличии, поставок нет
69 0306470

Шайба с блокировкой, Short Винт, 20" only (LOCK WASHER, Short screw, 20" only)

нет в наличии, поставок нет
69 3852061

   (последний код) LOCKWASHER

нет в наличии, поставок нет
70 0313697

Винт, Long 20" only (SCREW, Long 20" only)

нет в наличии, поставок нет
70 0312697

   (последний код) SCREW

нет в наличии, поставок нет
71 0306314

Шайба с блокировкой, Long Винт, 20" only (LOCK WASHER, Long screw, 20" only)

нет в наличии, поставок нет
72 0318841

Упорная втулка в сборе. (THRUST BUSHING ASSY.)

нет в наличии, поставок нет
72 0127084

   (последний код) BUSHING,THRUST

нет в наличии, поставок нет
73 0315810

Проставка, Prop. Гайка (SPACER, Prop. nut)

нет в наличии, поставок нет
74 0314503

Гайка гребного винта (NUT, Propeller)

нет в наличии, поставок нет
75 0314502

Шплинт, Prop. Гайка (COTTER PIN, Prop. nut)

нет в наличии, поставок нет
76 0327640

Пластина трима, Редуктор (TRIM TAB, Gearcase)

нет в наличии, поставок нет
76 0338742

   (последний код) TAB,TRIM-STD

нет в наличии, поставок нет
77 0313715

Винт, Пластина трима (SCREW, Trim tab)

нет в наличии, поставок нет
78 0321452

Пыльник (GROMMET)

нет в наличии, поставок нет
78 0318249

   (последний код) GROMMET

нет в наличии, поставок нет
79 0393023

Анод и INSERT (ANODE AND INSERT)

нет в наличии, поставок нет
79 0436745

   (последний код) ANODE&INSERT AY

нет в наличии, поставок нет
80 0319275

Пластина корпуса крыльчатки. Also included in Ремкомплект водяного насоса 432955 (PLATE, Impeller housing. Also included in Water Pump Repair Kit 432955)

нет в наличии, поставок нет
80 0341038

   (последний код) IMP HSG PLATE

нет в наличии, поставок нет
81 0328096

Винт, Анод (SCREW, Anode)

нет в наличии, поставок нет
81 0327046

   (последний код) SCREW

нет в наличии, поставок нет
82 0336530

Прокладка крыльчатки Корпус. Also included in Ремкомплект водяного насоса 432955 (GASKET, Impeller housing. Also included in Water Pump Repair Kit 432955)

2 шт90 руб.
85 0324980

LINER, Крыльчатка Корпус. Also included in Ремкомплект водяного насоса 432955 (LINER, Impeller housing. Also included in Water Pump Repair Kit 432955)

нет в наличии, поставок нет
85 0321941

   (последний код) LINER

нет в наличии, поставок нет
86 0324981

Сальник, Крыльчатка Корпус. Also included in Ремкомплект водяного насоса 432955 Also included in Комплект сальников редуктора 432949 (SEAL, Impeller housing. Also included in Water Pump Repair Kit 432955 Also included in Gearcase Seal Kit 432949)

нет в наличии, поставок нет
87 0383160

Гребной винт, 14 X 9 AL. (PROPELLER, 14 X 9 AL.)

нет в наличии, поставок нет
87 0763300

   (последний код) PROP AL,14 X 9

нет в наличии, поставок нет
87 0382761

Гребной винт, 14 X 11 AL. (PROPELLER, 14 X 11 AL.)

нет в наличии, поставок нет
87 0391668

Гребной винт, 14 X 13 AL. (PROPELLER, 14 X 13 AL.)

нет в наличии, поставок нет
87 0765181

   (последний код) PROP,AL 13.75X13

нет в наличии, поставок нет
87 0391198

Гребной винт, 13 3 / 4 X 15 AL. (PROPELLER, 13 3/4 X 15 AL.)

нет в наличии, поставок нет
87 0765182

   (последний код) PROP AY,AL 13.5X15

нет в наличии, поставок нет
87 0391199

Гребной винт, 13 1 / 4 X 17 AL. (PROPELLER, 13 1/4 X 17 AL.)

нет в наличии, поставок нет
87 0765183

   (последний код) PROP,AL 13.25X17

нет в наличии, поставок нет
87 0390896

Гребной винт, 13 X 19 AL. (PROPELLER, 13 X 19 AL.)

нет в наличии, поставок нет
87 0765184

   (последний код) PROP AY,AL 13.2X19

нет в наличии, поставок нет
87 0389788

Гребной винт, 12 3 / 4 X 21 AL. (PROPELLER, 12 3/4 X 21 AL.)

нет в наличии, поставок нет
87 0765185

   (последний код) PROP AY,AL 13.2X21

нет в наличии, поставок нет
87 0390895

Гребной винт, 12 3 / 4 X 23 AL. (PROPELLER, 12 3/4 X 23 AL.)

нет в наличии, поставок нет
87 0177150

   (последний код) PROP AY,12.75 X 23

нет в наличии, поставок нет
87 0392261

Гребной винт, 13 3 / 4 X 13 SST (PROPELLER, 13 3/4 X 13 SST)

нет в наличии, поставок нет
87 0389948

Гребной винт, 13 3 / 4 X 17 SST (PROPELLER, 13 3/4 X 17 SST)

нет в наличии, поставок нет
87 0176572

   (последний код) SST V4 13.88X17

нет в наличии, поставок нет
87 0389510

Гребной винт, 13 X 19 SST (PROPELLER, 13 X 19 SST)

нет в наличии, поставок нет
87 0763931

   (последний код) VIPERV4 13.875X19

нет в наличии, поставок нет
87 0389512

Гребной винт, 12 3 / 4 X 21 SST (PROPELLER, 12 3/4 X 21 SST)

нет в наличии, поставок нет
87 0384702

   (последний код) SST-V4-21"

нет в наличии, поставок нет
87 0389792

Гребной винт, 13 3 / 4 X 11 SST (PROPELLER, 13 3/4 X 11 SST)

нет в наличии, поставок нет
87 0390115

   (последний код) SST-50HP-RED

нет в наличии, поставок нет
87 0389949

Гребной винт, 13 3 / 4 X 15 SST (PROPELLER, 13 3/4 X 15 SST)

нет в наличии, поставок нет
87 0763929

   (последний код) VIPER V413.875X15

нет в наличии, поставок нет
87 0175294

Гребной винт, 13 3 / 4 X 11 Triple cвышеped (PROPELLER, 13 3/4 X 11 Triple cupped)

нет в наличии, поставок нет
87 0177202

   (последний код) PROP,AL/13.88X11RH

нет в наличии, поставок нет
88 0332393

CONVERGING Кольцо, Alum. prop. (CONVERGING RING, Alum. prop.)

нет в наличии, поставок нет
88 0325996

   (последний код) CONVERGING RING

нет в наличии, поставок нет
89 0384977

PROP, Втулка в сборе. (PROP, BUSHING ASSY.)

нет в наличии, поставок нет
90 0313926

Гильза, Втулка (SLEEVE, Bushing)

нет в наличии, поставок нет
90 3850831

   (последний код) SLEEVE-PROP

нет в наличии, поставок нет
91 0389145

Хромированный ремкомплект водяного насоса (CHROME PUMP KIT)

нет в наличии, поставок нет
92 0396349

Комплект сальников редуктора (GEARCASE SEAL KIT)

нет в наличии, поставок нет
92 5000309

   (последний код) KIT AY,SEAL-GRC

нет в наличии, поставок нет
93 0432956

Ремкомплект водяного насоса (WATER PUMP REPAIR KIT)

нет в наличии, поставок нет
93 0432955

   (последний код) WATERPUMP KIT

нет в наличии, поставок нет
93 0432955

Ремкомплект водяного насоса, (includes Крыльчатка Корпус) (WATER PUMP REPAIR KIT, (includes impeller housing))

нет в наличии, поставок нет
93 0438591

   (последний код) KIT ASSY, WATER PUMP

нет в наличии, поставок нет
94 0434176

Удлинитель KIT, TX Models only (EXTENSION KIT, TX Models only)

нет в наличии, поставок нет
evinrude

Время выполнения запроса 4.6702899932861 сек.


 
 

данный сайт носит информационный характер и не является публичной офертой

склад запчастей для водомоторной техники