вконтакте

Контактный телефон: +7 (981) 121-46-93, +7 (800) 200-90-76 , Email: parts-katalog@yandex.ru, где купить

 
 

  Логин:

Пароль:

Регистрация

www.partskatalog.ru Все каталоги Запчасти Mercury Запчасти Suzuki Запчасти Tohatsu Запчасти Honda Контакты



УВАЖАЕМЫЕ КЛИЕНТЫ!
C 19 ДЕКАБРЯ 2025 ПО 02 МАРТА 2026 ГОДА ОТДЕЛ ЗАПЧАСТЕЙ И СЕРВИС РАБОТАТЬ НЕ БУДУТ
ПРОДАЖА ЛОДОЧНЫХ МОТОРОВ В ШТАТНОМ РЕЖИМЕ
ОБ ИЗМЕНЕНИЯХ В ГРАФИКЕ РАБОТЫ ЧИТАЙТЕ НА САЙТА




Все разделы каталога запчастей на этот двигатель

назад Раздел:   вперёд

вернуться к списку узлов и деталей

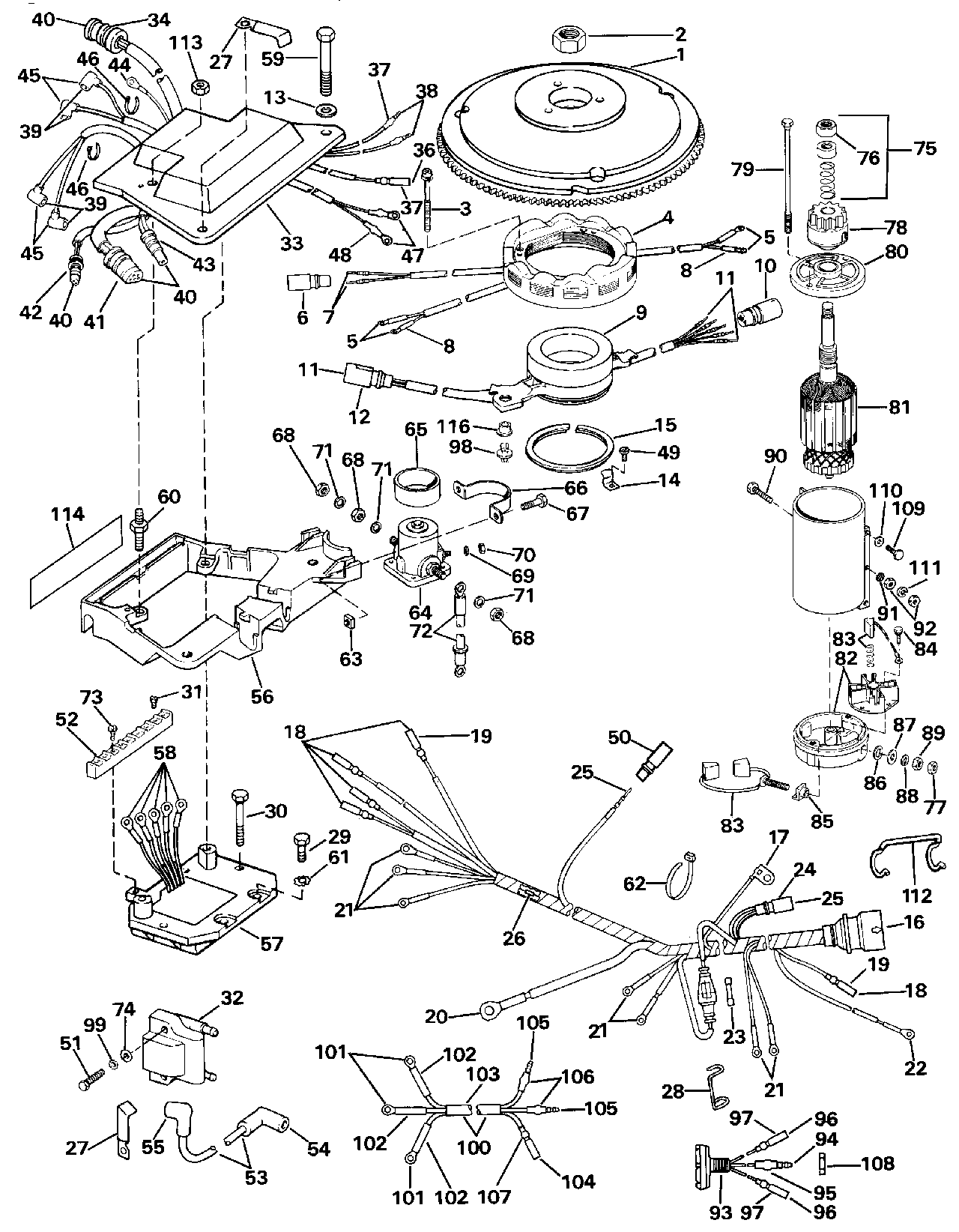
ДЕТАЛИРОВКА ДЛЯ МОДЕЛИ: EVINRUDE VE25ELENS 1992

КРЫШКА ДВИГАТЕЛЯ (КАПОТ) - JOHNSON | ENGINE COVER - JOHNSON;


 Эвинруд VE25ELENS 1992  - Johnson - Johnson

Номер на
рисунке
АртикулНаименованиеКол-во
на складе
Цена
1 0435150

Крышка двигателя (капот) в сборе.. 20EE-20ELE (ENGINE COVER ASSY.. 20EE-20ELE)

нет в наличии, поставок нет
1 0435152

Крышка двигателя (капот) в сборе.. 25EE-25ELE (ENGINE COVER ASSY.. 25EE-25ELE)

нет в наличии, поставок нет
1 0434555

Крышка двигателя (капот) в сборе.. TJ25ELE (ENGINE COVER ASSY.. TJ25ELE)

нет в наличии, поставок нет
1 0433819

   (последний код) COVER AY,MOTOR-UPR

нет в наличии, поставок нет
1 0435155

Крышка двигателя (капот) в сборе.. 30EE-3OELE (ENGINE COVER ASSY.. 30EE-3OELE)

нет в наличии, поставок нет
2 0322882

Рукоятка наклона (TILT HANDLE)

нет в наличии, поставок нет
3 0330823

Винт, Рукоятка наклона (SCREW, Tilt handle)

нет в наличии, поставок нет
3 0325838

   (последний код) SCREW

нет в наличии, поставок нет
4 0207482

Крючок капота двигателя, front (HOOK, Engine cover, front)

нет в наличии, поставок нет
4 0206656

   (последний код) HOOK

нет в наличии, поставок нет
5 0329635

Крючок капота двигателя, rear (HOOK, Engine cover, rear)

нет в наличии, поставок нет
5 0316171

   (последний код) ANCHOR BLOCK

нет в наличии, поставок нет
6 0337606

Пластина, Рама, front, 20. 20EE-20ELE (PLATE, Frame, front, 20. 20EE-20ELE)

нет в наличии, поставок нет
6 0337610

Пластина, Рама, front. 25EE-25ELE (PLATE, Frame, front. 25EE-25ELE)

нет в наличии, поставок нет
6 0335837

Пластина, Рама, front, 25. TJ25ELE (PLATE, Frame, front, 25. TJ25ELE)

нет в наличии, поставок нет
6 0337614

Пластина, Рама, front. 30EE-3OELE (PLATE, Frame, front. 30EE-3OELE)

нет в наличии, поставок нет
7 0554355

Заклёпка (RIVET)

нет в наличии, поставок нет
7 0544355

   (последний код) RIVET

нет в наличии, поставок нет
8 0207863

Рама, Front. 20EE-20ELE 25EE-25ELE 30EE-3OELE (FRAME, Front. 20EE-20ELE 25EE-25ELE 30EE-3OELE)

нет в наличии, поставок нет
8 0206660

   (последний код) APPLIQUE

нет в наличии, поставок нет
8 0335032

Рама, Front. TJ25ELE (FRAME, Front. TJ25ELE)

нет в наличии, поставок нет
9 0316225

Резинка капота двигателя (SEAL, Engine cover)

нет в наличии, поставок нет
9 0326487

   (последний код) SEAL

нет в наличии, поставок нет
10 0211274

SOUND BLANKET, Stbd. (SOUND BLANKET, Stbd.)

нет в наличии, поставок нет
10 0341524

   (последний код) BLANKET,SOUND

нет в наличии, поставок нет
11 0317223

Гайка, Push-on (NUT, Push-on)

нет в наличии, поставок нет
12 0338054

Рама, Rear. 20EE-20ELE 25EE-25ELE 30EE-3OELE (FRAME, Rear. 20EE-20ELE 25EE-25ELE 30EE-3OELE)

нет в наличии, поставок нет
12 0335041

Рама, Rear. TJ25ELE (FRAME, Rear. TJ25ELE)

нет в наличии, поставок нет
13 0337607

Пластина, Рама, rear, 20. 20EE-20ELE (PLATE, Frame, rear, 20. 20EE-20ELE)

нет в наличии, поставок нет
13 0337611

Пластина, Рама, rear, 25. 25EE-25ELE (PLATE, Frame, rear, 25. 25EE-25ELE)

нет в наличии, поставок нет
13 0336673

Пластина, Рама, rear, 25. TJ25ELE (PLATE, Frame, rear, 25. TJ25ELE)

нет в наличии, поставок нет
13 0337615

Пластина, Рама, rear, 30. 30EE-3OELE (PLATE, Frame, rear, 30. 30EE-3OELE)

нет в наличии, поставок нет
16 0334528

Винт, Рама mtg., rear (SCREW, Frame mtg., rear)

нет в наличии, поставок нет
17 0211276

SOUND BLANKET, Front (SOUND BLANKET, Front)

нет в наличии, поставок нет
17 0341526

   (последний код) BLANKET,SOUND

нет в наличии, поставок нет
18 0211273

SOUND BLANKET, Top (SOUND BLANKET, Top)

нет в наличии, поставок нет
18 0341523

   (последний код) BLANKET,SOUND

нет в наличии, поставок нет
19 0211275

SOUND BLANKET, Port (SOUND BLANKET, Port)

нет в наличии, поставок нет
19 0341525

   (последний код) BLANKET,SOUND

нет в наличии, поставок нет
20 0378347

Шнур стартера (STARTER ROPE)

нет в наличии, поставок нет
21 0435617

Комплект наклеек. 20EE-20ELE (DECAL SET. 20EE-20ELE)

нет в наличии, поставок нет
21 0435616

   (последний код) DECAL AY,SET JO

нет в наличии, поставок нет
21 0435620

Комплект наклеек. Use 435618 для 92 / 93 25 hp и 435622 для 92 / 93 30 hp. (DECAL SET. Use 435618 for 92/93 25 hp and 435622 for 92/93 30 hp.)

нет в наличии, поставок нет
21 0435195

Комплект наклеек. TJ25ELE (DECAL SET. TJ25ELE)

нет в наличии, поставок нет
evinrude

Время выполнения запроса 1.6892719268799 сек.


 
 

данный сайт носит информационный характер и не является публичной офертой

склад запчастей для водомоторной техники