вконтакте

Контактный телефон: +7 (981) 121-46-93, +7 (800) 200-90-76 , Email: parts-katalog@yandex.ru, где купить

 
 

  Логин:

Пароль:

Регистрация

www.partskatalog.ru Все каталоги Запчасти Mercury Запчасти Suzuki Запчасти Tohatsu Запчасти Honda Контакты



УВАЖАЕМЫЕ КЛИЕНТЫ!
C 31 ОКТЯБРЯ 2025 ПО 10 НОЯБРЯ 2025 ГОДА РАБОТАТЬ НЕ БУДЕМ




Все разделы каталога запчастей на этот двигатель

назад Раздел:   вперёд

вернуться к списку узлов и деталей

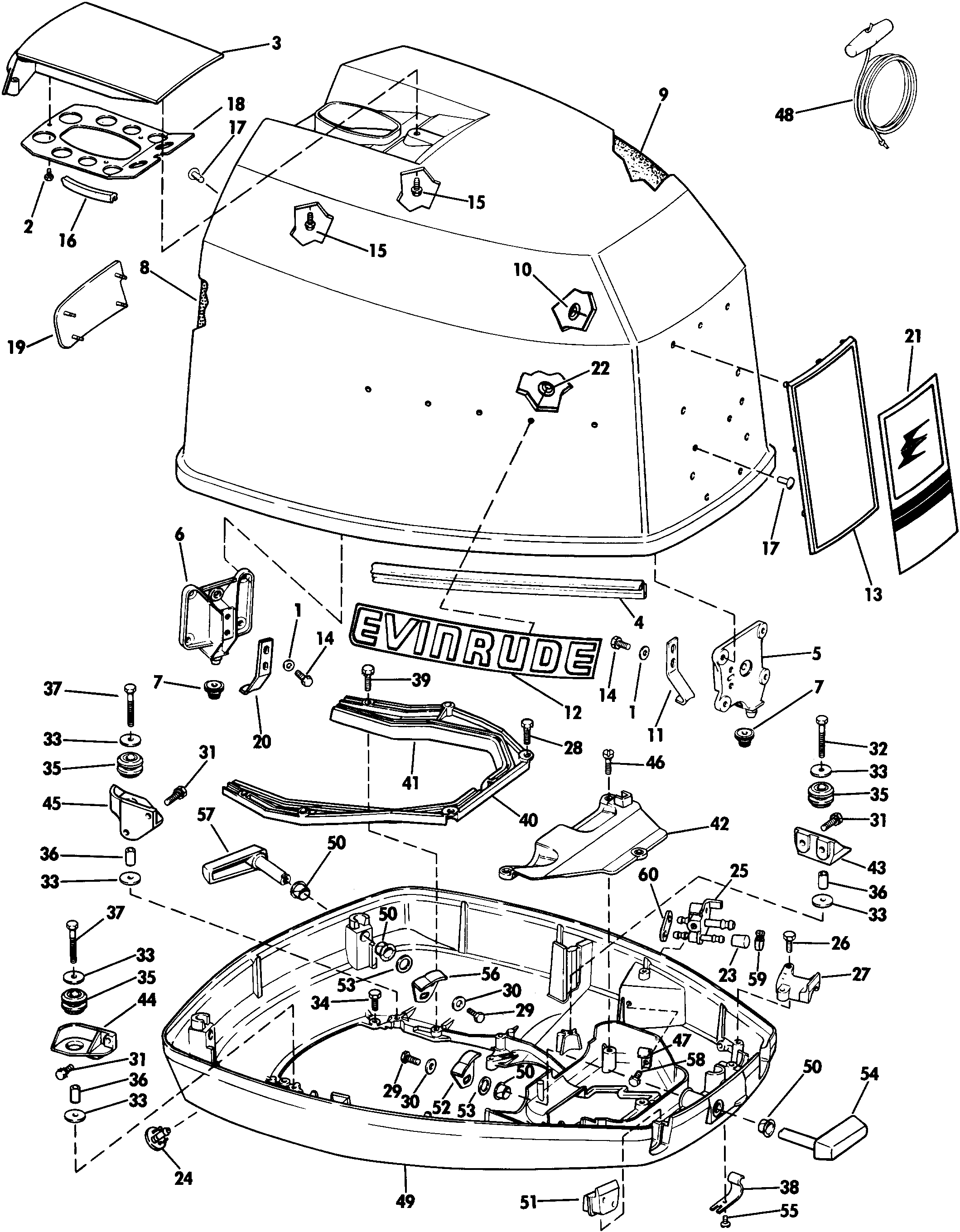
ДЕТАЛИРОВКА ДЛЯ МОДЕЛИ: EVINRUDE E155WTXEIB 1991

НИЖНЯЯ КРЫШКА ДВИГАТЕЛЯ | LOWER ENGINE COVER;


Лодочный мотор EVINRUDE E155WTXEIB 1991  - wer Engine Cover - wer Крышка двигателя (капот)

Номер на
рисунке
АртикулНаименованиеКол-во
на складе
Цена
1 0908159

Винт, Топливный коннектор (SCREW, Fuel connector)

нет в наличии, поставок нет
1 0328728

   (последний код) SCREW

нет в наличии, поставок нет
2 0320521

Пыльник, Нижняя крышка двигателя (GROMMET, Lower engine cover)

нет в наличии, поставок нет
3 0394309

Топливный коннектор (FUEL CONNECTOR)

нет в наличии, поставок нет
4 0302325

Винт зажима (SCREW, Clamp)

нет в наличии, поставок нет
5 0318849

Струбцина, Instrument Кабели (CLAMP, Instrument cable)

нет в наличии, поставок нет
5 0206318

   (последний код) CLAMP

нет в наличии, поставок нет
6 0328695

Винт, Рама, front (SCREW, Frame, front)

нет в наличии, поставок нет
6 0323480

   (последний код) SCREW

нет в наличии, поставок нет
7 0912127

Винт, Handle to latch (SCREW, Handle to latch)

нет в наличии, поставок нет
8 0328703

Шайба, Винт (WASHER, Screw)

нет в наличии, поставок нет
8 3852184

   (последний код) WASHER

нет в наличии, поставок нет
9 0328695

Винт, Sвышеports (SCREW, Supports)

нет в наличии, поставок нет
9 0323480

   (последний код) SCREW

нет в наличии, поставок нет
10 0328700

Шайба, Крепление large (WASHER, Mount large)

нет в наличии, поставок нет
10 0331250

   (последний код) WASHER

нет в наличии, поставок нет
11 0328694

Винт, Нижняя часть корпуса (SCREW, Lower cover)

нет в наличии, поставок нет
11 0911122

   (последний код) SCREW

нет в наличии, поставок нет
12 0316354

Пыльник крышки двигателя (GROMMET, Engine cover)

нет в наличии, поставок нет
12 0302405

   (последний код) GROMMET

нет в наличии, поставок нет
13 0302406

Гильза, Крепление (SLEEVE, Mount)

нет в наличии, поставок нет
14 0303398

Винт, Креплениеs (SCREW, Mounts)

нет в наличии, поставок нет
14 0330119

   (последний код) SCREW

нет в наличии, поставок нет
15 0333739

Фиксатор, Fuel line (RETAINER, Fuel line)

нет в наличии, поставок нет
15 0329610

   (последний код) RETAINER-FUE

нет в наличии, поставок нет
16 0302325

Винт, Рама (SCREW, Frame)

нет в наличии, поставок нет
17 0327668

Рама в сборе. (FRAME ASSY.)

нет в наличии, поставок нет
18 0911102

Сальник, Рама (SEAL, Frame)

нет в наличии, поставок нет
18 0910860

   (последний код) SEAL

нет в наличии, поставок нет
19 0333092

Пластина в сборе., Сальник (PLATE ASSY., Seal)

нет в наличии, поставок нет
20 0315111

SвышеPORT, Front sides (SUPPORT, Front sides)

нет в наличии, поставок нет
21 0315113

SвышеPORT, Stbd. rear (SUPPORT, Stbd. rear)

нет в наличии, поставок нет
22 0315112

SвышеPORT, Port rear (SUPPORT, Port rear)

нет в наличии, поставок нет
23 0328695

Винт, Пластина (SCREW, Plate)

нет в наличии, поставок нет
23 0323480

   (последний код) SCREW

нет в наличии, поставок нет
25 0434288

Крышка двигателя (капот), нижний (ENGINE COVER, Lower)

нет в наличии, поставок нет
25 0432658

   (последний код) COVER AY,MOTOR-LWR

нет в наличии, поставок нет
26 0313607

LUBE FITTING (LUBE FITTING)

нет в наличии, поставок нет
26 3852121

   (последний код) FITTING,LUB

нет в наличии, поставок нет
27 0320834

Пыльник (GROMMET)

нет в наличии, поставок нет
28 0323170

Крючок спереди и stbd. rear (HOOK, Front and stbd. rear)

нет в наличии, поставок нет
28 0315178

   (последний код) HOOK

нет в наличии, поставок нет
29 0300234

Шайба, Винт (WASHER, Screw)

нет в наличии, поставок нет
30 0395757

LATCH HANDLE в сборе., Front (LATCH HANDLE ASSY., Front)

нет в наличии, поставок нет
31 0328724

Винт, Фиксатор (SCREW, Retainer)

нет в наличии, поставок нет
31 3852186

   (последний код) SCREW

нет в наличии, поставок нет
32 0323169

Крючок, Rear port (HOOK, Rear port)

нет в наличии, поставок нет
32 0315177

   (последний код) HOOK

нет в наличии, поставок нет
33 0395758

LATCH HANDLE в сборе., Rear (LATCH HANDLE ASSY., Rear)

нет в наличии, поставок нет
33 0383685

   (последний код) LATCH & SHAFT

нет в наличии, поставок нет
34 0315391

Заглушка, Ниппель (PLUG, Nipple)

нет в наличии, поставок нет
35 0320107

Крепёжный хомут, Ниппель (TIE STRAP, Nipple)

нет в наличии, поставок нет
35 5035626

   (последний код) BAND,REM CON

нет в наличии, поставок нет
36 0308532

Втулка, Latch Рычаг (BUSHING, Latch lever)

нет в наличии, поставок нет
36 0122475

   (последний код) BUSHING

нет в наличии, поставок нет
37 0331533

Сальник, Топливный коннектор (SEAL, Fuel connector)

нет в наличии, поставок нет
38 0333091

Сальник, Передняя крышка (SEAL, Front cover)

нет в наличии, поставок нет
39 0982115

Струбцина топливного шланга (CLAMP, Fuel hose)

нет в наличии, поставок нет
40 0336526

Заглушка, Крышка (PLUG, Cover)

нет в наличии, поставок нет
evinrude

Время выполнения запроса 2.558168888092 сек.


 
 

данный сайт носит информационный характер и не является публичной офертой

склад запчастей для водомоторной техники