вконтакте

Контактный телефон: +7 (981) 121-46-93, +7 (800) 200-90-76 , Email: parts-katalog@yandex.ru, где купить

 
 

  Логин:

Пароль:

Регистрация

www.partskatalog.ru Все каталоги Запчасти Mercury Запчасти Suzuki Запчасти Tohatsu Запчасти Honda Контакты



УВАЖАЕМЫЕ КЛИЕНТЫ!
C 19 ДЕКАБРЯ 2025 ПО 02 МАРТА 2026 ГОДА ОТДЕЛ ЗАПЧАСТЕЙ И СЕРВИС РАБОТАТЬ НЕ БУДУТ
ПРОДАЖА ЛОДОЧНЫХ МОТОРОВ В ШТАТНОМ РЕЖИМЕ
ОБ ИЗМЕНЕНИЯХ В ГРАФИКЕ РАБОТЫ ЧИТАЙТЕ НА САЙТА




Все разделы каталога запчастей на этот двигатель

назад Раздел:   вперёд

вернуться к списку узлов и деталей

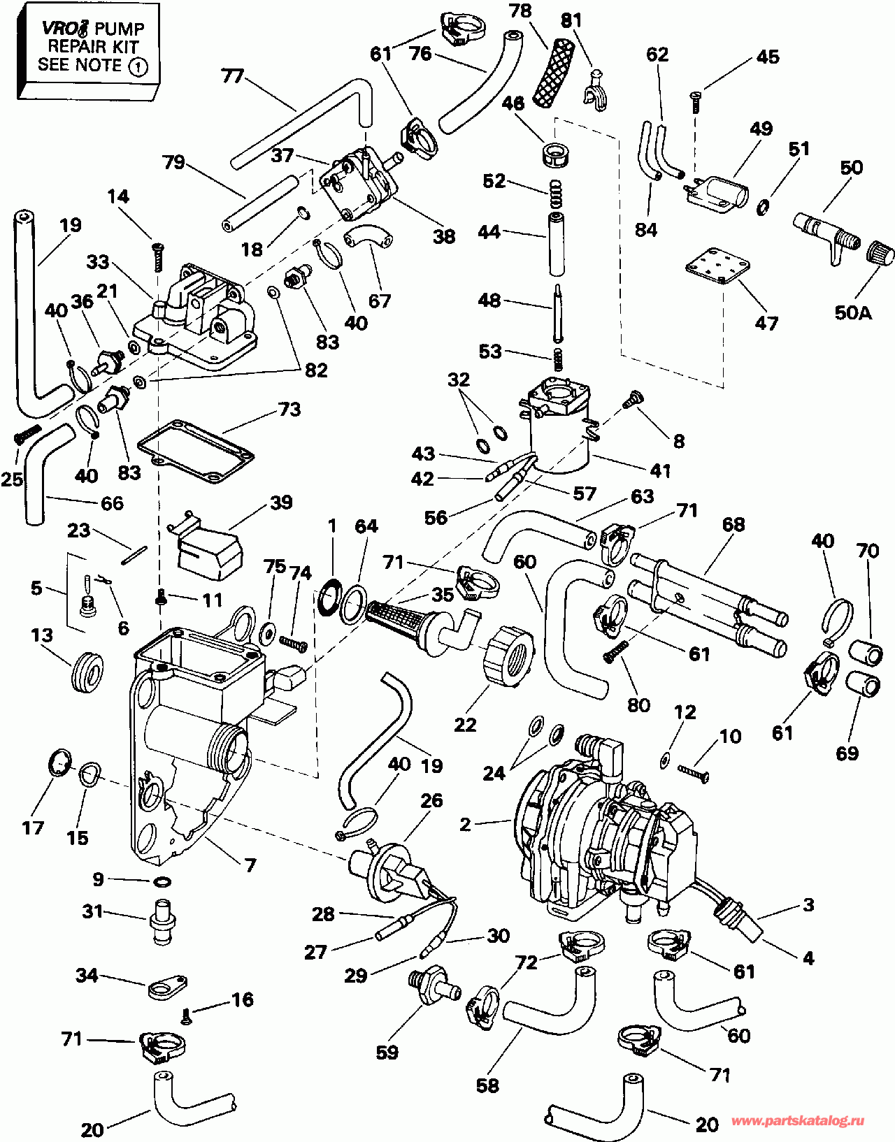
ДЕТАЛИРОВКА ДЛЯ МОДЕЛИ: EVINRUDE VE150EXEIS 1991

FUEL КРОНШТЕЙН & COMPONENTS | FUEL BRACKET & COMPONENTS;


Двигатель EVINRUDE VE150EXEIS 1991  - el Bracket & Components

Номер на
рисунке
АртикулНаименованиеКол-во
на складе
Цена
1 0124369

Уплотнительное кольцо, Фильтр to Пароотделитель (O-RING, Filter to vapor separator)

нет в наличии, поставок нет
2 0174955

Топливный насос в сборе., VRO2. See Вспомогательные компоненты Catalog для Ремонтный комплект Part Numbers (FUEL PUMP ASSY., VRO2. See Accessory Parts Catalog for Repair Kit Part Numbers)

нет в наличии, поставок нет
2 5007420

   (последний код) KIT AY,F PUMP&LMTR

нет в наличии, поставок нет
3 0512749

Коннектор (CONNECTOR)

нет в наличии, поставок нет
3 3852241

   (последний код) CONN,4-SKT-P

нет в наличии, поставок нет
4 0581656

SOCKET (SOCKET)

нет в наличии, поставок нет
4 3852257

   (последний код) TERMINAL AY,SCKT

нет в наличии, поставок нет
5 0396521

Клапан поплавка в сборе., Пароотделитель (FLOAT VALVE ASSY., Vapor separator)

нет в наличии, поставок нет
5 0678882

   (последний код) VALVE-&-SEAT

нет в наличии, поставок нет
6 0336842

Пружина Зажим (SPRING CLIP)

нет в наличии, поставок нет
6 0603145

   (последний код) CLIP

нет в наличии, поставок нет
7 0335240

Кронштейн, Fuel components (BRACKET, Fuel components)

нет в наличии, поставок нет
8 0315656

Винт, Primer solenoid to brkt. (SCREW, Primer solenoid to brkt.)

нет в наличии, поставок нет
9 0333639

Уплотнительное кольцо, Vapor sep. Ниппель to brkt. (O-RING, Vapor sep. nipple to brkt.)

нет в наличии, поставок нет
10 0328649

Винт, Помпа to Кронштейн (SCREW, Pump to bracket)

нет в наличии, поставок нет
10 0337541

   (последний код) SCREW

нет в наличии, поставок нет
11 0326164

Винт, Hinge Штифт to separator (SCREW, Hinge pin to separator)

нет в наличии, поставок нет
12 0328735

Шайба, Винт, Помпа to brkt. (WASHER, Screw, pump to brkt.)

нет в наличии, поставок нет
12 3852188

   (последний код) WASHER

нет в наличии, поставок нет
13 0329518

Пыльник, Кронштейн to pwhd. (GROMMET, Bracket to pwhd.)

нет в наличии, поставок нет
13 3852195

   (последний код) GROMMET

нет в наличии, поставок нет
14 0328649

Винт, Separator to Кронштейн (SCREW, Separator to bracket)

нет в наличии, поставок нет
14 0337541

   (последний код) SCREW

нет в наличии, поставок нет
15 0909678

Уплотнительное кольцо, Стопорное кольцо, vacuum ay. (O-RING, Retaining ring, vacuum ay.)

нет в наличии, поставок нет
16 0326164

Винт, Ниппель Фиксатор to brkt. (SCREW, Nipple retainer to brkt.)

нет в наличии, поставок нет
17 0330523

Стопорное кольцо, Vacuum ay. (RETAINING RING, Vacuum ay.)

нет в наличии, поставок нет
18 0332437

Уплотнительное кольцо, Vapor Помпа to sep. Крышка (O-RING, Vapor pump to sep. cover)

нет в наличии, поставок нет
19 0

Шланг, Vapor sep. to vacuum Переключатель, 5 1 / 2". сокращёная длина from 327228 - 5 / 32 дюйм I.D., 25 фут (7, 6m) Roll (HOSE, Vapor sep. to vacuum switch, 5 1/2". Cut to Length from 327228 - 5/32 in. I.D., 25 ft. (7,6m) Roll)

нет в наличии, поставок нет
20 0334132

Шланг, Vapor sep. to Помпа ay. (HOSE, Vapor sep. to pump ay.)

нет в наличии, поставок нет
21 0332437

Уплотнительное кольцо, Vapor sep. vacuum Ниппель (O-RING, Vapor sep. vacuum nipple)

нет в наличии, поставок нет
22 0335112

Гайка, Топливный фильтр (NUT, Fuel filter)

нет в наличии, поставок нет
23 0336650

Штифт, Vapor Поплавок ay. (PIN, Vapor float ay.)

нет в наличии, поставок нет
24 0335230

Уплотнительное кольцо, Топливный насос to Крышка (O-RING, Fuel pump to cover)

нет в наличии, поставок нет
25 0335229

Винт, Vapor Помпа to Крышка (SCREW, Vapor pump to cover)

нет в наличии, поставок нет
25 0337540

   (последний код) SCREW

нет в наличии, поставок нет
26 0433409

VACUUM Переключатель AY. (VACUUM SWITCH AY.)

нет в наличии, поставок нет
26 0586544

   (последний код) KIT AY,VAC SWITCH

нет в наличии, поставок нет
27 0512876

Клемма, Socket (TERMINAL, Socket)

нет в наличии, поставок нет
27 3852244

   (последний код) TERMINAL,SOC

нет в наличии, поставок нет
28 0513186

Гильза (SLEEVE)

нет в наличии, поставок нет
28 3852248

   (последний код) SLEEVE,SKT-B

нет в наличии, поставок нет
29 0512947

Клемма BULLET (TERMINAL BULLET)

нет в наличии, поставок нет
29 0910462

   (последний код) TERM.-60766-

нет в наличии, поставок нет
30 0513185

Гильза (SLEEVE)

нет в наличии, поставок нет
30 0512948

   (последний код) SLEEVE

нет в наличии, поставок нет
31 0335234

Ниппель, Vapor sep. выход (NIPPLE, Vapor sep. outlet)

нет в наличии, поставок нет
32 0335231

Уплотнительное кольцо, Primer solenoid to brkt. (O-RING, Primer solenoid to brkt.)

нет в наличии, поставок нет
33 0335385

Крышка пароотделителя (COVER, Vapor separator)

нет в наличии, поставок нет
34 0335685

Фиксатор, выход Ниппель to brkt. (RETAINER, Outlet nipple to brkt.)

нет в наличии, поставок нет
35 0433190

Топливный фильтр AY. (FUEL FILTER AY.)

нет в наличии, поставок нет
36 0326467

Ниппель, Vapor sep., vacuum pick-выше (NIPPLE, Vapor sep., vacuum pick-up)

нет в наличии, поставок нет
36 0335235

   (последний код) NIPPLE

нет в наличии, поставок нет
37 0433352

Помпа AY., Vapor (PUMP AY., Vapor)

нет в наличии, поставок нет
38 0331307

Диафрагма, Main (DIAPHRAGM, Main)

1 шт360 руб.
38 0312617

   (последний код) DIAPHRAGM

1 шт280 руб.
39 0433410

Поплавок & Рычаг AY., Vapor sep. (FLOAT & ARM AY., Vapor sep.)

нет в наличии, поставок нет
40 0320107

Крепёжный хомут (TIE STRAP)

нет в наличии, поставок нет
40 5035626

   (последний код) BAND,REM CON

нет в наличии, поставок нет
41 0433374

Соленоид, в сборе., Primer (SOLENOID ASSY., Primer)

нет в наличии, поставок нет
41 0437232

   (последний код) SOLENOID AY,PRIMER

нет в наличии, поставок нет
42 0512947

Клемма, Bullet (TERMINAL, Bullet)

нет в наличии, поставок нет
42 0910462

   (последний код) TERM.-60766-

нет в наличии, поставок нет
43 0513185

Гильза (SLEEVE)

нет в наличии, поставок нет
43 0512948

   (последний код) SLEEVE

нет в наличии, поставок нет
44 0511809

Плунжер (PLUNGER)

нет в наличии, поставок нет
45 0330121

Винт, Крышка to Корпус (SCREW, Cover to housing)

нет в наличии, поставок нет
45 0326186

   (последний код) SCREW

нет в наличии, поставок нет
46 0332365

Фильтр, Клапан Корпус (FILTER, Valve housing)

нет в наличии, поставок нет
46 0511811

   (последний код) FILTER

нет в наличии, поставок нет
47 0333448

Прокладка, Корпус (GASKET, Housing)

нет в наличии, поставок нет
47 0511810

   (последний код) VALVE-SEAT

нет в наличии, поставок нет
48 0333447

Клапан, Плунжер (VALVE, Plunger)

нет в наличии, поставок нет
48 0511988

   (последний код) VALVE

нет в наличии, поставок нет
49 0511807

Крышка, Solenoid (COVER, Solenoid)

нет в наличии, поставок нет
49 0437228

   (последний код) COVER&GASKET AY

нет в наличии, поставок нет
50 0175158

Рычаг & Клапан AY. (LEVER & VALVE AY.)

нет в наличии, поставок нет
50A 0126341

Колпачок Клапан (CAP VALVE)

нет в наличии, поставок нет
51 0331365

Уплотнительное кольцо, Ручной клапан (O-RING, Manual valve)

нет в наличии, поставок нет
51 0326721

   (последний код) O-RING

нет в наличии, поставок нет
52 0511986

Пружина клапана (SPRING, Valve)

нет в наличии, поставок нет
53 0511987

Пружина, Плунжер (SPRING, Plunger)

нет в наличии, поставок нет
56 0512876

Клемма, Socket (TERMINAL, Socket)

нет в наличии, поставок нет
56 3852244

   (последний код) TERMINAL,SOC

нет в наличии, поставок нет
57 0513186

Гильза (SLEEVE)

нет в наличии, поставок нет
57 3852248

   (последний код) SLEEVE,SKT-B

нет в наличии, поставок нет
58 0333407

Шланг, Pulse (HOSE, Pulse)

нет в наличии, поставок нет
58 0326597

   (последний код) HOSE

нет в наличии, поставок нет
59 0174404

PULSE LIMITER (PULSE LIMITER)

нет в наличии, поставок нет
59 0435009

   (последний код) PULSE LMTR-W/THRDS

нет в наличии, поставок нет
60 0336128

Топливный шланг conn. to Помпа (HOSE, Fuel conn. to pump)

нет в наличии, поставок нет
61 0322654

Струбцина (CLAMP)

нет в наличии, поставок нет
61 3852172

   (последний код) CLAMP,SNAP

нет в наличии, поставок нет
62 0

Шланг, Primer solenoid to port primer Ниппельs, 10 1 / 2". сокращёная длина from 327229 - 0.0575 дюйм I.D., 25 фут (7, 6m) Roll (HOSE, Primer solenoid to port primer nipples, 10 1/2". Cut to Length from 327229 - 0.0575 in. I.D., 25 ft. (7,6m) Roll)

нет в наличии, поставок нет
63 0336129

Топливный шланг conn.to Фильтр (HOSE, Fuel conn.to filter)

нет в наличии, поставок нет
64 0327270

Прокладка, Топливный фильтр (GASKET, Fuel filter)

нет в наличии, поставок нет
64 0329716

   (последний код) GASKET

нет в наличии, поставок нет
66 0336131

Шланг, Brkt. to stbd. Коллектор (HOSE, Brkt. to stbd. manifold)

нет в наличии, поставок нет
67 0336132

Шланг, Brkt. to port Коллектор (HOSE, Brkt. to port manifold)

нет в наличии, поставок нет
68 0335626

Ниппель, Fuel & oil (NIPPLE, Fuel & oil)

нет в наличии, поставок нет
69 0315391

Заглушка, Коннектор - oil (PLUG, Connector - oil)

нет в наличии, поставок нет
70 0331649

Заглушка, Коннектор - fuel (PLUG, Connector - fuel)

нет в наличии, поставок нет
71 0911616

Струбцина топливного фильтра (CLAMP, Fuel filter)

нет в наличии, поставок нет
71 3852529

   (последний код) CLAMP,SNAP

нет в наличии, поставок нет
72 0322652

Струбцина (CLAMP)

нет в наличии, поставок нет
72 3852170

   (последний код) CLAMP,SNAP

нет в наличии, поставок нет
73 0335236

Сальник, Vapor sep. to Кронштейн (SEAL, Vapor sep. to bracket)

нет в наличии, поставок нет
74 0335229

Винт, Кронштейн to crkc. Крышка (SCREW, Bracket to crkc. cover)

нет в наличии, поставок нет
74 0337540

   (последний код) SCREW

нет в наличии, поставок нет
75 0336316

Шайба, Винт, Кронштейн to Крышка (WASHER, Screw, bracket to cover)

нет в наличии, поставок нет
76 0336318

Шланг, Pulse, vapor Помпа to crkc. Крышка (HOSE, Pulse, vapor pump to crkc. cover)

нет в наличии, поставок нет
77 0

Шланг, Vapor Помпа to air Глушитель, 7 дюйм (178 мм) сокращёная длина from 335738 - 5 / 32 in I.D., 25 фут (7, 6m) Roll (HOSE, Vapor pump to air silencer, 7 in. (178mm). Cut to Length from 335738 - 5/32 in I.D., 25 ft. (7,6m) Roll)

нет в наличии, поставок нет
78 0513816

Гильза, Pulse Шланг (SLEEVE, Pulse hose)

нет в наличии, поставок нет
79 0

Шланг, Vapor Помпа to brg. vent Ниппель. сокращёная длина from 335802 - 7 / 64 дюйм I.D., 25 фут (7, 6m) Roll (HOSE, Vapor pump to brg. vent nipple. Cut to Length from 335802 - 7/64 in. I.D., 25 ft. (7,6m) Roll)

нет в наличии, поставок нет
80 0315656

Винт, Fuel & oil Ниппель to Фиксатор (SCREW, Fuel & oil nipple to retainer)

нет в наличии, поставок нет
81 0329661

Заглушка / Держатель (PLUG/HOLDER)

нет в наличии, поставок нет
82 0332437

Уплотнительное кольцо, Ниппель, Крышка to Коллектор (O-RING, Nipple, cover to manifold)

нет в наличии, поставок нет
83 0335233

Ниппель, Fuel выход (NIPPLE, Fuel outlet)

нет в наличии, поставок нет
83 0343576

   (последний код) NIPPLE

нет в наличии, поставок нет
84 0

Шланг, Primer solenoid to stbd. primer Ниппель, 14". сокращёная длина from 327229 - 0.0575 дюйм I.D., 25 фут (7, 6m) Roll (HOSE, Primer solenoid to stbd. primer nipple, 14". Cut to Length from 327229 - 0.0575 in. I.D., 25 ft. (7,6m) Roll)

нет в наличии, поставок нет
evinrude

Время выполнения запроса 2.6703197956085 сек.


 
 

данный сайт носит информационный характер и не является публичной офертой

склад запчастей для водомоторной техники