вконтакте

Контактный телефон: +7 (981) 121-46-93, +7 (800) 200-90-76 , Email: parts-katalog@yandex.ru, где купить

 
 

  Логин:

Пароль:

Регистрация

www.partskatalog.ru Все каталоги Запчасти Mercury Запчасти Suzuki Запчасти Tohatsu Запчасти Honda Контакты



УВАЖАЕМЫЕ КЛИЕНТЫ!
C 31 ОКТЯБРЯ 2025 ПО 10 НОЯБРЯ 2025 ГОДА РАБОТАТЬ НЕ БУДЕМ




Все разделы каталога запчастей на этот двигатель

назад Раздел:   вперёд

вернуться к списку узлов и деталей

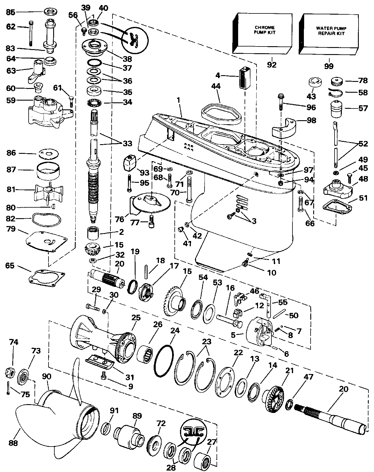
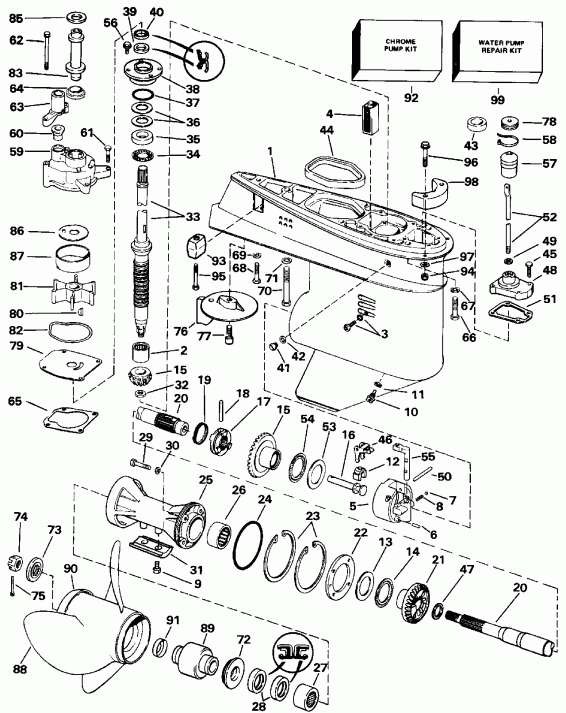
ДЕТАЛИРОВКА ДЛЯ МОДЕЛИ: EVINRUDE E45WMLEIA 1991

РЕДУКТОР | GEARCASE;


Подвесной лодочный мотор Evinrude E45WMLEIA 1991  - arcase / arcase

Номер на
рисунке
АртикулНаименованиеКол-во
на складе
Цена
0433063 0433063

Редуктор в сборе.. Not Shown 15 дюйм (381 мм) Models Only (GEARCASE ASSY.. Not Shown 15 in. (381mm) Models Only)

нет в наличии, поставок нет
0433064 0433064

Редуктор в сборе.. Not Shown 20 дюйм (508 мм) Models Only (GEARCASE ASSY.. Not Shown 20 in. (508mm) Models Only)

нет в наличии, поставок нет
0433064 0436725

   (последний код) GEARCASE-AY,

нет в наличии, поставок нет
1 0392478

Редуктор в сборе с подшипником. (GEARCASE & BEARING ASSY.)

нет в наличии, поставок нет
1 5005458

   (последний код) GEARCASE&BRG AY

нет в наличии, поставок нет
2 0382343

Подшипник, Шестерня (BEARING, Pinion)

нет в наличии, поставок нет
3 0324852

RETAINING Винт & Сальник (RETAINING SCREW & SEAL)

нет в наличии, поставок нет
0332584 0332584

Шайба, Кольцевой сальник. Not Shown (WASHER, Seal ring. Not Shown)

нет в наличии, поставок нет
4 0314175

Водяной экран Система впуска (SCREEN, Water intake)

нет в наличии, поставок нет
5 0436240

Подшипник Корпус в сборе. (BEARING HOUSING ASSY.)

нет в наличии, поставок нет
5 0391365

   (последний код) BRG HOUSING AY

нет в наличии, поставок нет
6 0331880

Штифт, Корпус to Редуктор (PIN, Housing to gearcase)

нет в наличии, поставок нет
7 0327345

Шарик, Detent (BALL, Detent)

нет в наличии, поставок нет
8 0911961

Фиксатор пружины (SPRING, Detent)

нет в наличии, поставок нет
9 0908158

Винт, Анод (SCREW, Anode)

нет в наличии, поставок нет
9 3852050

   (последний код) SCREW

нет в наличии, поставок нет
10 0318544

Винт, Fill & drain Заглушка, нижний (SCREW, Fill & drain plug, lower)

нет в наличии, поставок нет
10 0912624

   (последний код) SCREW

нет в наличии, поставок нет
11 0333572

Уплотнительное кольцо (O-RING)

нет в наличии, поставок нет
11 3855081

   (последний код) 0-RING

нет в наличии, поставок нет
12 0334163

CRADLE, Переключательer (CRADLE, Shifter)

5 шт1880 руб.
12 0322900

   (последний код) CRADLE-SHIFT

нет в наличии, поставок нет
13 0313447

Упорная шайба (THRUST WASHER)

нет в наличии, поставок нет
14 0382408

THRUST Подшипник (THRUST BEARING)

нет в наличии, поставок нет
15 0398522

Шестерня SET, дляward (GEAR SET, Forward)

нет в наличии, поставок нет
15 0398523

   (последний код) GEARSET-&-TA

нет в наличии, поставок нет
16 0326668

Переключающий вал dog (SHAFT, Shift dog)

нет в наличии, поставок нет
17 0318303

Переключатель собачки сцепления (SHIFTER, Clutch dog)

нет в наличии, поставок нет
18 0313448

Штифт сцепления dog (PIN, Clutch dog)

нет в наличии, поставок нет
19 0324369

Пружина, Сцепление dog Штифт (SPRING, Clutch dog pin)

нет в наличии, поставок нет
19 0313454

   (последний код) SPRING

нет в наличии, поставок нет
20 0385558

Вал гребного винта в сборе. (PROPELLER SHAFT ASSY.)

нет в наличии, поставок нет
20 0439153

   (последний код) SHAFT AY,PROPELLER

нет в наличии, поставок нет
21 0318353

Шестерня обратного хода (GEAR, Reverse)

1 шт46100 руб.
22 0313453

Фиксатор Пластина, Подшипник hsg. (RETAINER PLATE, Bearing hsg.)

нет в наличии, поставок нет
23 0313445

Стопорное кольцо (RETAINING RING)

нет в наличии, поставок нет
24 0313446

Уплотнительное кольцо, Подшипник Корпус (O-RING, Bearing housing)

нет в наличии, поставок нет
25 0434391

Подшипник Корпус в сборе. (BEARING HOUSING ASSY.)

нет в наличии, поставок нет
25 0397188

   (последний код) BRG-HSG ASSY

нет в наличии, поставок нет
26 0382407

Игольчатый подшипник в сборе. (NEEDLE BEARING ASSY.)

1 шт5500 руб.
27 0379504

Игольчатый подшипник в сборе. (NEEDLE BEARING ASSY.)

нет в наличии, поставок нет
28 0330137

Сальник (SEAL)

17 шт3700 руб.
28 0321668

   (последний код) SEAL-CRNKSHF

нет в наличии, поставок нет
28 T-0330137

   (не оригинальный аналог) Сальник редуктора OMC/Johnson/Evinrude 0330137

под заказ штпо запросу
29 0320041

Винт, Hsg. to Редуктор (SCREW, Hsg. to gearcase)

нет в наличии, поставок нет
29 0316564

   (последний код) SCREW BRG HSG

нет в наличии, поставок нет
30 0332584

Сальник (SEAL)

нет в наличии, поставок нет
31 0431708

Анод, Подшипник Корпус (ANODE, Bearing housing)

нет в наличии, поставок нет
31 0397111

   (последний код) ANODE-AY

нет в наличии, поставок нет
32 0313339

Гайка, Шестерня to driveВал (NUT, Pinion to driveshaft)

нет в наличии, поставок нет
33 0433058

Приводной вал.. 15 дюйм (381 мм) Models Only (DRIVESHAFT ASSY.. 15 in. (381mm) Models Only)

нет в наличии, поставок нет
33 0436723

   (последний код) DRIVESHAFT AY,15"

нет в наличии, поставок нет
33 0433059

Приводной вал.. 20 дюйм (508 мм) Models Only (DRIVESHAFT ASSY.. 20 in. (508mm) Models Only)

нет в наличии, поставок нет
33 0436724

   (последний код) D/SHFT 20 45/55/94

нет в наличии, поставок нет
34 0385068

THRUST Подшипник в сборе. (THRUST BEARING ASSY.)

1 шт7500 руб.
35 0317230

Упорная шайба (THRUST WASHER)

нет в наличии, поставок нет
36 0323889

Регулировочная шайба, 0.003 дюйм (0, 07 мм) (SHIM, 0.003 in. (0,07mm))

нет в наличии, поставок нет
36 0323890

Регулировочная шайба, 0.004 дюйм (0, 10 мм) (SHIM, 0.004 in. (0,10mm))

нет в наличии, поставок нет
36 0317232

Регулировочная шайба, 0.005 дюйм (0.12 мм) (SHIM, 0.005 in. (0.12mm))

нет в наличии, поставок нет
37 0313754

Уплотнительное кольцо, Подшипник Корпус (O-RING, Bearing housing)

нет в наличии, поставок нет
38 0395006

Подшипник Корпус в сборе. (BEARING HOUSING ASSY.)

нет в наличии, поставок нет
38 0435519

   (последний код) HOUSING AY,BEAR

нет в наличии, поставок нет
39 0321459

Сальник, Корпус, нижний (SEAL, Housing, lower)

10 шт1980 руб.
39 0315882

   (последний код) -OIL-RETAINE

нет в наличии, поставок нет
40 0330327

Сальник, Корпус, верхний (SEAL, Housing, upper)

нет в наличии, поставок нет
41 0307551

Винт, Fill & drain Заглушка, верхний (SCREW, Fill & drain plug, upper)

нет в наличии, поставок нет
41 0982851

   (последний код) SCREW-PLUG

нет в наличии, поставок нет
42 0333572

Уплотнительное кольцо (O-RING)

нет в наличии, поставок нет
42 3855081

   (последний код) 0-RING

нет в наличии, поставок нет
43 0305762

Кольцевой сальник. 15 дюйм (381 мм) Models Only (SEAL RING. 15 in. (381mm) Models Only)

нет в наличии, поставок нет
44 0324937

Сальник, Редуктор to inner exh. hsg (SEAL, Gearcase to inner exh. hsg)

нет в наличии, поставок нет
44 0313656

   (последний код) SEAL

нет в наличии, поставок нет
45 0302325

Винт, Крышка to Редуктор (SCREW, Cover to gearcase)

нет в наличии, поставок нет
46 0324037

Рычаг переключателя (LEVER, Shift)

8 шт3700 руб.
47 0316484

Упорная шайба, Переключательer (THRUST WASHER, Shifter)

нет в наличии, поставок нет
48 0387336

Крышка в сборе (COVER ASSY.)

нет в наличии, поставок нет
48 0386921

   (последний код) COVER

нет в наличии, поставок нет
49 0318372

Уплотнительное кольцо, Переключающая тяга (O-RING, Shift rod)

нет в наличии, поставок нет
50 0320145

Штифт рычага to hsg. (PIN, Lever to hsg.)

нет в наличии, поставок нет
50 0323945

   (последний код) PIN-SHIFTER

нет в наличии, поставок нет
51 0314082

Прокладка крышки to gcase (GASKET, Cover to gcase)

12 шт650 руб.
51 0320312

   (последний код) GASKET

нет в наличии, поставок нет
52 0327366

Переключающая тяга. 15 дюйм (381 мм) Models Only (SHIFT ROD. 15 in. (381mm) Models Only)

нет в наличии, поставок нет
52 0320132

   (последний код) SHIFT-ROD-ST

нет в наличии, поставок нет
52 0327367

Переключающая тяга. 20 дюйм (508 мм) Models Only (SHIFT ROD. 20 in. (508mm) Models Only)

нет в наличии, поставок нет
52 0320133

   (последний код) SHIFT-ROD-LO

нет в наличии, поставок нет
53 0324766

Упорная шайба, дляward Шестерня (THRUST WASHER, Forward gear)

нет в наличии, поставок нет
54 0385043

THRUST Подшипник, дляward Шестерня (THRUST BEARING, Forward gear)

нет в наличии, поставок нет
54 3852221

   (последний код) BEARING-AY,T

нет в наличии, поставок нет
55 0330701

DETENT, Переключательer (DETENT, Shifter)

нет в наличии, поставок нет
56 0909386

Винт, Hsg. to Редуктор (SCREW, Hsg. to gearcase)

нет в наличии, поставок нет
57 0317922

Сальник, Переключающая тяга. 20 дюйм (508 мм) Models Only (SEAL, Shift rod. 20 in. (508mm) Models Only)

нет в наличии, поставок нет
58 0320107

Крепёжный хомут, Сальник to Тяга. 20 дюйм (508 мм) Models Only (TIE STRAP, Seal to rod. 20 in. (508mm) Models Only)

нет в наличии, поставок нет
58 5035626

   (последний код) BAND,REM CON

нет в наличии, поставок нет
59 0384087

Крыльчатка Корпус. Also included in Ремкомплект водяного насоса 396933 (IMPELLER HOUSING. Also included in Water Pump Repair Kit 396933)

нет в наличии, поставок нет
60 0315837

Винт, Крыльчатка hsg., short. Also included in Ремкомплект водяного насоса 396933 (SCREW, Impeller hsg., short. Also included in Water Pump Repair Kit 396933)

нет в наличии, поставок нет
61 0302325

Винт, Крыльчатка hsg., short. Also included in Ремкомплект водяного насоса 396933 (SCREW, Impeller hsg., short. Also included in Water Pump Repair Kit 396933)

нет в наличии, поставок нет
62 0331980

Винт, Крыльчатка hsg., long. Also included in Ремкомплект водяного насоса 396933 (SCREW, Impeller hsg., long. Also included in Water Pump Repair Kit 396933)

нет в наличии, поставок нет
63 0315838

Кронштейн, Водяная трубка. Also included in Ремкомплект водяного насоса 396933 (BRACKET, Water tube. Also included in Water Pump Repair Kit 396933)

нет в наличии, поставок нет
64 0315748

Пыльник, Корпус. Also included in Ремкомплект водяного насоса 396933 (GROMMET, Housing. Also included in Water Pump Repair Kit 396933)

нет в наличии, поставок нет
64 0341732

   (последний код) GROMMET

1 шт160 руб.
65 0336530

Прокладка водяной помпы. Also included in Ремкомплект водяного насоса 396933 (GASKET, Water pump. Also included in Water Pump Repair Kit 396933)

2 шт90 руб.
66 0305282

Винт, Редуктор to hsg. 15 дюйм (381 мм) Models Only 20 дюйм (508 мм) Models Only (SCREW, Gearcase to hsg. 15 in. (381mm) Models Only 20 in. (508mm) Models Only)

нет в наличии, поставок нет
67 0302865

LOCKШайба. 15 дюйм (381 мм) Models Only 20 дюйм (508 мм) Models Only (LOCKWASHER. 15 in. (381mm) Models Only 20 in. (508mm) Models Only)

нет в наличии, поставок нет
67 0307708

   (последний код) LOCKWASHER

нет в наличии, поставок нет
68 0306503

Винт, Short. 15 дюйм (381 мм) Models Only 20 дюйм (508 мм) Models Only (SCREW, Short. 15 in. (381mm) Models Only 20 in. (508mm) Models Only)

нет в наличии, поставок нет
68 0316533

   (последний код) SCREW

нет в наличии, поставок нет
69 0306470

LOCKШайба, Short Винт (LOCKWASHER, Short screw)

нет в наличии, поставок нет
69 3852061

   (последний код) LOCKWASHER

нет в наличии, поставок нет
70 0313697

Винт, Long. 15 дюйм (381 мм) Models Only 20 дюйм (508 мм) Models Only (SCREW, Long. 15 in. (381mm) Models Only 20 in. (508mm) Models Only)

нет в наличии, поставок нет
70 0312697

   (последний код) SCREW

нет в наличии, поставок нет
71 0306314

LOCKШайба, Long Винт (LOCKWASHER, Long screw)

нет в наличии, поставок нет
72 0318841

Упорная втулка в сборе. (THRUST BUSHING ASSY.)

нет в наличии, поставок нет
72 0127084

   (последний код) BUSHING,THRUST

нет в наличии, поставок нет
73 0315810

Проставка, Prop. Гайка (SPACER, Prop. nut)

нет в наличии, поставок нет
74 0314503

Гайка гребного винта (NUT, Propeller)

нет в наличии, поставок нет
75 0314502

Шплинт, Prop, Гайка (COTTER PIN, Prop, nut)

нет в наличии, поставок нет
76 0328821

Пластина трима, Редуктор (TRIM TAB, Gearcase)

нет в наличии, поставок нет
76 0127466

   (последний код) TAB,TRIM

нет в наличии, поставок нет
77 0313715

Винт, Пластина трима (SCREW, Trim tab)

нет в наличии, поставок нет
78 0321452

Пыльник. 20 дюйм (508 мм) Models Only (GROMMET. 20 in. (508mm) Models Only)

нет в наличии, поставок нет
78 0318249

   (последний код) GROMMET

нет в наличии, поставок нет
79 0320981

Пластина корпуса крыльчатки. Stainless Steel Also included in Ремкомплект водяного насоса 396933 (PLATE, Impeller housing. Stainless Steel Also included in Water Pump Repair Kit 396933)

нет в наличии, поставок нет
79 0315745

   (последний код) -PLATE-IMP-H

нет в наличии, поставок нет
79 0316693

Пластина корпуса крыльчатки. хромированная пластина (PLATE, Impeller housing. Chrome Plated)

нет в наличии, поставок нет
80 0330619

Ключ, Крыльчатка to driveВал. Also included in Ремкомплект водяного насоса 396933 (KEY, Impeller to driveshaft. Also included in Water Pump Repair Kit 396933)

нет в наличии, поставок нет
80 0344470

   (последний код) KEY,IMPELLER-BLK

нет в наличии, поставок нет
81 0396809

Крыльчатка в сборе.. Also included in Ремкомплект водяного насоса 396933 (IMPELLER ASSY.. Also included in Water Pump Repair Kit 396933)

нет в наличии, поставок нет
81 0777214

   (последний код) IMPELLER

нет в наличии, поставок нет
82 0315788

Сальник, Крыльчатка Корпус. Also included in Ремкомплект водяного насоса 396933 (SEAL, Impeller housing. Also included in Water Pump Repair Kit 396933)

нет в наличии, поставок нет
86 0320776

Пластина корпуса крыльчатки. Stainless Steel Also included in Ремкомплект водяного насоса 396933 (PLATE, Impeller housing. Stainless Steel Also included in Water Pump Repair Kit 396933)

нет в наличии, поставок нет
86 0315746

Пластина корпуса крыльчатки. хромированная пластина (PLATE, Impeller housing. Chrome Plated)

нет в наличии, поставок нет
87 0320775

LINER, Крыльчатка Корпус. Stainless Steel Also included in Ремкомплект водяного насоса 396933 (LINER, Impeller housing. Stainless Steel Also included in Water Pump Repair Kit 396933)

нет в наличии, поставок нет
87 0315747

LINER, Крыльчатка Корпус. хромированная пластина (LINER, Impeller housing. Chrome Plated)

нет в наличии, поставок нет
88 0389792

Гребной винт, 14 x 11 - SST (PROPELLER, 14 x 11 - SST)

нет в наличии, поставок нет
88 0390115

   (последний код) SST-50HP-RED

нет в наличии, поставок нет
88 0390896

Гребной винт, 13 x 19 AL (PROPELLER, 13 x 19 AL)

нет в наличии, поставок нет
88 0765184

   (последний код) PROP AY,AL 13.2X19

нет в наличии, поставок нет
88 0383160

Гребной винт, 14 x 9 AL (PROPELLER, 14 x 9 AL)

нет в наличии, поставок нет
88 0763300

   (последний код) PROP AL,14 X 9

нет в наличии, поставок нет
88 0382761

Гребной винт, 14 x 11 AL (PROPELLER, 14 x 11 AL)

нет в наличии, поставок нет
88 0391668

Гребной винт, 14 x 13 AL (PROPELLER, 14 x 13 AL)

нет в наличии, поставок нет
88 0765181

   (последний код) PROP,AL 13.75X13

нет в наличии, поставок нет
88 0391198

Гребной винт, 13 3 / 4 x 15 AL (PROPELLER, 13 3/4 x 15 AL)

нет в наличии, поставок нет
88 0765182

   (последний код) PROP AY,AL 13.5X15

нет в наличии, поставок нет
88 0391199

Гребной винт, 13 1 / 4 x 17 AL (PROPELLER, 13 1/4 x 17 AL)

нет в наличии, поставок нет
88 0765183

   (последний код) PROP,AL 13.25X17

нет в наличии, поставок нет
88 0392261

Гребной винт, 13 3 / 4 x 13 - SST (PROPELLER, 13 3/4 x 13 - SST)

нет в наличии, поставок нет
88 0389949

Гребной винт, 13 3 / 4 x 15 - SST (PROPELLER, 13 3/4 x 15 - SST)

нет в наличии, поставок нет
88 0763929

   (последний код) VIPER V413.875X15

нет в наличии, поставок нет
88 0389788

Гребной винт, 12 3 / 4 x 21 AL (PROPELLER, 12 3/4 x 21 AL)

нет в наличии, поставок нет
88 0765185

   (последний код) PROP AY,AL 13.2X21

нет в наличии, поставок нет
88 0390895

Гребной винт, 12 3 / 4 x 23 AL (PROPELLER, 12 3/4 x 23 AL)

нет в наличии, поставок нет
88 0177150

   (последний код) PROP AY,12.75 X 23

нет в наличии, поставок нет
88 0389948

Гребной винт, 13 3 / 8 x 17 - SST (PROPELLER, 13 3/8 x 17 - SST)

нет в наличии, поставок нет
88 0176572

   (последний код) SST V4 13.88X17

нет в наличии, поставок нет
88 0389510

Гребной винт, 13 x 19 - SST (PROPELLER, 13 x 19 - SST)

нет в наличии, поставок нет
88 0763931

   (последний код) VIPERV4 13.875X19

нет в наличии, поставок нет
88 0389512

Гребной винт, 12 3 / 4 x 21 - SST (PROPELLER, 12 3/4 x 21 - SST)

нет в наличии, поставок нет
88 0384702

   (последний код) SST-V4-21"

нет в наличии, поставок нет
89 0384977

PROP. Втулка в сборе. (PROP. BUSHING ASSY.)

нет в наличии, поставок нет
90 0332393

CONVERGING Кольцо, Alum. props (CONVERGING RING, Alum. props)

нет в наличии, поставок нет
90 0325996

   (последний код) CONVERGING RING

нет в наличии, поставок нет
91 0313926

Гильза, Втулка (SLEEVE, Bushing)

нет в наличии, поставок нет
91 3850831

   (последний код) SLEEVE-PROP

нет в наличии, поставок нет
92 0389135

Хромированный ремкомплект водяного насоса (CHROME PUMP KIT)

нет в наличии, поставок нет
0392461 0392461

ZINC Анод KIT. Not Shown (ZINC ANODE KIT. Not Shown)

нет в наличии, поставок нет
93 0393023

Анод & INSERT, Редуктор (ANODE & INSERT, Gearcase)

нет в наличии, поставок нет
93 0436745

   (последний код) ANODE&INSERT AY

нет в наличии, поставок нет
94 0313022

Гайка, Анод (NUT, Anode)

нет в наличии, поставок нет
94 3852118

   (последний код) NUT,LOCK

нет в наличии, поставок нет
95 0328096

Винт (SCREW)

нет в наличии, поставок нет
95 0327046

   (последний код) SCREW

нет в наличии, поставок нет
96 0324430

Винт, Анод (SCREW, Anode)

нет в наличии, поставок нет
96 0316658

   (последний код) SCREW

нет в наличии, поставок нет
97 0307555

LOCKШайба, Анод (LOCKWASHER, Anode)

нет в наличии, поставок нет
98 0392462

Анод и INSERT, дляward (ANODE AND INSERT, Forward)

нет в наличии, поставок нет
99 0396932

Ремкомплект водяного насоса (WATER PUMP REPAIR KIT)

нет в наличии, поставок нет
99 0439077

   (последний код) KIT AY,WATER PUMP

нет в наличии, поставок нет
99 0396933

Ремкомплект водяного насоса, (Includes Крыльчатка Корпус) (WATER PUMP REPAIR KIT, (Includes impeller housing))

нет в наличии, поставок нет
99 0439077

   (последний код) KIT AY,WATER PUMP

нет в наличии, поставок нет
evinrude

Время выполнения запроса 1.6788351535797 сек.


 
 

данный сайт носит информационный характер и не является публичной офертой

склад запчастей для водомоторной техники