вконтакте

Контактный телефон: +7 (981) 121-46-93, +7 (800) 200-90-76 , Email: parts-katalog@yandex.ru, где купить

 
 

  Логин:

Пароль:

Регистрация

www.partskatalog.ru Все каталоги Запчасти Mercury Запчасти Suzuki Запчасти Tohatsu Запчасти Honda Контакты



УВАЖАЕМЫЕ КЛИЕНТЫ!
C 19 ДЕКАБРЯ 2025 ПО 02 МАРТА 2026 ГОДА ОТДЕЛ ЗАПЧАСТЕЙ И СЕРВИС РАБОТАТЬ НЕ БУДУТ
ПРОДАЖА ЛОДОЧНЫХ МОТОРОВ В ШТАТНОМ РЕЖИМЕ
ОБ ИЗМЕНЕНИЯХ В ГРАФИКЕ РАБОТЫ ЧИТАЙТЕ НА САЙТА




Все разделы каталога запчастей на этот двигатель

назад Раздел:   вперёд

вернуться к списку узлов и деталей

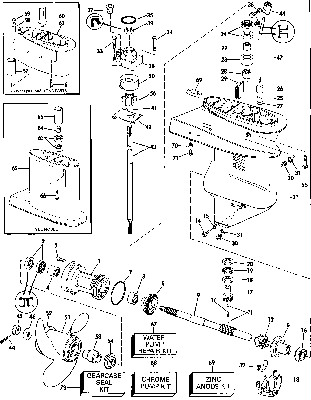
ДЕТАЛИРОВКА ДЛЯ МОДЕЛИ: EVINRUDE E10ELEIR 1991

РЕДУКТОР | GEARCASE;


Подвесной лодочный мотор Evinrude E10ELEIR 1991  - arcase - arcase

Номер на
рисунке
АртикулНаименованиеКол-во
на складе
Цена
0433545 0433545

Редуктор в сборе. (Less driveВал и Помпа) Not Shown (GEARCASE ASSY. (Less driveshaft and pump). Not Shown)

нет в наличии, поставок нет
0433545 0438617

   (последний код) G-CASE AY,LESS D/S

нет в наличии, поставок нет
1 0433403

Подшипник Корпус подшипника & Сальник assembly (BEARING HOUSING, Bearing & seal assembly)

нет в наличии, поставок нет
1 0437774

   (последний код) HOUSING AY,PROPSFT

нет в наличии, поставок нет
2 0321481

Сальник, Brg. hsg. to prop. Вал (SEAL, Brg. hsg. to prop. shaft)

4 шт1470 руб.
2 0319256

   (последний код) OILRETAINER

нет в наличии, поставок нет
3 0386125

Подшипник, Reverse Шестерня (BEARING, Reverse gear)

нет в наличии, поставок нет
4 0386231

Подшипник (BEARING)

нет в наличии, поставок нет
5 0308743

Винт, Подшипник Корпус to Редуктор (SCREW, Bearing housing to gearcase)

нет в наличии, поставок нет
5 0342422

   (последний код) SCREW

нет в наличии, поставок нет
6 0394823

Шестерня & Втулка в сборе., Fwd. (GEAR & BUSHING ASSY., Fwd.)

нет в наличии, поставок нет
7 0308627

Уплотнительное кольцо, Brg. hsg. to gcase (O-RING, Brg. hsg. to gcase)

2 шт100 руб.
8 0330201

Шестерня обратного хода (GEAR, Reverse)

нет в наличии, поставок нет
9 0318847

Вал гребного винта (PROPELLER SHAFT)

нет в наличии, поставок нет
9 0438578

   (последний код) KIT AY,PROPSHAFT

нет в наличии, поставок нет
10 0316505

Фиксатор пружины (SPRING, Detent)

нет в наличии, поставок нет
11 0316506

Шарик, Detent (BALL, Detent)

нет в наличии, поставок нет
12 0325263

Переключатель собачки сцепления (SHIFTER, Clutch dog)

нет в наличии, поставок нет
13 0388416

ПереключательER Рычаг & Обойма (SHIFTER LEVER & YOKE ASSY.)

нет в наличии, поставок нет
13 0386148

   (последний код) SHIFTER LEVER

нет в наличии, поставок нет
14 0308376

Стержень Штифт переключателя Рычаг (PIVOT PIN, Shifter lever)

нет в наличии, поставок нет
14 0303358

   (последний код) PIVOT-PIN

нет в наличии, поставок нет
15 0332584

Опорная шайба Штифт (WASHER, Pivot pin)

нет в наличии, поставок нет
16 0386186

Роликовый подшипник, дляward Шестерня (ROLLER BEARING, Forward gear)

нет в наличии, поставок нет
17 0322341

Шестерня, DriveВал (PINION, Driveshaft)

нет в наличии, поставок нет
17 0321454

   (последний код) PINION

нет в наличии, поставок нет
18 0322202

Нижняя упорная шайба Шестерня Подшипник (THRUST WASHER, Lower pinion bearing)

нет в наличии, поставок нет
19 0388000

THRUST Подшипник, Шестерня (THRUST BEARING, Pinion)

нет в наличии, поставок нет
20 0322201

Верхняя упорная шайба Шестерня Подшипник (THRUST WASHER, Upper pinion bearing)

нет в наличии, поставок нет
21 0396284

Редуктор, BRG. & Сальник AY. (GEARCASE, BRG. & SEAL AY.)

нет в наличии, поставок нет
21 0438617

   (последний код) G-CASE AY,LESS D/S

нет в наличии, поставок нет
22 0386014

Подшипник ASSEMBLY, DriveВал (BEARING ASSEMBLY, Driveshaft)

нет в наличии, поставок нет
23 0318874

Гильза, Подшипник driveВал (SLEEVE, Bearing driveshaft)

нет в наличии, поставок нет
24 0321480

Сальник, Редуктор to driveВал (SEAL, Gearcase to driveshaft)

нет в наличии, поставок нет
24 0318973

   (последний код) SEAL

нет в наличии, поставок нет
25 0301877

Уплотнительное кольцо, Втулка to Переключающая тяга (O-RING, Bushing to shift rod)

нет в наличии, поставок нет
26 0304765

Втулка, Переключающая тяга (BUSHING, Shift rod)

нет в наличии, поставок нет
27 0321738

Шайба уплотнения, Переключающая тяга (WASHER, Seal, shift rod)

нет в наличии, поставок нет
28 0386071

Подшипник в сборе., Шестерня to Редуктор (BEARING ASSY., Pinion to gearcase)

нет в наличии, поставок нет
29 0318991

Водяной экран Система впуска (SCREEN, Water intake)

нет в наличии, поставок нет
30 0307551

Заглушка & Шайба (PLUG & WASHER)

нет в наличии, поставок нет
30 0982851

   (последний код) SCREW-PLUG

нет в наличии, поставок нет
31 0333572

Уплотнительное кольцо (O-RING)

нет в наличии, поставок нет
31 3855081

   (последний код) 0-RING

нет в наличии, поставок нет
32 0325014

CRADLE, Сцепление dog (CRADLE, Clutch dog)

нет в наличии, поставок нет
33 0324334

Винт, Крыльчатка Корпус to Редуктор, short. Also included in Ремкомплект водяного насоса 394711 (SCREW, Impeller housing to gearcase, short. Also included in Water Pump Repair Kit 394711)

нет в наличии, поставок нет
33 0302820

   (последний код) SCREW

нет в наличии, поставок нет
34 0319126

Винт, Крыльчатка Корпус to Редуктор, long. Also included in Ремкомплект водяного насоса 394711 (SCREW, Impeller housing to gearcase, long. Also included in Water Pump Repair Kit 394711)

нет в наличии, поставок нет
34 0326696

   (последний код) SCREW

нет в наличии, поставок нет
35 0319085

Сальник, Крыльчатка Корпус. 20 INCH (308 мм) LONG PARTS Also included in Ремкомплект водяного насоса 394711 (SEAL, Impeller housing. 20 INCH (308 MM) LONG PARTS Also included in Water Pump Repair Kit 394711)

4 шт120 руб.
36 0301551

Шайба, Коннектор to Переключающая тяга. 20 INCH (308 мм) LONG PARTS (WASHER, Connector to shift rod. 20 INCH (308 MM) LONG PARTS)

нет в наличии, поставок нет
37 0302497

Нижний пыльник водяной трубки, 20 дюйм. Also included in Ремкомплект водяного насоса 394711 9.9 Models Only 15 Models Only (GROMMET, Water tube lower, 20 in.. Also included in Water Pump Repair Kit 394711 9.9 Models Only 15 Models Only)

2 шт250 руб.
37 0327035

Нижний пыльник водяной трубки, 15 дюйм. Also included in Ремкомплект водяного насоса 394711 9.9 Models Only 15 Models Only (GROMMET, water tube lower, 15 in.. Also included in Water Pump Repair Kit 394711 9.9 Models Only 15 Models Only)

1 шт460 руб.
38 0388289

Крыльчатка HSG. & Сальник AY.. Also included in Ремкомплект водяного насоса 394711 (IMPELLER HSG. & SEAL AY.. Also included in Water Pump Repair Kit 394711)

нет в наличии, поставок нет
38 0435390

   (последний код) HSG&SEAL AY,IMPELLER

нет в наличии, поставок нет
39 0318972

Сальник, Крыльчатка hsg. to dВал. Also included in Ремкомплект водяного насосаs 391698 & 394711 (SEAL, Impeller hsg. to dshaft. Also included in Water Pump Repair Kits 391698 & 394711)

2 шт790 руб.
41 0300611

Шпонка крыльчатки to driveВал. Also included in Ремкомплект водяного насоса 394711 (PIN, Impeller to driveshaft. Also included in Water Pump Repair Kit 394711)

нет в наличии, поставок нет
42 0318995

Пластина корпуса крыльчатки. Also included in Ремкомплект водяного насоса 394711 (PLATE, Impeller housing. Also included in Water Pump Repair Kit 394711)

нет в наличии, поставок нет
42 0319988

   (последний код) PLATE IMP HSG

нет в наличии, поставок нет
42 0319988

Пластина корпуса крыльчатки (PLATE, Impeller housing)

нет в наличии, поставок нет
42 0318995

   (последний код) PLATE-IMP-HS

нет в наличии, поставок нет
43 0329510

DRIVEВал, стандарт (DRIVESHAFT, Standard)

нет в наличии, поставок нет
43 0341590

   (последний код) DRIVESHAFT,15"

нет в наличии, поставок нет
44 0328522

Шплинт, Гайка гребного винта to Вал (COTTER PIN, Propeller nut to shaft)

25 шт60 руб.
45 0318971

Гайка гребного винта (NUT, Propeller)

нет в наличии, поставок нет
46 0323942

Упорная шайба, Prop. Вал, rear (THRUST WASHER, Prop. shaft, rear)

нет в наличии, поставок нет
46 0318959

   (последний код) THRUST-WASHE

нет в наличии, поставок нет
47 0318992

Переключающая тяга нижний , стандарт (SHIFT ROD LOWER, Standard)

нет в наличии, поставок нет
48 0304024

Винт, Переключающая тяга Коннектор. 20 INCH (308 мм) LONG PARTS (SCREW, Shift rod connector. 20 INCH (308 MM) LONG PARTS)

нет в наличии, поставок нет
48 0323636

   (последний код) SCREW

нет в наличии, поставок нет
49 0303794

Коннектор переключающей тяги. 20 INCH (308 мм) LONG PARTS (CONNECTOR, Shift rod. 20 INCH (308 MM) LONG PARTS)

нет в наличии, поставок нет
50 0324097

Cвыше, Крыльчатка Корпус. Also included in Ремкомплект водяного насоса 394711 (CUP, Impeller housing. Also included in Water Pump Repair Kit 394711)

1 шт1440 руб.
50 0322087

   (последний код) CUP

1 шт1110 руб.
50 0323535

Cвыше, Крыльчатка Корпус (CUP, Impeller housing)

нет в наличии, поставок нет
51 0174817

Гребной винт, 9 x 11, 3 blade AL (PROPELLER, 9 x 11, 3 blade AL)

нет в наличии, поставок нет
51 0778773

   (последний код) PROP,AL 9.25X11

нет в наличии, поставок нет
51 0174950

Гребной винт, 9 1 / 2 x 10 AL (PROPELLER, 9 1/2 x 10 AL)

нет в наличии, поставок нет
51 0778772

   (последний код) PROP,AL 9.25X10

нет в наличии, поставок нет
51 0386669

Гребной винт, 10 x 5 AL (PROPELLER, 10 x 5 AL)

нет в наличии, поставок нет
51 0174938

Гребной винт, 9 1 / 4 x 8 AL (PROPELLER, 9 1/4 x 8 AL)

нет в наличии, поставок нет
51 0177158

   (последний код) PROPELLER AL Винт 9.25 X 8

нет в наличии, поставок нет
51 0386670

Гребной винт, 9 X 10 AL (PROPELLER, 9 X 10 AL)

нет в наличии, поставок нет
51 0389892

Гребной винт, 9 3 / 8 x 9 SST (PROPELLER, 9 3/8 x 9 SST)

нет в наличии, поставок нет
51 0763892

   (последний код) SS PROP 9.25X9

нет в наличии, поставок нет
51 0398126

Гребной винт, 10 x 7, 3 blade AL. SEL Models Only (PROPELLER, 10 x 7, 3 blade AL. SEL Models Only)

нет в наличии, поставок нет
51 0763456

   (последний код) PROP,AL 9.25 X 7

нет в наличии, поставок нет
52 0332395

CONVERGING Кольцо (CONVERGING RING)

нет в наличии, поставок нет
52 0319484

   (последний код) CONVERGING RING

нет в наличии, поставок нет
53 0386119

Втулка, Гребной винт (BUSHING, Propeller)

нет в наличии, поставок нет
54 0334590

Упорная втулка, Prop. (THRUST BUSHING, Prop.)

нет в наличии, поставок нет
55 0324334

Винт, Редуктор to ext. hsg. (SCREW, Gearcase to ext. hsg.)

нет в наличии, поставок нет
55 0302820

   (последний код) SCREW

нет в наличии, поставок нет
56 0386084

Крыльчатка ASSEMBLY. Also included in Ремкомплект водяного насоса 394711 (IMPELLER ASSEMBLY. Also included in Water Pump Repair Kit 394711)

нет в наличии, поставок нет
0434135 0434135

Удлинитель KIT в сборе.. 20 INCH (308 мм) LONG PARTS Not Shown (EXTENSION KIT ASSY.. 20 INCH (308 MM) LONG PARTS Not Shown)

нет в наличии, поставок нет
35 0319085

Сальник, Крыльчатка hsg. to ext.. 20 INCH (308 мм) LONG PARTS Also included in Ремкомплект водяного насоса 394711 (SEAL, Impeller hsg. to ext.. 20 INCH (308 MM) LONG PARTS Also included in Water Pump Repair Kit 394711)

4 шт120 руб.
36 0301551

LOCKШайба, Conn. Винт. 20 INCH (308 мм) LONG PARTS (LOCKWASHER, Conn. screw. 20 INCH (308 MM) LONG PARTS)

нет в наличии, поставок нет
43 0329511

DRIVEВал, Long. 20 INCH (308 мм) LONG PARTS (DRIVESHAFT, Long. 20 INCH (308 MM) LONG PARTS)

нет в наличии, поставок нет
43 0341591

   (последний код) DRIVESHAFT,20"

нет в наличии, поставок нет
47 0319298

Переключающая тяга, нижний , long. 20 INCH (308 мм) LONG PARTS (SHIFT ROD, Lower, long. 20 INCH (308 MM) LONG PARTS)

нет в наличии, поставок нет
48 0304024

Винт, Коннектор. 20 INCH (308 мм) LONG PARTS (SCREW, Connector. 20 INCH (308 MM) LONG PARTS)

нет в наличии, поставок нет
48 0323636

   (последний код) SCREW

нет в наличии, поставок нет
49 0303794

Коннектор переключающей тяги. 20 INCH (308 мм) LONG PARTS (CONNECTOR, Shift rod. 20 INCH (308 MM) LONG PARTS)

нет в наличии, поставок нет
57 0319340

Удлинитель, Крыльчатка Корпус to Удлинитель корпуса. 20 INCH (308 мм) LONG PARTS (EXTENSION, Impeller housing to exhaust housing. 20 INCH (308 MM) LONG PARTS)

нет в наличии, поставок нет
58 0320025

Удлинитель, Водяная трубка. 20 INCH (308 мм) LONG PARTS (EXTENSION, Water tube. 20 INCH (308 MM) LONG PARTS)

нет в наличии, поставок нет
59 0202893

Уплотнительное кольцо, Водяная трубка ext.. 20 INCH (308 мм) LONG PARTS (O-RING, Water tube ext.. 20 INCH (308 MM) LONG PARTS)

нет в наличии, поставок нет
59 3852033

   (последний код) O-RING

нет в наличии, поставок нет
60 0326922

Выхлоп Сальник, Редуктор Удлинитель. 20 INCH (308 мм) LONG PARTS (EXHAUST SEAL, Gearcase extension. 20 INCH (308 MM) LONG PARTS)

нет в наличии, поставок нет
61 0324334

Винт, Удлинитель. 20 INCH (308 мм) LONG PARTS (SCREW, Extension. 20 INCH (308 MM) LONG PARTS)

нет в наличии, поставок нет
61 0302820

   (последний код) SCREW

нет в наличии, поставок нет
62 0331152

Удлинитель, Редуктор. 20 INCH (308 мм) LONG PARTS (EXTENSION, Gearcase. 20 INCH (308 MM) LONG PARTS)

нет в наличии, поставок нет
62 0319314

   (последний код) GRCASE-EXT

нет в наличии, поставок нет
43 0328299

DRIVEВал. SEL MODELS ONLY (DRIVESHAFT. SEL MODELS ONLY)

нет в наличии, поставок нет
43 0329509

   (последний код) DRIVESHAFT--

нет в наличии, поставок нет
47 0328300

Переключающая тяга нижний SEL MODELS ONLY (SHIFT ROD LOWER. SEL MODELS ONLY)

нет в наличии, поставок нет
58 0395124

Водяная трубка. SEL MODELS ONLY (WATER TUBE. SEL MODELS ONLY)

нет в наличии, поставок нет
58 0328304

   (последний код) WATER TUBE

нет в наличии, поставок нет
62 0395894

Удлинитель, Редуктор. SEL MODELS ONLY (EXTENSION, Gearcase. SEL MODELS ONLY)

нет в наличии, поставок нет
62 0393203

   (последний код) GEARCASE EXT AY

нет в наличии, поставок нет
63 0328301

Гильза, Удлинитель. SEL MODELS ONLY (SLEEVE, Extension. SEL MODELS ONLY)

нет в наличии, поставок нет
64 0328302

Втулка, Удлинитель. SEL MODELS ONLY (BUSHING, Extension. SEL MODELS ONLY)

нет в наличии, поставок нет
65 0319340

Удлинитель, Exh. hsg. to Удлинитель. SEL MODELS ONLY (EXTENSION, Exh. hsg. to extension. SEL MODELS ONLY)

нет в наличии, поставок нет
66 0324334

Винт, Удлинитель to exh. hsg.. SEL MODELS ONLY (SCREW, Extension to exh. hsg.. SEL MODELS ONLY)

нет в наличии, поставок нет
66 0302820

   (последний код) SCREW

нет в наличии, поставок нет
67 0391698

Ремкомплект водяного насоса (WATER PUMP REPAIR KIT)

нет в наличии, поставок нет
67 0394711

   (последний код) REPAIR-KIT

нет в наличии, поставок нет
67 0394711

Ремкомплект водяного насоса, (Includes Крыльчатка Корпус) (WATER PUMP REPAIR KIT, (Includes impeller housing))

нет в наличии, поставок нет
67 0393560

   (последний код) WATERPUMP KIT

нет в наличии, поставок нет
68 0389114

Хромированный ремкомплект водяного насоса (CHROME PUMP KIT)

нет в наличии, поставок нет
68 0394711

   (последний код) REPAIR-KIT

нет в наличии, поставок нет
69 0173029

ZINC Анод KIT (ZINC ANODE KIT)

нет в наличии, поставок нет
69 0123009

   (последний код) ANODE

нет в наличии, поставок нет
70 0304454

LOCKШайба (LOCKWASHER)

нет в наличии, поставок нет
71 0306643

Винт (SCREW)

нет в наличии, поставок нет
71 3852066

   (последний код) SCREW

нет в наличии, поставок нет
72 0332226

Винт, Stainless steel. Опции (SCREW, Stainless steel. Optional)

нет в наличии, поставок нет
72 3852207

   (последний код) SCREW

нет в наличии, поставок нет
73 0396350

Комплект сальников редуктора (GEARCASE SEAL KIT)

1 шт5300 руб.
evinrude

Время выполнения запроса 1.3913259506226 сек.


 
 

данный сайт носит информационный характер и не является публичной офертой

склад запчастей для водомоторной техники