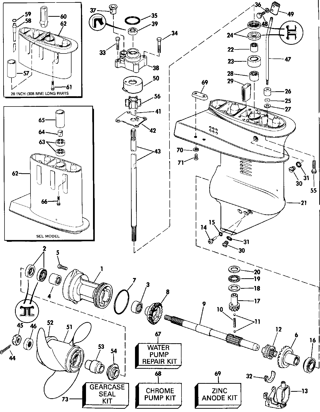
Номер на рисунке | Артикул | Наименование | Кол-во на складе | Цена |
| 0433545 | 0433545 | Редуктор в сборе. (Less driveВал и Помпа) Not Shown (GEARCASE ASSY. (Less driveshaft and pump). Not Shown) | нет в наличии, поставок нет |
| 0433545 | 0438617 | (последний код) G-CASE AY,LESS D/S | нет в наличии, поставок нет |
| 1 | 0433403 | Подшипник Корпус подшипника & Сальник assembly (BEARING HOUSING, Bearing & seal assembly) | нет в наличии, поставок нет |
| 1 | 0437774 | (последний код) HOUSING AY,PROPSFT | нет в наличии, поставок нет |
| 2 | 0321481 | Сальник, Brg. hsg. to prop. Вал (SEAL, Brg. hsg. to prop. shaft) | 4 шт | 1470 руб. |
| 2 | 0319256 | (последний код) OILRETAINER | нет в наличии, поставок нет |
| 3 | 0386125 | Подшипник, Reverse Шестерня (BEARING, Reverse gear) | нет в наличии, поставок нет |
| 4 | 0386231 | Подшипник (BEARING) | нет в наличии, поставок нет |
| 5 | 0308743 | Винт, Подшипник Корпус to Редуктор (SCREW, Bearing housing to gearcase) | нет в наличии, поставок нет |
| 5 | 0342422 | (последний код) SCREW | нет в наличии, поставок нет |
| 6 | 0394823 | Шестерня & Втулка в сборе., Fwd. (GEAR & BUSHING ASSY., Fwd.) | нет в наличии, поставок нет |
| 7 | 0308627 | Уплотнительное кольцо, Brg. hsg. to gcase (O-RING, Brg. hsg. to gcase) | 2 шт | 100 руб. |
| 8 | 0330201 | Шестерня обратного хода (GEAR, Reverse) | нет в наличии, поставок нет |
| 9 | 0318847 | Вал гребного винта (PROPELLER SHAFT) | нет в наличии, поставок нет |
| 9 | 0438578 | (последний код) KIT AY,PROPSHAFT | нет в наличии, поставок нет |
| 10 | 0316505 | Фиксатор пружины (SPRING, Detent) | нет в наличии, поставок нет |
| 11 | 0316506 | Шарик, Detent (BALL, Detent) | нет в наличии, поставок нет |
| 12 | 0325263 | Переключатель собачки сцепления (SHIFTER, Clutch dog) | нет в наличии, поставок нет |
| 13 | 0388416 | ПереключательER Рычаг & Обойма (SHIFTER LEVER & YOKE ASSY.) | нет в наличии, поставок нет |
| 13 | 0386148 | (последний код) SHIFTER LEVER | нет в наличии, поставок нет |
| 14 | 0308376 | Стержень Штифт переключателя Рычаг (PIVOT PIN, Shifter lever) | нет в наличии, поставок нет |
| 14 | 0303358 | (последний код) PIVOT-PIN | нет в наличии, поставок нет |
| 15 | 0332584 | Опорная шайба Штифт (WASHER, Pivot pin) | нет в наличии, поставок нет |
| 16 | 0386186 | Роликовый подшипник, дляward Шестерня (ROLLER BEARING, Forward gear) | нет в наличии, поставок нет |
| 17 | 0322341 | Шестерня, DriveВал (PINION, Driveshaft) | нет в наличии, поставок нет |
| 17 | 0321454 | (последний код) PINION | нет в наличии, поставок нет |
| 18 | 0322202 | Нижняя упорная шайба Шестерня Подшипник (THRUST WASHER, Lower pinion bearing) | нет в наличии, поставок нет |
| 19 | 0388000 | THRUST Подшипник, Шестерня (THRUST BEARING, Pinion) | нет в наличии, поставок нет |
| 20 | 0322201 | Верхняя упорная шайба Шестерня Подшипник (THRUST WASHER, Upper pinion bearing) | нет в наличии, поставок нет |
| 21 | 0396284 | Редуктор, BRG. & Сальник AY. (GEARCASE, BRG. & SEAL AY.) | нет в наличии, поставок нет |
| 21 | 0438617 | (последний код) G-CASE AY,LESS D/S | нет в наличии, поставок нет |
| 22 | 0386014 | Подшипник ASSEMBLY, DriveВал (BEARING ASSEMBLY, Driveshaft) | нет в наличии, поставок нет |
| 23 | 0318874 | Гильза, Подшипник driveВал (SLEEVE, Bearing driveshaft) | нет в наличии, поставок нет |
| 24 | 0321480 | Сальник, Редуктор to driveВал (SEAL, Gearcase to driveshaft) | нет в наличии, поставок нет |
| 24 | 0318973 | (последний код) SEAL | нет в наличии, поставок нет |
| 25 | 0301877 | Уплотнительное кольцо, Втулка to Переключающая тяга (O-RING, Bushing to shift rod) | нет в наличии, поставок нет |
| 26 | 0304765 | Втулка, Переключающая тяга (BUSHING, Shift rod) | нет в наличии, поставок нет |
| 27 | 0321738 | Шайба уплотнения, Переключающая тяга (WASHER, Seal, shift rod) | нет в наличии, поставок нет |
| 28 | 0386071 | Подшипник в сборе., Шестерня to Редуктор (BEARING ASSY., Pinion to gearcase) | нет в наличии, поставок нет |
| 29 | 0318991 | Водяной экран Система впуска (SCREEN, Water intake) | нет в наличии, поставок нет |
| 30 | 0307551 | Заглушка & Шайба (PLUG & WASHER) | нет в наличии, поставок нет |
| 30 | 0982851 | (последний код) SCREW-PLUG | нет в наличии, поставок нет |
| 31 | 0333572 | Уплотнительное кольцо (O-RING) | нет в наличии, поставок нет |
| 31 | 3855081 | (последний код) 0-RING | нет в наличии, поставок нет |
| 32 | 0325014 | CRADLE, Сцепление dog (CRADLE, Clutch dog) | нет в наличии, поставок нет |
| 33 | 0324334 | Винт, Крыльчатка Корпус to Редуктор, short. Also included in Ремкомплект водяного насоса 394711 (SCREW, Impeller housing to gearcase, short. Also included in Water Pump Repair Kit 394711) | нет в наличии, поставок нет |
| 33 | 0302820 | (последний код) SCREW | нет в наличии, поставок нет |
| 34 | 0319126 | Винт, Крыльчатка Корпус to Редуктор, long. Also included in Ремкомплект водяного насоса 394711 (SCREW, Impeller housing to gearcase, long. Also included in Water Pump Repair Kit 394711) | нет в наличии, поставок нет |
| 34 | 0326696 | (последний код) SCREW | нет в наличии, поставок нет |
| 35 | 0319085 | Сальник, Крыльчатка Корпус. 20 INCH (308 мм) LONG PARTS Also included in Ремкомплект водяного насоса 394711 (SEAL, Impeller housing. 20 INCH (308 MM) LONG PARTS Also included in Water Pump Repair Kit 394711) | 4 шт | 120 руб. |
| 36 | 0301551 | Шайба, Коннектор to Переключающая тяга. 20 INCH (308 мм) LONG PARTS (WASHER, Connector to shift rod. 20 INCH (308 MM) LONG PARTS) | нет в наличии, поставок нет |
| 37 | 0302497 | Нижний пыльник водяной трубки, 20 дюйм. Also included in Ремкомплект водяного насоса 394711 9.9 Models Only 15 Models Only (GROMMET, Water tube lower, 20 in.. Also included in Water Pump Repair Kit 394711 9.9 Models Only 15 Models Only) | 2 шт | 250 руб. |
| 37 | 0327035 | Нижний пыльник водяной трубки, 15 дюйм. Also included in Ремкомплект водяного насоса 394711 9.9 Models Only 15 Models Only (GROMMET, water tube lower, 15 in.. Also included in Water Pump Repair Kit 394711 9.9 Models Only 15 Models Only) | 1 шт | 460 руб. |
| 38 | 0388289 | Крыльчатка HSG. & Сальник AY.. Also included in Ремкомплект водяного насоса 394711 (IMPELLER HSG. & SEAL AY.. Also included in Water Pump Repair Kit 394711) | нет в наличии, поставок нет |
| 38 | 0435390 | (последний код) HSG&SEAL AY,IMPELLER | нет в наличии, поставок нет |
| 39 | 0318972 | Сальник, Крыльчатка hsg. to dВал. Also included in Ремкомплект водяного насосаs 391698 & 394711 (SEAL, Impeller hsg. to dshaft. Also included in Water Pump Repair Kits 391698 & 394711) | 2 шт | 790 руб. |
| 41 | 0300611 | Шпонка крыльчатки to driveВал. Also included in Ремкомплект водяного насоса 394711 (PIN, Impeller to driveshaft. Also included in Water Pump Repair Kit 394711) | нет в наличии, поставок нет |
| 42 | 0318995 | Пластина корпуса крыльчатки. Also included in Ремкомплект водяного насоса 394711 (PLATE, Impeller housing. Also included in Water Pump Repair Kit 394711) | нет в наличии, поставок нет |
| 42 | 0319988 | (последний код) PLATE IMP HSG | нет в наличии, поставок нет |
| 42 | 0319988 | Пластина корпуса крыльчатки (PLATE, Impeller housing) | нет в наличии, поставок нет |
| 42 | 0318995 | (последний код) PLATE-IMP-HS | нет в наличии, поставок нет |
| 43 | 0329510 | DRIVEВал, стандарт (DRIVESHAFT, Standard) | нет в наличии, поставок нет |
| 43 | 0341590 | (последний код) DRIVESHAFT,15" | нет в наличии, поставок нет |
| 44 | 0328522 | Шплинт, Гайка гребного винта to Вал (COTTER PIN, Propeller nut to shaft) | 25 шт | 60 руб. |
| 45 | 0318971 | Гайка гребного винта (NUT, Propeller) | нет в наличии, поставок нет |
| 46 | 0323942 | Упорная шайба, Prop. Вал, rear (THRUST WASHER, Prop. shaft, rear) | нет в наличии, поставок нет |
| 46 | 0318959 | (последний код) THRUST-WASHE | нет в наличии, поставок нет |
| 47 | 0318992 | Переключающая тяга нижний , стандарт (SHIFT ROD LOWER, Standard) | нет в наличии, поставок нет |
| 48 | 0304024 | Винт, Переключающая тяга Коннектор. 20 INCH (308 мм) LONG PARTS (SCREW, Shift rod connector. 20 INCH (308 MM) LONG PARTS) | нет в наличии, поставок нет |
| 48 | 0323636 | (последний код) SCREW | нет в наличии, поставок нет |
| 49 | 0303794 | Коннектор переключающей тяги. 20 INCH (308 мм) LONG PARTS (CONNECTOR, Shift rod. 20 INCH (308 MM) LONG PARTS) | нет в наличии, поставок нет |
| 50 | 0324097 | Cвыше, Крыльчатка Корпус. Also included in Ремкомплект водяного насоса 394711 (CUP, Impeller housing. Also included in Water Pump Repair Kit 394711) | 1 шт | 1440 руб. |
| 50 | 0322087 | (последний код) CUP | 1 шт | 1110 руб. |
| 50 | 0323535 | Cвыше, Крыльчатка Корпус (CUP, Impeller housing) | нет в наличии, поставок нет |
| 51 | 0174817 | Гребной винт, 9 x 11, 3 blade AL (PROPELLER, 9 x 11, 3 blade AL) | нет в наличии, поставок нет |
| 51 | 0778773 | (последний код) PROP,AL 9.25X11 | нет в наличии, поставок нет |
| 51 | 0174950 | Гребной винт, 9 1 / 2 x 10 AL (PROPELLER, 9 1/2 x 10 AL) | нет в наличии, поставок нет |
| 51 | 0778772 | (последний код) PROP,AL 9.25X10 | нет в наличии, поставок нет |
| 51 | 0386669 | Гребной винт, 10 x 5 AL (PROPELLER, 10 x 5 AL) | нет в наличии, поставок нет |
| 51 | 0174938 | Гребной винт, 9 1 / 4 x 8 AL (PROPELLER, 9 1/4 x 8 AL) | нет в наличии, поставок нет |
| 51 | 0177158 | (последний код) PROPELLER AL Винт 9.25 X 8 | нет в наличии, поставок нет |
| 51 | 0386670 | Гребной винт, 9 X 10 AL (PROPELLER, 9 X 10 AL) | нет в наличии, поставок нет |
| 51 | 0389892 | Гребной винт, 9 3 / 8 x 9 SST (PROPELLER, 9 3/8 x 9 SST) | нет в наличии, поставок нет |
| 51 | 0763892 | (последний код) SS PROP 9.25X9 | нет в наличии, поставок нет |
| 51 | 0398126 | Гребной винт, 10 x 7, 3 blade AL. SEL Models Only (PROPELLER, 10 x 7, 3 blade AL. SEL Models Only) | нет в наличии, поставок нет |
| 51 | 0763456 | (последний код) PROP,AL 9.25 X 7 | нет в наличии, поставок нет |
| 52 | 0332395 | CONVERGING Кольцо (CONVERGING RING) | нет в наличии, поставок нет |
| 52 | 0319484 | (последний код) CONVERGING RING | нет в наличии, поставок нет |
| 53 | 0386119 | Втулка, Гребной винт (BUSHING, Propeller) | нет в наличии, поставок нет |
| 54 | 0334590 | Упорная втулка, Prop. (THRUST BUSHING, Prop.) | нет в наличии, поставок нет |
| 55 | 0324334 | Винт, Редуктор to ext. hsg. (SCREW, Gearcase to ext. hsg.) | нет в наличии, поставок нет |
| 55 | 0302820 | (последний код) SCREW | нет в наличии, поставок нет |
| 56 | 0386084 | Крыльчатка ASSEMBLY. Also included in Ремкомплект водяного насоса 394711 (IMPELLER ASSEMBLY. Also included in Water Pump Repair Kit 394711) | нет в наличии, поставок нет |
| 0434135 | 0434135 | Удлинитель KIT в сборе.. 20 INCH (308 мм) LONG PARTS Not Shown (EXTENSION KIT ASSY.. 20 INCH (308 MM) LONG PARTS Not Shown) | нет в наличии, поставок нет |
| 35 | 0319085 | Сальник, Крыльчатка hsg. to ext.. 20 INCH (308 мм) LONG PARTS Also included in Ремкомплект водяного насоса 394711 (SEAL, Impeller hsg. to ext.. 20 INCH (308 MM) LONG PARTS Also included in Water Pump Repair Kit 394711) | 4 шт | 120 руб. |
| 36 | 0301551 | LOCKШайба, Conn. Винт. 20 INCH (308 мм) LONG PARTS (LOCKWASHER, Conn. screw. 20 INCH (308 MM) LONG PARTS) | нет в наличии, поставок нет |
| 43 | 0329511 | DRIVEВал, Long. 20 INCH (308 мм) LONG PARTS (DRIVESHAFT, Long. 20 INCH (308 MM) LONG PARTS) | нет в наличии, поставок нет |
| 43 | 0341591 | (последний код) DRIVESHAFT,20" | нет в наличии, поставок нет |
| 47 | 0319298 | Переключающая тяга, нижний , long. 20 INCH (308 мм) LONG PARTS (SHIFT ROD, Lower, long. 20 INCH (308 MM) LONG PARTS) | нет в наличии, поставок нет |
| 48 | 0304024 | Винт, Коннектор. 20 INCH (308 мм) LONG PARTS (SCREW, Connector. 20 INCH (308 MM) LONG PARTS) | нет в наличии, поставок нет |
| 48 | 0323636 | (последний код) SCREW | нет в наличии, поставок нет |
| 49 | 0303794 | Коннектор переключающей тяги. 20 INCH (308 мм) LONG PARTS (CONNECTOR, Shift rod. 20 INCH (308 MM) LONG PARTS) | нет в наличии, поставок нет |
| 57 | 0319340 | Удлинитель, Крыльчатка Корпус to Удлинитель корпуса. 20 INCH (308 мм) LONG PARTS (EXTENSION, Impeller housing to exhaust housing. 20 INCH (308 MM) LONG PARTS) | нет в наличии, поставок нет |
| 58 | 0320025 | Удлинитель, Водяная трубка. 20 INCH (308 мм) LONG PARTS (EXTENSION, Water tube. 20 INCH (308 MM) LONG PARTS) | нет в наличии, поставок нет |
| 59 | 0202893 | Уплотнительное кольцо, Водяная трубка ext.. 20 INCH (308 мм) LONG PARTS (O-RING, Water tube ext.. 20 INCH (308 MM) LONG PARTS) | нет в наличии, поставок нет |
| 59 | 3852033 | (последний код) O-RING | нет в наличии, поставок нет |
| 60 | 0326922 | Выхлоп Сальник, Редуктор Удлинитель. 20 INCH (308 мм) LONG PARTS (EXHAUST SEAL, Gearcase extension. 20 INCH (308 MM) LONG PARTS) | нет в наличии, поставок нет |
| 61 | 0324334 | Винт, Удлинитель. 20 INCH (308 мм) LONG PARTS (SCREW, Extension. 20 INCH (308 MM) LONG PARTS) | нет в наличии, поставок нет |
| 61 | 0302820 | (последний код) SCREW | нет в наличии, поставок нет |
| 62 | 0331152 | Удлинитель, Редуктор. 20 INCH (308 мм) LONG PARTS (EXTENSION, Gearcase. 20 INCH (308 MM) LONG PARTS) | нет в наличии, поставок нет |
| 62 | 0319314 | (последний код) GRCASE-EXT | нет в наличии, поставок нет |
| 43 | 0328299 | DRIVEВал. SEL MODELS ONLY (DRIVESHAFT. SEL MODELS ONLY) | нет в наличии, поставок нет |
| 43 | 0329509 | (последний код) DRIVESHAFT-- | нет в наличии, поставок нет |
| 47 | 0328300 | Переключающая тяга нижний SEL MODELS ONLY (SHIFT ROD LOWER. SEL MODELS ONLY) | нет в наличии, поставок нет |
| 58 | 0395124 | Водяная трубка. SEL MODELS ONLY (WATER TUBE. SEL MODELS ONLY) | нет в наличии, поставок нет |
| 58 | 0328304 | (последний код) WATER TUBE | нет в наличии, поставок нет |
| 62 | 0395894 | Удлинитель, Редуктор. SEL MODELS ONLY (EXTENSION, Gearcase. SEL MODELS ONLY) | нет в наличии, поставок нет |
| 62 | 0393203 | (последний код) GEARCASE EXT AY | нет в наличии, поставок нет |
| 63 | 0328301 | Гильза, Удлинитель. SEL MODELS ONLY (SLEEVE, Extension. SEL MODELS ONLY) | нет в наличии, поставок нет |
| 64 | 0328302 | Втулка, Удлинитель. SEL MODELS ONLY (BUSHING, Extension. SEL MODELS ONLY) | нет в наличии, поставок нет |
| 65 | 0319340 | Удлинитель, Exh. hsg. to Удлинитель. SEL MODELS ONLY (EXTENSION, Exh. hsg. to extension. SEL MODELS ONLY) | нет в наличии, поставок нет |
| 66 | 0324334 | Винт, Удлинитель to exh. hsg.. SEL MODELS ONLY (SCREW, Extension to exh. hsg.. SEL MODELS ONLY) | нет в наличии, поставок нет |
| 66 | 0302820 | (последний код) SCREW | нет в наличии, поставок нет |
| 67 | 0391698 | Ремкомплект водяного насоса (WATER PUMP REPAIR KIT) | нет в наличии, поставок нет |
| 67 | 0394711 | (последний код) REPAIR-KIT | нет в наличии, поставок нет |
| 67 | 0394711 | Ремкомплект водяного насоса, (Includes Крыльчатка Корпус) (WATER PUMP REPAIR KIT, (Includes impeller housing)) | нет в наличии, поставок нет |
| 67 | 0393560 | (последний код) WATERPUMP KIT | нет в наличии, поставок нет |
| 68 | 0389114 | Хромированный ремкомплект водяного насоса (CHROME PUMP KIT) | нет в наличии, поставок нет |
| 68 | 0394711 | (последний код) REPAIR-KIT | нет в наличии, поставок нет |
| 69 | 0173029 | ZINC Анод KIT (ZINC ANODE KIT) | нет в наличии, поставок нет |
| 69 | 0123009 | (последний код) ANODE | нет в наличии, поставок нет |
| 70 | 0304454 | LOCKШайба (LOCKWASHER) | нет в наличии, поставок нет |
| 71 | 0306643 | Винт (SCREW) | нет в наличии, поставок нет |
| 71 | 3852066 | (последний код) SCREW | нет в наличии, поставок нет |
| 72 | 0332226 | Винт, Stainless steel. Опции (SCREW, Stainless steel. Optional) | нет в наличии, поставок нет |
| 72 | 3852207 | (последний код) SCREW | нет в наличии, поставок нет |
| 73 | 0396350 | Комплект сальников редуктора (GEARCASE SEAL KIT) | 1 шт | 5300 руб. |