вконтакте

Контактный телефон: +7 (981) 121-46-93, +7 (800) 200-90-76 , Email: parts-katalog@yandex.ru, где купить

 
 

  Логин:

Пароль:

Регистрация

www.partskatalog.ru Все каталоги Запчасти Mercury Запчасти Suzuki Запчасти Tohatsu Запчасти Honda Контакты



УВАЖАЕМЫЕ КЛИЕНТЫ!
C 19 ДЕКАБРЯ 2025 ПО 02 МАРТА 2026 ГОДА ОТДЕЛ ЗАПЧАСТЕЙ И СЕРВИС РАБОТАТЬ НЕ БУДУТ
ПРОДАЖА ЛОДОЧНЫХ МОТОРОВ В ШТАТНОМ РЕЖИМЕ
ОБ ИЗМЕНЕНИЯХ В ГРАФИКЕ РАБОТЫ ЧИТАЙТЕ НА САЙТА




Все разделы каталога запчастей на этот двигатель

назад Раздел:   вперёд

вернуться к списку узлов и деталей

ДЕТАЛИРОВКА ДЛЯ МОДЕЛИ: EVINRUDE E4RDHLEIA 1991

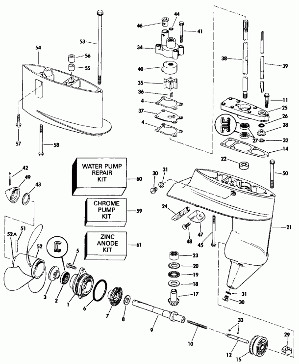
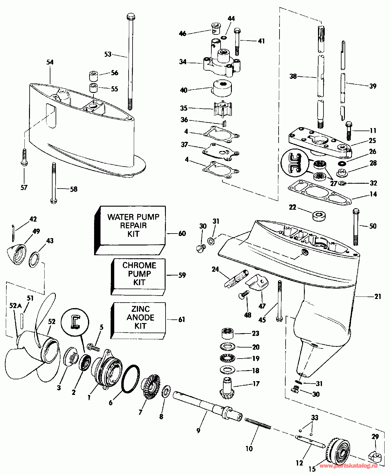
РЕДУКТОР | GEARCASE;


Мотор Эвинруд E4RDHLEIA 1991  - arcase - arcase

Номер на
рисунке
АртикулНаименованиеКол-во
на складе
Цена
0397708 0397708

Редуктор в сборе., стандарт. Use 437746 on 1982 thru 1985 4-8 hp Use 437747 on 1986 thru 1987 5, 6, 6.5, 8 hp Use 437913 on 1991 4 hp deluxe (GEARCASE ASSY., Standard. Use 437746 on 1982 thru 1985 4-8 hp Use 437747 on 1986 thru 1987 5,6, 6.5, 8 hp Use 437913 on 1991 4 hp deluxe)

нет в наличии, поставок нет
0397708 0397396

   (последний код) G-CASE-4HP-8

нет в наличии, поставок нет
0434692 0434692

Редуктор в сборе., Long. Not Shown (GEARCASE ASSY., Long. Not Shown)

нет в наличии, поставок нет
0434692 0439005

   (последний код) GEARCASE AY-COMPL

нет в наличии, поставок нет
1 0434294

Редуктор HEAD, в сборе. (GEARCASE HEAD, Assy.)

нет в наличии, поставок нет
1 0393747

   (последний код) G-CASE-HEAD

нет в наличии, поставок нет
2 0336493

Сальник, Подшипник Корпус to Вал гребного винта (SEAL, Bearing housing to propeller shaft)

нет в наличии, поставок нет
3 0336414

Втулка (BUSHING)

нет в наличии, поставок нет
4 0325040

Прокладка крыльчатки Корпус. 5 INCH LONGER PARTS (GASKET, Impeller housing. 5 INCH LONGER PARTS)

нет в наличии, поставок нет
5 0328744

Винт, Подшипник Корпус to Редуктор (SCREW, Bearing housing to gearcase)

нет в наличии, поставок нет
5 0308741

   (последний код) SCREW

нет в наличии, поставок нет
6 0322494

Уплотнительное кольцо, Подшипник Корпус to Редуктор (O-RING, Bearing housing to gearcase)

нет в наличии, поставок нет
7 0397699

Шестерня обратного хода (GEAR, Reverse)

нет в наличии, поставок нет
8 0322201

Упорная шайба. Rev. Шестерня (THRUST WASHER. Rev. gear)

нет в наличии, поставок нет
9 0332657

Вал гребного винта (PROPELLER SHAFT)

нет в наличии, поставок нет
9 0435407

   (последний код) PROPSHAFT&WASHER AY

нет в наличии, поставок нет
10 0332656

Пружина переключателяer (SPRING, Shifter)

нет в наличии, поставок нет
10 0343272

   (последний код) SPRING

нет в наличии, поставок нет
11 0333676

Винт, Крышка to Редуктор (SCREW, Cover to gearcase)

нет в наличии, поставок нет
11 3854923

   (последний код) SCREW

нет в наличии, поставок нет
12 0332655

ПереключательER (SHIFTER)

нет в наличии, поставок нет
14 0324637

Прокладка, Редуктор Крышка. 5 INCH LONGER PARTS (GASKET, Gearcase cover. 5 INCH LONGER PARTS)

нет в наличии, поставок нет
15 0432144

Шестерня & Подшипник в сборе., дляward (GEAR & BEARING ASSY., Forward)

нет в наличии, поставок нет
15 0397696

   (последний код) ROLLER BEARING

нет в наличии, поставок нет
17 0331599

Шестерня, DriveВал (PINION, Driveshaft)

нет в наличии, поставок нет
17 0329013

   (последний код) PINION-D-SHA

нет в наличии, поставок нет
18 0322202

Нижняя упорная шайба Шестерня Подшипник (THRUST WASHER, Lower pinion bearing)

нет в наличии, поставок нет
19 0388000

THRUST Подшипник, Шестерня (THRUST BEARING, Pinion)

нет в наличии, поставок нет
20 0322201

Верхняя упорная шайба Шестерня Подшипник (THRUST WASHER, Upper pinion bearing)

нет в наличии, поставок нет
21 0397701

Редуктор, Корпус в сборе. (GEARCASE, Housing assy.)

нет в наличии, поставок нет
21 0396199

   (последний код) GEARCASE&BRG AY

нет в наличии, поставок нет
22 0391048

Подшипник & Гильза в сборе., DriveВал (BEARING & SLEEVE ASSY., Driveshaft)

1 шт4890 руб.
22 0389574

   (последний код) BRG AY-DRIVESHAFT

нет в наличии, поставок нет
23 0386071

Подшипник в сборе., Шестерня to gcase (BEARING ASSY., Pinion to gcase)

нет в наличии, поставок нет
24 0396200

SCREEN & Водяная заглушка Система впуска (SCREEN & PLUG, Water intake)

нет в наличии, поставок нет
24 0324633

   (последний код) SCREEN

нет в наличии, поставок нет
25 0434152

Редуктор, Крышка & Сальник (GEARCASE, Cover & seal)

нет в наличии, поставок нет
25 0389837

   (последний код) G-CASE-CVR&S

нет в наличии, поставок нет
26 0305242

Уплотнительное кольцо, Переключающая тяга (O-RING, Shift rod)

нет в наличии, поставок нет
27 0324639

Сальник, DriveВал (SEAL, Driveshaft)

1 шт880 руб.
28 0324642

Втулка, Переключающая тяга (BUSHING, Shift rod)

нет в наличии, поставок нет
29 0332654

Кулачок переключателя (CAM, Shift)

нет в наличии, поставок нет
30 0307551

Заглушка & Шайба, верхний (PLUG & WASHER, Upper)

нет в наличии, поставок нет
30 0982851

   (последний код) SCREW-PLUG

нет в наличии, поставок нет
30 0318544

Заглушка & Шайба, нижний (PLUG & WASHER, Lower)

нет в наличии, поставок нет
30 0912624

   (последний код) SCREW

нет в наличии, поставок нет
31 0333572

Сальник (SEAL)

нет в наличии, поставок нет
31 3855081

   (последний код) 0-RING

нет в наличии, поставок нет
32 0324616

Стопорное кольцо, Переключающая тяга (RETAINING RING, Shift rod)

нет в наличии, поставок нет
33 0332658

Шарик, Drive (BALL, Drive)

нет в наличии, поставок нет
34 0389577

Крыльчатка HSG. в сборе (IMPELLER HSG. ASSY)

нет в наличии, поставок нет
35 0433935

Крыльчатка в сборе. (IMPELLER ASSY.)

нет в наличии, поставок нет
35 0396852

   (последний код) IMPELLER-AY.

нет в наличии, поставок нет
36 0335956

Шпонка крыльчатки to driveВал (PIN, Impeller to driveshaft)

нет в наличии, поставок нет
37 0324640

Пластина корпуса крыльчатки (PLATE, Impeller housing)

нет в наличии, поставок нет
38 0330434

DRIVEВал, стандарт (DRIVESHAFT, Standard)

нет в наличии, поставок нет
38 0331693

   (последний код) DRIVESHAFT

нет в наличии, поставок нет
38 0330435

DRIVEВал, Long. 5 INCH LONGER PARTS (DRIVESHAFT, Long. 5 INCH LONGER PARTS)

нет в наличии, поставок нет
38 0324635

   (последний код) D-SHAFT-LNG

нет в наличии, поставок нет
39 0324620

Переключающая тяга, нижний , Std. (SHIFT ROD, Lower, Std.)

нет в наличии, поставок нет
39 0324621

Переключающая тяга, нижний , Long. 5 INCH LONGER PARTS (SHIFT ROD, Lower, Long. 5 INCH LONGER PARTS)

нет в наличии, поставок нет
40 0324641

Cвыше, Крыльчатка Корпус (CUP, Impeller housing)

нет в наличии, поставок нет
41 0331980

Винт, Крыльчатка Корпус to Редуктор (SCREW, Impeller housing to gearcase)

нет в наличии, поставок нет
42 0306394

Шплинт, Гайка гребного винта to Вал (COTTER PIN, Propeller nut to shaft)

нет в наличии, поставок нет
42 3852056

   (последний код) PIN,COTTER

нет в наличии, поставок нет
43 0324689

Упорная шайба, Вал гребного винта, rear (THRUST WASHER, Propeller shaft, rear)

нет в наличии, поставок нет
44 0303191

Уплотнительное кольцо, DriveВал (O-RING, Driveshaft)

нет в наличии, поставок нет
45 0324643

Винт, Редуктор to ext. hsg. (SCREW, Gearcase to ext. hsg.)

нет в наличии, поставок нет
46 0321129

Нижний пыльник трубки водяного насоса. 5 INCH LONGER PARTS (GROMMET, Water tube, lower. 5 INCH LONGER PARTS)

нет в наличии, поставок нет
47 0334451

Анод, Редуктор (ANODE, Gearcase)

нет в наличии, поставок нет
47 0432397

   (последний код) ANODE KIT

нет в наличии, поставок нет
48 0328725

Винт, Анод (SCREW, Anode)

нет в наличии, поставок нет
48 3852187

   (последний код) SCREW

нет в наличии, поставок нет
49 0324694

Колпачок. Вал гребного винта (CAP. Propeller shaft)

нет в наличии, поставок нет
50 0316440

Винт, Редуктор to Корпус front (SCREW, Gearcase to housing front)

нет в наличии, поставок нет
50 0342540

   (последний код) SCREW

нет в наличии, поставок нет
51 0324690

DRIVE Штифт, Гребной винт (DRIVE PIN, Propeller)

нет в наличии, поставок нет
52 0391096

Гребной винт, 8 дюйм x 7 дюйм (PROPELLER, 8 in. x 7 in.)

нет в наличии, поставок нет
52 0778796

   (последний код) PROP,AL 8X7/PIN

нет в наличии, поставок нет
52 0175092

Гребной винт, 8.6 x 5.5 дюйм (PROPELLER, 8.6 x 5.5 in.)

нет в наличии, поставок нет
52A 0389583

Втулка, Гребной винт (BUSHING, Propeller)

нет в наличии, поставок нет
0389979 0389979

Удлинитель KIT в сборе.. Not Shown 5 INCH LONGER PARTS (EXTENSION KIT ASSY.. Not Shown 5 INCH LONGER PARTS)

нет в наличии, поставок нет
0324601 0324601

Водяная трубка. Not Shown 5 INCH LONGER PARTS (WATER TUBE. Not Shown 5 INCH LONGER PARTS)

нет в наличии, поставок нет
0324604 0324604

Фиксатор, Водяная трубка. Not Shown 5 INCH LONGER PARTS (RETAINER, Water tube. Not Shown 5 INCH LONGER PARTS)

нет в наличии, поставок нет
0324611 0324611

Прокладка выпускной системы hsg.. Not Shown 5 INCH LONGER PARTS (GASKET, Exhaust hsg.. Not Shown 5 INCH LONGER PARTS)

нет в наличии, поставок нет
0323286 0323286

Пыльник водяной трубки. Not Shown 5 INCH LONGER PARTS (GROMMET, Water tube. Not Shown 5 INCH LONGER PARTS)

нет в наличии, поставок нет
4 0325040

Прокладка крыльчатки Корпус. 5 INCH LONGER PARTS (GASKET, Impeller housing. 5 INCH LONGER PARTS)

нет в наличии, поставок нет
14 0324637

Прокладка, Редуктор over. 5 INCH LONGER PARTS (GASKET, Gearcase over. 5 INCH LONGER PARTS)

нет в наличии, поставок нет
38 0330435

DRIVEВал, Long. 5 INCH LONGER PARTS (DRIVESHAFT, Long. 5 INCH LONGER PARTS)

нет в наличии, поставок нет
38 0324635

   (последний код) D-SHAFT-LNG

нет в наличии, поставок нет
39 0324621

Переключающая тяга. Long. 5 INCH LONGER PARTS (SHIFT ROD. Long. 5 INCH LONGER PARTS)

нет в наличии, поставок нет
46 0321129

Пыльник, нижний 5 INCH LONGER PARTS (GROMMET, Lower. 5 INCH LONGER PARTS)

нет в наличии, поставок нет
53 0330247

Винт, Редуктор & Удлинитель to Удлинитель корпуса. 5 INCH LONGER PARTS (SCREW, Gearcase & extension to exhaust housing. 5 INCH LONGER PARTS)

нет в наличии, поставок нет
53 0324645

   (последний код) SCREW

нет в наличии, поставок нет
54 0396308

Редуктор Удлинитель. 5 INCH LONGER PARTS (GEARCASE EXTENSION. 5 INCH LONGER PARTS)

нет в наличии, поставок нет
54 0393744

   (последний код) G-CASE-EXT

нет в наличии, поставок нет
55 0310674

Втулка. 5 INCH LONGER PARTS (BUSHING. 5 INCH LONGER PARTS)

нет в наличии, поставок нет
56 0326742

Гильза. 5 INCH LONGER PARTS (SLEEVE. 5 INCH LONGER PARTS)

нет в наличии, поставок нет
56 0326988

   (последний код) SLEEVE

нет в наличии, поставок нет
57 0333676

Винт Удлинитель to Корпус. 5 INCH LONGER PARTS (SCREW Extension to housing. 5 INCH LONGER PARTS)

нет в наличии, поставок нет
57 3854923

   (последний код) SCREW

нет в наличии, поставок нет
0303191 0303191

Уплотнительное кольцо, DriveВал to Коленвал. Not Shown 5 INCH LONGER PARTS (O-RING, Driveshaft to crankshaft. Not Shown 5 INCH LONGER PARTS)

нет в наличии, поставок нет
58 0324643

Винт, Редуктор to Удлинитель. 5 INCH LONGER PARTS (SCREW, Gearcase to extension. 5 INCH LONGER PARTS)

нет в наличии, поставок нет
59 0390772

Хромированный ремкомплект водяного насоса (CHROME PUMP KIT)

нет в наличии, поставок нет
60 0396644

Ремкомплект водяного насоса (WATER PUMP REPAIR KIT)

нет в наличии, поставок нет
60 0389844

   (последний код) WATERPUMP KIT

нет в наличии, поставок нет
61 0432397

Анод KIT, (Includes 47 & 48) (ANODE KIT, (Includes 47 & 48))

нет в наличии, поставок нет
61 0334451

   (последний код) ANODE

нет в наличии, поставок нет
evinrude

Время выполнения запроса 3.580472946167 сек.


 
 

данный сайт носит информационный характер и не является публичной офертой

склад запчастей для водомоторной техники