вконтакте

Контактный телефон: +7 (981) 121-46-93, +7 (800) 200-90-76 , Email: parts-katalog@yandex.ru, где купить

 
 

  Логин:

Пароль:

Регистрация

www.partskatalog.ru Все каталоги Запчасти Mercury Запчасти Suzuki Запчасти Tohatsu Запчасти Honda Контакты



УВАЖАЕМЫЕ КЛИЕНТЫ!
C 19 ДЕКАБРЯ 2025 ПО 02 МАРТА 2026 ГОДА ОТДЕЛ ЗАПЧАСТЕЙ И СЕРВИС РАБОТАТЬ НЕ БУДУТ
ПРОДАЖА ЛОДОЧНЫХ МОТОРОВ В ШТАТНОМ РЕЖИМЕ
ОБ ИЗМЕНЕНИЯХ В ГРАФИКЕ РАБОТЫ ЧИТАЙТЕ НА САЙТА




Все разделы каталога запчастей на этот двигатель

назад Раздел:   вперёд

вернуться к списку узлов и деталей

ДЕТАЛИРОВКА ДЛЯ МОДЕЛИ: EVINRUDE E300PXESB 1990

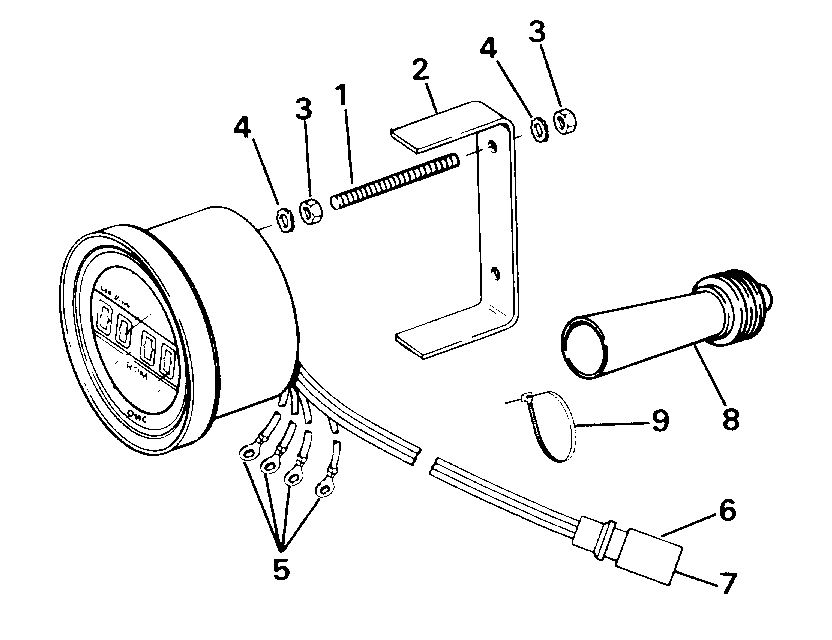
QUARTACH ТАХОМЕТР - МОНТАЖ ЗАПОДЛИЦО - ЦИФРОВЫЕ - ЗАГЛУШКА IN | QUARTACH TACHOMETER - FLUSH MOUNT - DIGITAL - PLUG IN &NB;


Подвесной лодочный мотор Эвинруд E300PXESB 1990  - Flush Mount - Digital - Plug In / монтаж заподлицо - цифровые - Заглушка In

Номер на
рисунке
АртикулНаименованиеКол-во
на складе
Цена
0174625 0174625

QUARTACH Тахометр. Not Shown (QUARTACH TACHOMETER. Not Shown)

нет в наличии, поставок нет
0174625 0175756

   (последний код) TACH-AY,DIG-

нет в наличии, поставок нет
1 0123641

Шпилька, Креплениеing (STUD, Mounting)

нет в наличии, поставок нет
2 0123642

Кронштейн, Креплениеing (BRACKET, Mounting)

нет в наличии, поставок нет
3 0133079

Гайка, Креплениеing (NUT, Mounting)

нет в наличии, поставок нет
4 0306991

LOCKМонтажная шайба (LOCKWASHER, Mounting)

нет в наличии, поставок нет
4 3852069

   (последний код) WASHER,LOCK

нет в наличии, поставок нет
5 0124343

Кольцо Клемма (RING TERMINAL)

нет в наличии, поставок нет
6 0511465

Коннектор (CONNECTOR)

нет в наличии, поставок нет
7 0511469

Штифт (PIN)

нет в наличии, поставок нет
7 3852229

   (последний код) TERMINAL,PIN

нет в наличии, поставок нет
8 0124280

BOOT (BOOT)

нет в наличии, поставок нет
9 0320107

Крепёжный хомут (TIE STRAP)

нет в наличии, поставок нет
9 5035626

   (последний код) BAND,REM CON

нет в наличии, поставок нет
evinrude

Время выполнения запроса 0.31363296508789 сек.


 
 

данный сайт носит информационный характер и не является публичной офертой

склад запчастей для водомоторной техники