вконтакте

Контактный телефон: +7 (981) 121-46-93, +7 (800) 200-90-76 , Email: parts-katalog@yandex.ru, где купить

 
 

  Логин:

Пароль:

Регистрация

www.partskatalog.ru Все каталоги Запчасти Mercury Запчасти Suzuki Запчасти Tohatsu Запчасти Honda Контакты



УВАЖАЕМЫЕ КЛИЕНТЫ!
C 31 ОКТЯБРЯ 2025 ПО 10 НОЯБРЯ 2025 ГОДА РАБОТАТЬ НЕ БУДЕМ




Все разделы каталога запчастей на этот двигатель

назад Раздел:   вперёд

вернуться к списку узлов и деталей

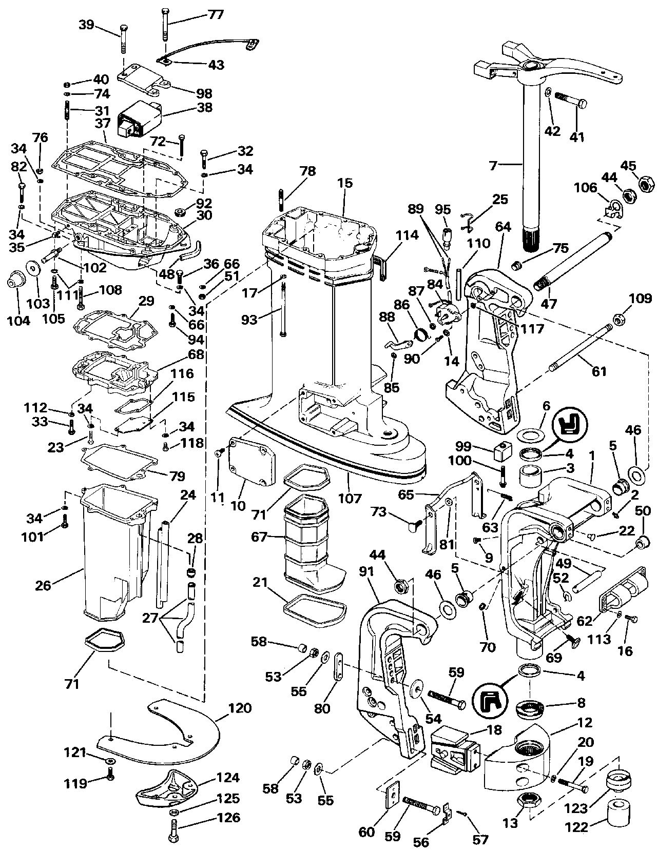
ДЕТАЛИРОВКА ДЛЯ МОДЕЛИ: EVINRUDE E225PXESS 1990

MIDSECTION | MIDSECTION;


Мотор Evinrude E225PXESS 1990  - dsection / dsection

Номер на
рисунке
АртикулНаименованиеКол-во
на складе
Цена
1 0432709

Поворотный кронштейн. 20 дюйм Transom Models Only (SWIVEL BRACKET. 20 in. Transom Models Only)

нет в наличии, поставок нет
1 0398295

   (последний код) SWIVEL-BRACK

нет в наличии, поставок нет
1 0432711

Поворотный кронштейн. 25 дюйм Transom Models Only (SWIVEL BRACKET. 25 in. Transom Models Only)

нет в наличии, поставок нет
1 0398292

   (последний код) SWIVEL-BRKT

нет в наличии, поставок нет
2 0313607

LUBRICATION FITTING (LUBRICATION FITTING)

нет в наличии, поставок нет
2 3852121

   (последний код) FITTING,LUB

нет в наличии, поставок нет
3 0320962

Втулка (BUSHING)

нет в наличии, поставок нет
4 0320937

Сальник (SEAL)

нет в наличии, поставок нет
5 0321035

Втулка, Поворотный кронштейн (BUSHING, Swivel bracket)

нет в наличии, поставок нет
6 0320866

THRUST Опорная шайба Вал (THRUST WASHER, Pivot shaft)

нет в наличии, поставок нет
7 0392518

Рулевая система Рычаг в сборе.. 20 дюйм Transom Models Only (STEERING ARM ASSY.. 20 in. Transom Models Only)

нет в наличии, поставок нет
7 0983289

   (последний код) STEERING ARM

нет в наличии, поставок нет
7 0392519

Рулевая система Рычаг в сборе.. 25 дюйм Transom Models Only (STEERING ARM ASSY.. 25 in. Transom Models Only)

нет в наличии, поставок нет
7 0983437

   (последний код) STRG ARM EXT LG

нет в наличии, поставок нет
8 0327696

KEEPER, Стержень Вал (KEEPER, Pivot shaft)

нет в наличии, поставок нет
9 0306014

Винт, Заземление lead (SCREW, Ground lead)

нет в наличии, поставок нет
10 0320864

Крышка, Монтажный кронштейн Винт (COVER, Mount bracket screw)

нет в наличии, поставок нет
10 0338942

   (последний код) COVER,MOUNT-LOWER

нет в наличии, поставок нет
11 0322000

Винт, Крышка (SCREW, Cover)

нет в наличии, поставок нет
12 0327051

Монтажный кронштейн (MOUNT BRACKET)

нет в наличии, поставок нет
12 0340006

   (последний код) BRACKET,MOUN

нет в наличии, поставок нет
12 0911519

Монтажный кронштейн, 25" (MOUNT BRACKET, 25")

нет в наличии, поставок нет
12 0911188

   (последний код) BRACKET

нет в наличии, поставок нет
13 0320746

Гайка, Монтажный кронштейн (NUT, Mount bracket)

нет в наличии, поставок нет
14 0328739

Шайба, Sending unit Винт (WASHER, Sending unit screw)

нет в наличии, поставок нет
14 3852190

   (последний код) WASHER

нет в наличии, поставок нет
15 0397861

Удлинитель корпуса. 20 дюйм Transom Models Only (EXHAUST HOUSING. 20 in. Transom Models Only)

нет в наличии, поставок нет
15 0435433

   (последний код) HSG&STUD AY,EXH

нет в наличии, поставок нет
15 0397862

Удлинитель корпуса. 25 дюйм Transom Models Only (EXHAUST HOUSING. 25 in. Transom Models Only)

нет в наличии, поставок нет
15 0435103

   (последний код) HOUSING&STUD AY

нет в наличии, поставок нет
16 0125544

Винт, Кронштейн (SCREW, Bracket)

нет в наличии, поставок нет
17 0307708

Шайба, Удлинитель корпуса (WASHER, Exhaust housing)

нет в наличии, поставок нет
17 0302865

   (последний код) LOCKWASHER

нет в наличии, поставок нет
18 0391710

RUBBER Крепление нижнее, 185, 225, 200TXC (RUBBER MOUNT, Lower, 185, 225, 200TXC)

нет в наличии, поставок нет
18 0434632

   (последний код) RUBBER MOUNT

нет в наличии, поставок нет
18 0391774

RUBBER Крепление нижнее, 200STL only (RUBBER MOUNT, Lower, 200STL only)

нет в наличии, поставок нет
18 0434629

   (последний код) RUBBER MOUNT

нет в наличии, поставок нет
19 0328078

Винт, Крепление (SCREW, Mount)

нет в наличии, поставок нет
19 0327052

   (последний код) SCREW

нет в наличии, поставок нет
20 0306314

LOCKШайба, Крепление (LOCKWASHER, Mount)

нет в наличии, поставок нет
21 0320961

Сальник, Редуктор to Внутренности машинки газ-реверс (SEAL, Gearcase to inner housing)

нет в наличии, поставок нет
22 0334076

Заглушка, Поворотный кронштейн (PLUG, Swivel bracket)

нет в наличии, поставок нет
23 0333165

Винт, Крышка, long (SCREW, Cover, long)

нет в наличии, поставок нет
23 0338306

   (последний код) SCREW

нет в наличии, поставок нет
24 0334118

Сальник, Выхлоп hsg., front (SEAL, Exhaust hsg., front)

нет в наличии, поставок нет
25 0512741

Фиксатор, Sending unit (RETAINER, Sending unit)

нет в наличии, поставок нет
26 0334112

Удлинитель корпуса, Inner, верхний (EXHAUST HOUSING, Inner,upper)

нет в наличии, поставок нет
26 0338598

   (последний код) EXH.HOUSING

нет в наличии, поставок нет
27 0321016

Водяная трубка. 20 дюйм Transom Models Only (WATER TUBE. 20 in. Transom Models Only)

нет в наличии, поставок нет
27 0346897

   (последний код) TUBE,WATER 20"

нет в наличии, поставок нет
27 0321015

Водяная трубка. 25 дюйм Transom Models Only (WATER TUBE. 25 in. Transom Models Only)

нет в наличии, поставок нет
27 0346898

   (последний код) TUBE,WATER 25"

нет в наличии, поставок нет
28 0305145

Пыльник водяной трубки (GROMMET, Water tube)

нет в наличии, поставок нет
29 0333566

Прокладка, Пластина to adapter (GASKET, Plate to adapter)

нет в наличии, поставок нет
29 0343809

   (последний код) GASKET

нет в наличии, поставок нет
30 0398779

ADAPTER, Exh. hsg (ADAPTER, Exh. hsg)

нет в наличии, поставок нет
31 0314616

Шпилька, Adapter (STUD, Adapter)

нет в наличии, поставок нет
31 0324811

   (последний код) STUD-CYL

нет в наличии, поставок нет
32 0303459

Винт, Adapter to Внутренности машинки газ-реверс (SCREW, Adapter to inner housing)

нет в наличии, поставок нет
32 3852048

   (последний код) SCREW

нет в наличии, поставок нет
33 0312978

Винт, Пластина to adapter (SCREW, Plate to adapter)

нет в наличии, поставок нет
33 0320289

   (последний код) SCREW

нет в наличии, поставок нет
34 0302290

LOCKШайба (LOCKWASHER)

нет в наличии, поставок нет
34 0338307

   (последний код) WASHER,LOCK

нет в наличии, поставок нет
35 0321886

ELBOW, не power Рулевая система (ELBOW, Non power steering)

нет в наличии, поставок нет
35 0321686

   (последний код) ELBOW

нет в наличии, поставок нет
36 0306409

Винт, Adapter to Корпус, outer (SCREW, Adapter to housing, outer)

нет в наличии, поставок нет
37 0333879

Прокладка, Adapter to powerhead (GASKET, Adapter to powerhead)

нет в наличии, поставок нет
37 0331214

   (последний код) GASKET

нет в наличии, поставок нет
38 0395539

Монтажная резинка в сборе., верхний (RUBBER MOUNT ASSY., Upper)

нет в наличии, поставок нет
39 0330930

Винт, верхний Крепление (SCREW, Upper mount)

нет в наличии, поставок нет
39 0335021

   (последний код) SCREW 3/8-16

нет в наличии, поставок нет
40 0306422

Гайка, Картер двигателя to adapter (NUT, Crankcase to adapter)

нет в наличии, поставок нет
41 0912345

Винт, верхний Крепление (SCREW, upper mount)

нет в наличии, поставок нет
42 0313169

LOCKШайба, Крепление Винт (LOCKWASHER, Mount screw)

нет в наличии, поставок нет
43 0583967

LEAD в сборе., Заземление (LEAD ASSY., Ground)

нет в наличии, поставок нет
43 0583357

   (последний код) LEAD-AY

нет в наличии, поставок нет
44 0335554

Гайка, Tilt Трубка (NUT, Tilt tube)

нет в наличии, поставок нет
45 0322376

WIPER Гайка, Tilt Трубка to Кабели. Recommended to prevent corrosion in salt water usage. (WIPER NUT, Tilt tube to cable. Recommended to prevent corrosion in salt water usage.)

нет в наличии, поставок нет
46 0327699

Упорная шайба, Кронштейн транца (THRUST WASHER, Stern bracket)

нет в наличии, поставок нет
46 0910992

   (последний код) THRUST WASHER

нет в наличии, поставок нет
47 0335553

TILT Трубка (TILT TUBE)

нет в наличии, поставок нет
48 0333434

Сальник, Крышка to adapter (SEAL, Cover to adapter)

нет в наличии, поставок нет
48 0328589

   (последний код) SEAL

нет в наличии, поставок нет
49 0331038

Штифт, Цилиндр наклона (PIN, Tilt cylinder)

нет в наличии, поставок нет
50 0331010

Втулка, Цилиндр наклона (BUSHING, Tilt cylinder)

нет в наличии, поставок нет
51 0306422

Гайка, Powerhead to adapter (NUT, Powerhead to adapter)

нет в наличии, поставок нет
52 0331029

Пружина Зажим (SPRING CLIP)

нет в наличии, поставок нет
53 0313623

Гайка, Кронштейн транца Винт (NUT, Stern bracket screw)

нет в наличии, поставок нет
53 0321861

   (последний код) NUT

нет в наличии, поставок нет
54 0307238

Шайба, Гайка (WASHER, Nut)

нет в наличии, поставок нет
55 0320248

Шайба (WASHER)

нет в наличии, поставок нет
55 0312910

   (последний код) WASHER

нет в наличии, поставок нет
56 0318273

Фиксатор (RETAINER)

нет в наличии, поставок нет
57 0319886

Винт (SCREW)

нет в наличии, поставок нет
58 0318572

Монтажная крышка Винт (CAP, Mounting screw)

нет в наличии, поставок нет
59 0327053

Винт, Brkt. to transom, 3 in (SCREW, Brkt. to transom, 3 in)

нет в наличии, поставок нет
59 0326614

Винт, Brkt. to transom, 4 1 / 2 дюйм (SCREW, Brkt. to transom, 4 1/2 in.)

нет в наличии, поставок нет
59 0336676

   (последний код) 4 3/4" TRNSM BOLT

нет в наличии, поставок нет
59 0321577

Винт, Brkt. to transom, 6 дюйм (SCREW, Brkt. to transom, 6 in.)

нет в наличии, поставок нет
60 0318272

Пластина (PLATE)

нет в наличии, поставок нет
61 0329417

Упорный стержень в сборе. (THRUST ROD ASSY.)

нет в наличии, поставок нет
62 0125543

Кронштейн рулевого управления Трубка (BRACKET, Steering tube)

нет в наличии, поставок нет
63 0323142

Пружина, Trail lock (SPRING, Trail lock)

нет в наличии, поставок нет
63 0322394

   (последний код) SPRING

нет в наличии, поставок нет
64 0329712

STERN BRKT., в сборе., Port (STERN BRKT., ASSY., Port)

нет в наличии, поставок нет
65 0390442

LOCKING Рычаг, Тяга (LOCKING LEVER, Rod)

нет в наличии, поставок нет
65 5004427

   (последний код) LEVER&ROD AY

нет в наличии, поставок нет
66 0306470

Шайба, Powerhead to adapter (WASHER, Powerhead to adapter)

нет в наличии, поставок нет
66 3852061

   (последний код) LOCKWASHER

нет в наличии, поставок нет
67 0320838

Выхлоп HSG., Inner, нижний 20 дюйм Transom Models Only (EXHAUST HSG., Inner, lower. 20 in. Transom Models Only)

нет в наличии, поставок нет
67 0327796

   (последний код) EXHAUST HSG, INNER

нет в наличии, поставок нет
67 0320839

Выхлоп HSG., Inner, нижний 25 дюйм Transom Models Only (EXHAUST HSG., Inner, lower. 25 in. Transom Models Only)

нет в наличии, поставок нет
67 0327797

   (последний код) EXHAUST HSG

нет в наличии, поставок нет
68 0333563

WATER Пластина (WATER PLATE)

нет в наличии, поставок нет
68 0347251

   (последний код) PLATE,WATER

нет в наличии, поставок нет
69 0321499

THRUST PAD (THRUST PAD)

нет в наличии, поставок нет
69 0320816

   (последний код) -THRUST-PAD

нет в наличии, поставок нет
70 0552938

LOCKГайка, Thrust pad (LOCKNUT, Thrust pad)

нет в наличии, поставок нет
70 0306319

   (последний код) NUT

нет в наличии, поставок нет
71 0320936

Сальник, Удлинитель корпуса (SEAL, Exhaust housing)

нет в наличии, поставок нет
72 0312495

Винт, Adapter to Пластина (SCREW, Adapter to plate)

нет в наличии, поставок нет
73 0329109

SHOULDER Винт (SHOULDER SCREW)

нет в наличии, поставок нет
73 0321389

   (последний код) HH-SHOULDER

нет в наличии, поставок нет
74 0306470

LOCKШайба, Картер двигателя to adapter (LOCKWASHER, Crankcase to adapter)

нет в наличии, поставок нет
74 3852061

   (последний код) LOCKWASHER

нет в наличии, поставок нет
75 0321243

Втулка, Кронштейн транца (BUSHING, Stern bracket)

нет в наличии, поставок нет
76 0328742

Гайка, Adapter to outer hsg (NUT, Adapter to outer hsg)

нет в наличии, поставок нет
76 0308133

   (последний код) NUT

нет в наличии, поставок нет
77 0330931

Винт, верхний Крепление (SCREW, Upper mount)

нет в наличии, поставок нет
77 0121250

   (последний код) SCREW

нет в наличии, поставок нет
78 0314956

Шпилька, Выхлоп hsg (STUD, Exhaust hsg)

нет в наличии, поставок нет
79 0334113

Прокладка, Inner exh. hsg. to megaphone (GASKET, Inner exh. hsg. to megaphone)

нет в наличии, поставок нет
80 0321735

SвышеPORT, Кронштейн транца (SUPPORT, Stern bracket)

нет в наличии, поставок нет
81 0552993

Шайба, Винт to Кронштейн (WASHER, Screw to bracket)

нет в наличии, поставок нет
81 0330266

   (последний код) WASHER

нет в наличии, поставок нет
82 0303398

Винт, Adapter to outer hsg (SCREW, Adapter to outer hsg)

нет в наличии, поставок нет
82 0330119

   (последний код) SCREW

нет в наличии, поставок нет
84 0583359

SENDING UNIT в сборе. (SENDING UNIT ASSY.)

нет в наличии, поставок нет
84 0583132

   (последний код) SENDING-UNIT

нет в наличии, поставок нет
84 0511527

Фиксатор (RETAINER)

нет в наличии, поставок нет
84 3852232

   (последний код) RETAINER

нет в наличии, поставок нет
86 0511528

Пружина (SPRING)

нет в наличии, поставок нет
87 0320689

Гайка (NUT)

нет в наличии, поставок нет
87 3852164

   (последний код) NUT

нет в наличии, поставок нет
88 0512211

Рычаг (ARM)

нет в наличии, поставок нет
88 0511530

   (последний код) ARM-SENDING

нет в наличии, поставок нет
89 0511469

Штифт, Sending unit (PIN, Sending unit)

нет в наличии, поставок нет
89 3852229

   (последний код) TERMINAL,PIN

нет в наличии, поставок нет
90 0308825

Винт, Sending unit to Кронштейн (SCREW, Sending unit to bracket)

нет в наличии, поставок нет
90 3852081

   (последний код) SCREW

нет в наличии, поставок нет
91 0329713

Кронштейн транца, Starboard (STERN BRACKET, Starboard)

нет в наличии, поставок нет
92 0329748

Сальник, Переключающая тяга (SEAL, Shift rod)

нет в наличии, поставок нет
93 0332128

Винт, Удлинитель корпуса (SCREW, Exhaust housing)

нет в наличии, поставок нет
94 0302860

Анод, Удлинитель корпуса (ANODE, Exhaust housing)

нет в наличии, поставок нет
95 0512746

Коннектор, Sending unit (CONNECTOR, Sending unit)

нет в наличии, поставок нет
96 0392123

Анод, Удлинитель корпуса (ANODE, Exhaust housing)

нет в наличии, поставок нет
97 0328049

Винт, Анод (SCREW, Anode)

нет в наличии, поставок нет
98 0330929

Пластина верхней опоры (PLATE, Upper mount)

нет в наличии, поставок нет
99 0433458

Анод, Кронштейн транца (ANODE, Stern bracket)

нет в наличии, поставок нет
99 0398331

   (последний код) ANODE & INSERT AY

нет в наличии, поставок нет
100 0333350

Винт, Анод to Кронштейн транца (SCREW, Anode to stern bracket)

нет в наличии, поставок нет
101 0303459

Винт, Inner hsg. to adapter (SCREW, Inner hsg. to adapter)

нет в наличии, поставок нет
101 3852048

   (последний код) SCREW

нет в наличии, поставок нет
102 0329743

Шпилька, Крышка Крепление (STUD, Cover mount)

нет в наличии, поставок нет
103 0329749

Шайба, Крепление (WASHER, Mount)

нет в наличии, поставок нет
103 0349556

   (последний код) WASHER

нет в наличии, поставок нет
104 0328584

Крепление, Крышка двигателя (капот) (MOUNT, Engine cover)

нет в наличии, поставок нет
104 0349557

   (последний код) MOUNT

нет в наличии, поставок нет
105 0306835

Винт, Цилиндр to adapter, rear (SCREW, Cylinder to adapter, rear)

нет в наличии, поставок нет
105 3736035

   (последний код) BOLT

нет в наличии, поставок нет
106 0327264

Зажим кабеля (CLAMP, Cable)

нет в наличии, поставок нет
106 0352105

   (последний код) CLAMP

нет в наличии, поставок нет
107 0211388

Наклейка, Exh. hsg., Ev (DECAL, Exh. hsg., Ev)

нет в наличии, поставок нет
107 0332731

Наклейка, Exh. hsg., Jo (DECAL, Exh. hsg., Jo)

нет в наличии, поставок нет
107 0333960

Наклейка, Exh. hsg., 185 (DECAL, Exh. hsg., 185)

нет в наличии, поставок нет
108 0311416

Винт, Adapter to Цилиндр (SCREW, Adapter to cylinder)

нет в наличии, поставок нет
109 0329742

Винт, Adapter to Цилиндр (SCREW, Adapter to cylinder)

нет в наличии, поставок нет
110 0512790

Гильза, Sending unit (SLEEVE, Sending unit)

нет в наличии, поставок нет
111 0302290

LOCKШайба, Cyl. to adapter (LOCKWASHER, Cyl. to adapter)

нет в наличии, поставок нет
111 0338307

   (последний код) WASHER,LOCK

нет в наличии, поставок нет
112 0302290

LOCKШайба пластины to adapter (LOCKWASHER, Plate to adapter)

нет в наличии, поставок нет
112 0338307

   (последний код) WASHER,LOCK

нет в наличии, поставок нет
113 0125545

Шайба (WASHER)

нет в наличии, поставок нет
113 0552783

   (последний код) WASHER

нет в наличии, поставок нет
114 0398200

Сальник в сборе., Выхлоп hsg. (SEAL ASSY., Exhaust hsg.)

нет в наличии, поставок нет
115 0333565

Крышка, Water Пластина (COVER, Water plate)

нет в наличии, поставок нет
116 0333564

Прокладка крышки to water Пластина (GASKET, Cover to water plate)

нет в наличии, поставок нет
117 0303701

Шайба, Заземление lead (WASHER, Ground lead)

нет в наличии, поставок нет
118 0124341

Винт, Крышка, short (SCREW, Cover, short)

нет в наличии, поставок нет
118 0338305

   (последний код) SCREW

нет в наличии, поставок нет
119 0910741

Винт, Spray Пластина. 25 дюйм Transom Models Only (SCREW, Spray plate. 25 in. Transom Models Only)

нет в наличии, поставок нет
119 0313023

   (последний код) SCREW

нет в наличии, поставок нет
120 0334979

SPRAY Пластина. 25 дюйм Transom Models Only (SPRAY PLATE. 25 in. Transom Models Only)

нет в наличии, поставок нет
120 0345776

   (последний код) DEFLECTOR,SPRAY

нет в наличии, поставок нет
121 0911201

Шайба, Spray Пластина. 25 дюйм Transom Models Only (WASHER, Spray plate. 25 in. Transom Models Only)

нет в наличии, поставок нет
122 0911312

Сальник, Рулевая система Трубка. 25 дюйм Transom Models Only (SEAL, Steering tube. 25 in. Transom Models Only)

нет в наличии, поставок нет
123 0912233

Фиксатор, Стержень Вал Сальник. 25 дюйм Transom Models Only (RETAINER, Pivot shaft seal. 25 in. Transom Models Only)

нет в наличии, поставок нет
124 0913262

SPRAY DEFLECTOR. 25 дюйм Transom Models Only (SPRAY DEFLECTOR. 25 in. Transom Models Only)

нет в наличии, поставок нет
124 0345776

   (последний код) DEFLECTOR,SPRAY

нет в наличии, поставок нет
125 0301250

Шайба, Spray deflector. 25 дюйм Transom Models Only (WASHER, Spray deflector. 25 in. Transom Models Only)

нет в наличии, поставок нет
125 0911009

   (последний код) WASHER

нет в наличии, поставок нет
126 0910736

Винт, Пластина & deflector. 25 дюйм Transom Models Only (SCREW, Plate & deflector. 25 in. Transom Models Only)

нет в наличии, поставок нет
evinrude

Время выполнения запроса 7.4976279735565 сек.


 
 

данный сайт носит информационный характер и не является публичной офертой

склад запчастей для водомоторной техники