вконтакте

Контактный телефон: +7 (981) 121-46-93, +7 (800) 200-90-76 , Email: parts-katalog@yandex.ru, где купить

 
 

  Логин:

Пароль:

Регистрация

www.partskatalog.ru Все каталоги Запчасти Mercury Запчасти Suzuki Запчасти Tohatsu Запчасти Honda Контакты



УВАЖАЕМЫЕ КЛИЕНТЫ!
C 31 ОКТЯБРЯ 2025 ПО 10 НОЯБРЯ 2025 ГОДА РАБОТАТЬ НЕ БУДЕМ




Все разделы каталога запчастей на этот двигатель

назад Раздел:   вперёд

вернуться к списку узлов и деталей

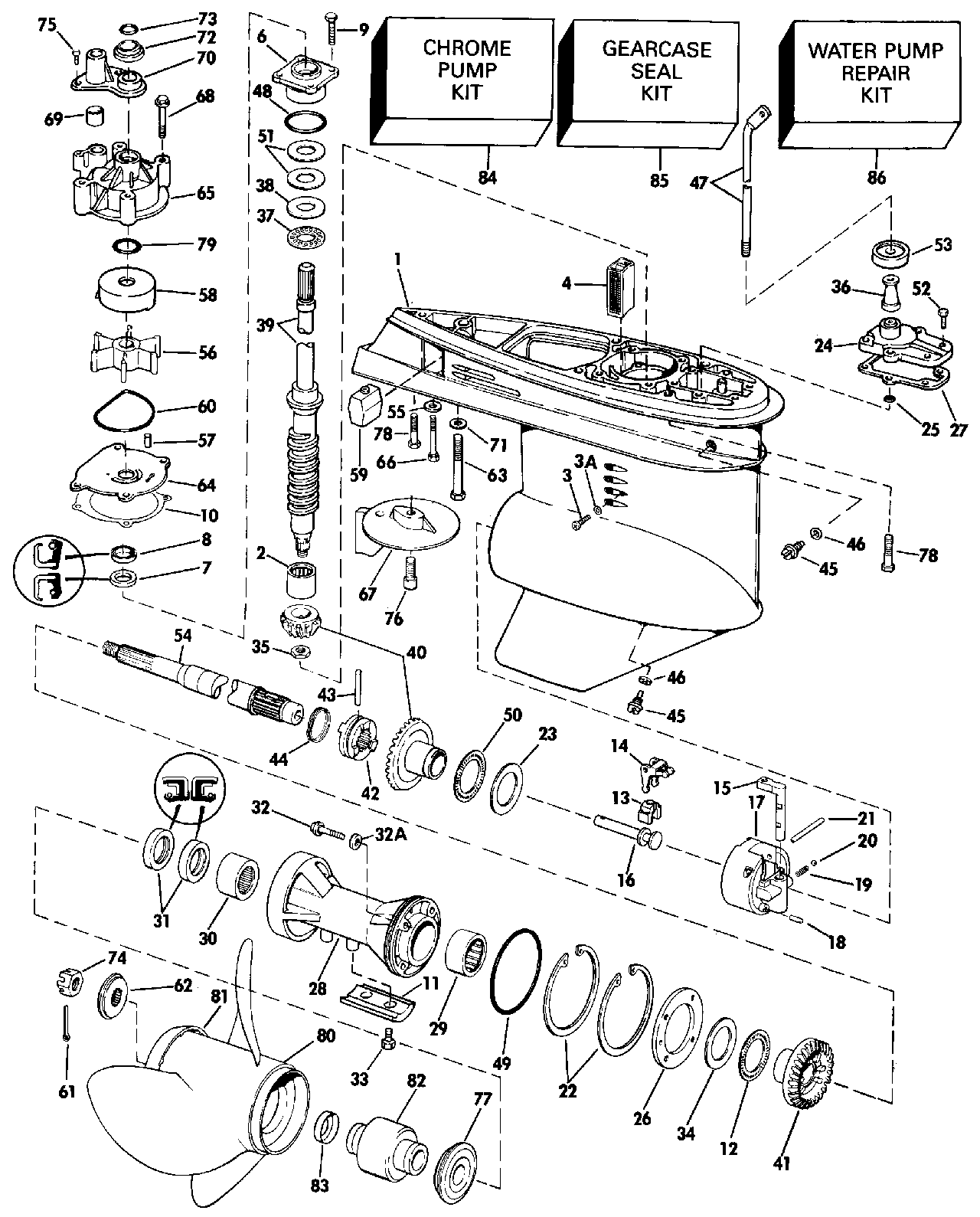
ДЕТАЛИРОВКА ДЛЯ МОДЕЛИ: EVINRUDE VE90TLESB 1990

РЕДУКТОР | GEARCASE;


Лодочный мотор EVINRUDE VE90TLESB 1990  - arcase / arcase

Номер на
рисунке
АртикулНаименованиеКол-во
на складе
Цена
0398182 0398182

Редуктор в сборе., комплект. Replaced by 435474 gcase и 435760 верхний Корпус вала передачи ay, и if requiкрасный 332120 Переключающая тяга. (GEARCASE ASSY., Complete. Replaced by 435474 gcase and 435760 upper drive shaft ay, and if required 332120 shift rod.)

нет в наличии, поставок нет
0398183 0398183

Редуктор в сборе., комплект. Not Shown 25 дюйм (635 мм) Transom Models (GEARCASE ASSY., Complete. Not Shown 25 in. (635mm) Transom Models)

нет в наличии, поставок нет
1 0431642

Редуктор & BRG. в сборе. (GEARCASE & BRG. ASSY.)

нет в наличии, поставок нет
1 0394763

   (последний код) GEARCASE&BRG AY

нет в наличии, поставок нет
2 0384195

Подшипник, Шестерня (BEARING, Pinion)

нет в наличии, поставок нет
3 0324852

Установочный винт, Подшипник (SET SCREW, Bearing)

нет в наличии, поставок нет
3A 0332584

Шайба (WASHER)

нет в наличии, поставок нет
4 0323466

Водяной экран Система впуска (SCREEN, Water intake)

нет в наличии, поставок нет
4 0314996

   (последний код) SCREEN

нет в наличии, поставок нет
6 0397493

Подшипник HSG. & Сальник в сборе. (BEARING HSG. & SEAL ASSY.)

нет в наличии, поставок нет
6 0439476

   (последний код) DS BRG HSG&SEAL AY

нет в наличии, поставок нет
7 0329923

Сальник, нижний (SEAL, Lower)

нет в наличии, поставок нет
8 0329922

Сальник, верхний (SEAL, Upper)

нет в наличии, поставок нет
9 0317624

Винт, Hsg. to Редуктор (SCREW, Hsg. to gearcase)

нет в наличии, поставок нет
10 0324701

Прокладка, Imp. hsg. Пластина. Also included in Ремкомплект водяного насосаs 395062 & 395060 (GASKET, Imp. hsg. plate. Also included in Water Pump Repair Kits 395062 & 395060)

нет в наличии, поставок нет
10 0338484

   (последний код) GASKET,WTR PMP 5PK

нет в наличии, поставок нет
11 0431708

Анод, Подшипник hsg. (ANODE, Bearing hsg.)

нет в наличии, поставок нет
11 0397111

   (последний код) ANODE-AY

нет в наличии, поставок нет
12 0382408

THRUST BRG., в сборе. Rev. Шестерня (THRUST BRG., ASSY. Rev. gear)

нет в наличии, поставок нет
13 0334163

CRADLE, Переключательer (CRADLE, Shifter)

5 шт1880 руб.
13 0322900

   (последний код) CRADLE-SHIFT

нет в наличии, поставок нет
14 0324037

Рычаг переключателя (LEVER, Shift)

8 шт3700 руб.
15 0323946

DETENT, Переключательer (DETENT, Shifter)

нет в наличии, поставок нет
15 0915954

   (последний код) DETENT

нет в наличии, поставок нет
16 0322941

Вал (SHAFT)

нет в наличии, поставок нет
17 0391365

Подшипник HSG. & Штифт в сборе. (BEARING HSG. & PIN ASSY.)

нет в наличии, поставок нет
17 0984096

   (последний код) BEARING HOUSING

нет в наличии, поставок нет
18 0331880

Штифт, Корпус (PIN, Housing)

нет в наличии, поставок нет
19 0326666

Фиксатор пружины (SPRING, Detent)

нет в наличии, поставок нет
20 0327345

Шарик, Detent (BALL, Detent)

нет в наличии, поставок нет
21 0320145

Штифт (PIN)

нет в наличии, поставок нет
21 0323945

   (последний код) PIN-SHIFTER

нет в наличии, поставок нет
22 0313445

Стопорное кольцо (RETAINING RING)

нет в наличии, поставок нет
23 0324766

Упорная шайба, Fwd. Шестерня (THRUST WASHER, Fwd. gear)

нет в наличии, поставок нет
24 0388618

Крышка & Сальник в сборе. (COVER & SEAL ASSY.)

нет в наличии, поставок нет
24 5006241

   (последний код) COVER AY,SHIFT ROD

нет в наличии, поставок нет
25 0318372

Уплотнительное кольцо, Переключающая тяга (O-RING, Shift rod)

нет в наличии, поставок нет
26 0314732

Фиксатор Пластина, Подшипник hsg. (RETAINER PLATE, Bearing hsg.)

нет в наличии, поставок нет
27 0324670

Прокладка крышки (GASKET, Cover)

нет в наличии, поставок нет
27 0352165

   (последний код) GASKET

2 шт550 руб.
28 0397087

BRG. Корпус Сальник в сборе. (BRG. HOUSING SEAL ASSY.)

нет в наличии, поставок нет
28 0384523

   (последний код) PS BRG HSG&SEAL AY

нет в наличии, поставок нет
29 0382407

Игольчатый подшипник в сборе. (NEEDLE BEARING ASSY.)

1 шт5500 руб.
30 0379504

Игольчатый подшипник в сборе. (NEEDLE BEARING ASSY.)

нет в наличии, поставок нет
31 0330137

Сальник (SEAL)

17 шт3700 руб.
31 0321668

   (последний код) SEAL-CRNKSHF

нет в наличии, поставок нет
31 T-0330137

   (не оригинальный аналог) Сальник редуктора OMC/Johnson/Evinrude 0330137

под заказ штпо запросу
32 0316563

Винт & Сальник (SCREW & SEAL)

нет в наличии, поставок нет
32A 0332583

Сальник (SEAL)

нет в наличии, поставок нет
33 0908158

Винт (SCREW)

нет в наличии, поставок нет
33 3852050

   (последний код) SCREW

нет в наличии, поставок нет
34 0314731

THRUST Шайба шестерни заднего хода (THRUST WASHER, Reverse gear)

нет в наличии, поставок нет
35 0314730

Гайка, Шестерня to driveВал (NUT, Pinion to driveshaft)

нет в наличии, поставок нет
36 0321122

Проставка, Переключающая тяга. 25 дюйм (635 мм) Transom Models (SPACER, Shift rod. 25 in. (635mm) Transom Models)

нет в наличии, поставок нет
37 0387656

THRUST Подшипник, Шестерня (THRUST BEARING, Pinion)

нет в наличии, поставок нет
37 0383248

   (последний код) BEARING

нет в наличии, поставок нет
38 0327656

Упорная шайба шестерни Шестерня (THRUST WASHER, Pinion)

нет в наличии, поставок нет
38 0314729

   (последний код) THRUST-WASHE

нет в наличии, поставок нет
39 0394613

Приводной вал.. 20 дюйм (508 мм) Transom Models (DRIVESHAFT ASSY.. 20 in. (508mm) Transom Models)

нет в наличии, поставок нет
39 5000777

   (последний код) KIT AY,2PC D/SHAFT

нет в наличии, поставок нет
39 0394614

Приводной вал.. 25 дюйм (635 мм) Transom Models (DRIVESHAFT ASSY.. 25 in. (635mm) Transom Models)

нет в наличии, поставок нет
39 5000778

   (последний код) KIT AY,D-SHAFT 2PC

нет в наличии, поставок нет
40 0434063

Шестерня & Комплект шестерёнок. (GEAR & PINION ASSY.)

нет в наличии, поставок нет
40 0436746

   (последний код) V4 GEARSET 13:26

1 шт47700 руб.
41 0333077

Шестерня обратного хода (GEAR, Reverse)

нет в наличии, поставок нет
41 0345992

   (последний код) GEAR,REVERSE V4

нет в наличии, поставок нет
42 0323664

Переключатель собачки сцепления (SHIFTER, Clutch dog)

нет в наличии, поставок нет
42 0341517

   (последний код) TER,CLUTCH-D

нет в наличии, поставок нет
43 0313448

Штифт сцепления dog (PIN, Clutch dog)

нет в наличии, поставок нет
44 0324369

Пружина, Сцепление dog Штифт (SPRING, Clutch dog pin)

нет в наличии, поставок нет
44 0313454

   (последний код) SPRING

нет в наличии, поставок нет
45 0318544

Заглушка, Fill и drain (PLUG, Fill and drain)

нет в наличии, поставок нет
45 0912624

   (последний код) SCREW

нет в наличии, поставок нет
46 0333572

Уплотнительное кольцо (O-RING)

нет в наличии, поставок нет
46 3855081

   (последний код) 0-RING

нет в наличии, поставок нет
47 0332120

Переключающая тяга. 20 дюйм (508 мм) Transom Models (SHIFT ROD. 20 in. (508mm) Transom Models)

нет в наличии, поставок нет
47 0332121

Переключающая тяга. 25 дюйм (635 мм) Transom Models (SHIFT ROD. 25 in. (635mm) Transom Models)

нет в наличии, поставок нет
48 0314728

Уплотнительное кольцо, DriveВал Подшипник (O-RING, Driveshaft bearing)

нет в наличии, поставок нет
48 0354731

   (последний код) O-RING

1 шт850 руб.
49 0313446

Уплотнительное кольцо, Вал гребного винта Подшипник Корпус (O-RING, Propeller shaft bearing housing)

нет в наличии, поставок нет
50 0385043

THRUST BRG. в сборе., Fwd. Шестерня (THRUST BRG. ASSY., Fwd. gear)

нет в наличии, поставок нет
50 3852221

   (последний код) BEARING-AY,T

нет в наличии, поставок нет
51 0323362

Регулировочная шайба, Подшипник Корпус, 0.003 in (SHIM, Bearing housing, 0.003 in)

нет в наличии, поставок нет
51 0323361

Регулировочная шайба, Подшипник Корпус, 0.004 in (SHIM, Bearing housing, 0.004 in)

нет в наличии, поставок нет
51 0314745

Регулировочная шайба, Подшипник Корпус, 0.005 in (SHIM, Bearing housing, 0.005 in)

нет в наличии, поставок нет
52 0302325

Винт, Крышка (SCREW, Cover)

нет в наличии, поставок нет
53 0321008

Пыльник. Also included in Ремкомплект водяного насоса 395062 (GROMMET. Also included in Water Pump Repair Kit 395062)

нет в наличии, поставок нет
54 0387818

Вал гребного винта в сборе. (PROPELLER SHAFT ASSY.)

нет в наличии, поставок нет
54 0436888

   (последний код) SHAFT AY,PROPELLER

нет в наличии, поставок нет
55 0303886

Шайба, Filler block. 88 Models (WASHER, Filler block. 88 Models)

нет в наличии, поставок нет
56 0395864

Крыльчатка & Ключ в сборе.. Also included in Ремкомплект водяного насоса 395062 (IMPELLER & KEY ASSY.. Also included in Water Pump Repair Kit 395062)

нет в наличии, поставок нет
56 5001593

   (последний код) KIT AY,IMPELLER

нет в наличии, поставок нет
57 0331107

Ключ, Крыльчатка. Also included in Ремкомплект водяного насоса 395062 (KEY, Impeller. Also included in Water Pump Repair Kit 395062)

нет в наличии, поставок нет
58 0330379

Cвыше, Крыльчатка. Also included in Ремкомплект водяного насоса 395062 Stainless Steel (CUP, Impeller. Also included in Water Pump Repair Kit 395062 Stainless Steel)

нет в наличии, поставок нет
58 0435027

   (последний код) CUP-&-PLATE

нет в наличии, поставок нет
58 0330384

Cвыше, Крыльчатка, chrome. хромированная пластина (CUP, Impeller, chrome. Chrome Plated)

нет в наличии, поставок нет
58 0435526

   (последний код) CUP & PLATE AY

нет в наличии, поставок нет
59 0327482

FILLER BLOCK. 88 Models (FILLER BLOCK. 88 Models)

нет в наличии, поставок нет
59 0393023

Анод. 90 / 100 / 115 Models (ANODE. 90/100/115 Models)

нет в наличии, поставок нет
59 0436745

   (последний код) ANODE&INSERT AY

нет в наличии, поставок нет
60 0331353

Сальник, Крыльчатка Корпус Пластина. Also included in Ремкомплект водяного насоса 395062 (SEAL, Impeller housing plate. Also included in Water Pump Repair Kit 395062)

1 шт790 руб.
61 0314502

Шплинт, Гайка гребного винта (COTTER PIN, Propeller nut)

нет в наличии, поставок нет
62 0315810

Проставка гайки гребного винта (SPACER, Propeller nut)

нет в наличии, поставок нет
63 0331998

Винт, Редуктор to hsg. (SCREW, Gearcase to hsg.)

нет в наличии, поставок нет
63 0914535

   (последний код) SCREW

нет в наличии, поставок нет
64 0330380

Пластина корпуса крыльчатки.. Stainless Steel Also included in Ремкомплект водяного насоса 395062 (PLATE, Impeller hsg.. Stainless Steel Also included in Water Pump Repair Kit 395062)

нет в наличии, поставок нет
64 0435027

   (последний код) CUP-&-PLATE

нет в наличии, поставок нет
64 0330383

Пластина корпуса крыльчатки., chrome. хромированная пластина (PLATE, Impeller hsg., chrome. Chrome Plated)

нет в наличии, поставок нет
64 0435526

   (последний код) CUP & PLATE AY

нет в наличии, поставок нет
65 0395040

Крыльчатка Корпус в сборе.. Also included in Ремкомплект водяного насоса 395062 (IMPELLER HOUSING ASSY.. Also included in Water Pump Repair Kit 395062)

нет в наличии, поставок нет
65 0435485

   (последний код) HOUSING-AY,P

нет в наличии, поставок нет
66 0328096

Винт, Анод (SCREW, Anode)

нет в наличии, поставок нет
66 0327046

   (последний код) SCREW

нет в наличии, поставок нет
66 0322000

Винт, Filler block. 88 Models (SCREW, Filler block. 88 Models)

нет в наличии, поставок нет
67 0327640

Пластина трима, Редуктор (TRIM TAB, Gearcase)

нет в наличии, поставок нет
67 0338742

   (последний код) TAB,TRIM-STD

нет в наличии, поставок нет
68 0328715

Винт, Крыльчатка Корпус. Also included in Ремкомплект водяного насоса 395062 (SCREW, Impeller housing. Also included in Water Pump Repair Kit 395062)

нет в наличии, поставок нет
68 0335221

   (последний код) SCREW

нет в наличии, поставок нет
69 0314008

Пыльник водяной трубки. Also included in Ремкомплект водяного насоса 395062 (GROMMET, Water tube. Also included in Water Pump Repair Kit 395062)

нет в наличии, поставок нет
70 0321159

Крышка. Also included in Ремкомплект водяного насоса 395062 (COVER. Also included in Water Pump Repair Kit 395062)

нет в наличии, поставок нет
70 0338893

   (последний код) COVER,IMPELL

нет в наличии, поставок нет
71 0306314

LOCKШайба, Винт, long (LOCKWASHER, Screw, long)

нет в наличии, поставок нет
72 0320943

Пыльник, Imp. Корпус. Also included in Ремкомплект водяного насоса 395062 (GROMMET, Imp. housing. Also included in Water Pump Repair Kit 395062)

1 шт300 руб.
73 0310585

Уплотнительное кольцо, DriveВал to Картер двигателя. Also included in Ремкомплект водяного насоса 395062 (O-RING, Driveshaft to crankcase. Also included in Water Pump Repair Kit 395062)

нет в наличии, поставок нет
74 0314503

Гайка гребного винта (NUT, Propeller)

нет в наличии, поставок нет
75 0306643

Винт, Крышка to Крыльчатка. Also included in Ремкомплект водяного насоса 395062 (SCREW, Cover to impeller. Also included in Water Pump Repair Kit 395062)

нет в наличии, поставок нет
75 3852066

   (последний код) SCREW

нет в наличии, поставок нет
76 0313715

Винт, Пластина трима (SCREW, Trim tab)

нет в наличии, поставок нет
77 0318841

Упорная втулка (THRUST BUSHING)

нет в наличии, поставок нет
77 0127084

   (последний код) BUSHING,THRUST

нет в наличии, поставок нет
78 0331999

Винт, Редуктор to Выхлоп hsg. (SCREW, Gearcase to exhaust hsg.)

нет в наличии, поставок нет
78 0910457

   (последний код) SCREW

нет в наличии, поставок нет
79 0332000

Кольцевой сальник, Крыльчатка hsg.. Also included in Ремкомплект водяного насоса 395062 (SEAL RING, Impeller hsg.. Also included in Water Pump Repair Kit 395062)

нет в наличии, поставок нет
80 0383160

Гребной винт, 14 x 19 Aluminum (PROPELLER, 14 x 19 Aluminum)

нет в наличии, поставок нет
80 0763300

   (последний код) PROP AL,14 X 9

нет в наличии, поставок нет
80 0382761

Гребной винт, 14 x 11 Aluminum (PROPELLER, 14 x 11 Aluminum)

нет в наличии, поставок нет
80 0391668

Гребной винт, 14 x 13 Aluminum (PROPELLER, 14 x 13 Aluminum)

нет в наличии, поставок нет
80 0765181

   (последний код) PROP,AL 13.75X13

нет в наличии, поставок нет
80 0391198

Гребной винт, 13 3 / 4 x 15 Aluminum (PROPELLER, 13 3/4 x 15 Aluminum)

нет в наличии, поставок нет
80 0765182

   (последний код) PROP AY,AL 13.5X15

нет в наличии, поставок нет
80 0391199

Гребной винт, 13 1 / 4 x 17 Aluminum (PROPELLER, 13 1/4 x 17 Aluminum)

нет в наличии, поставок нет
80 0765183

   (последний код) PROP,AL 13.25X17

нет в наличии, поставок нет
80 0390896

Гребной винт, 13 x 19 Aluminum (PROPELLER, 13 x 19 Aluminum)

нет в наличии, поставок нет
80 0765184

   (последний код) PROP AY,AL 13.2X19

нет в наличии, поставок нет
80 0389788

Гребной винт, 12 3 / 4 x 21 Aluminum (PROPELLER, 12 3/4 x 21 Aluminum)

нет в наличии, поставок нет
80 0765185

   (последний код) PROP AY,AL 13.2X21

нет в наличии, поставок нет
80 0390895

Гребной винт, 12 3 / 4 x 23 Aluminum (PROPELLER, 12 3/4 x 23 Aluminum)

нет в наличии, поставок нет
80 0177150

   (последний код) PROP AY,12.75 X 23

нет в наличии, поставок нет
80 0389792

Гребной винт, 13 3 / 4 x 11 - SST (PROPELLER, 13 3/4 x 11 - SST)

нет в наличии, поставок нет
80 0390115

   (последний код) SST-50HP-RED

нет в наличии, поставок нет
80 0392261

Гребной винт, 13 3 / 4 x 13 - SST (PROPELLER, 13 3/4 x 13 - SST)

нет в наличии, поставок нет
80 0175013

Гребной винт, 13 3 / 4 x 13 - SST. Triple Cвыше (PROPELLER, 13 3/4 x 13 - SST. Triple Cup)

нет в наличии, поставок нет
80 0177203

   (последний код) PROP,AL 13.88X13RH

нет в наличии, поставок нет
80 0389949

Гребной винт, 13 3 / 4 x 15 - SST II (PROPELLER, 13 3/4 x 15 - SST II)

нет в наличии, поставок нет
80 0763929

   (последний код) VIPER V413.875X15

нет в наличии, поставок нет
80 0389948

Гребной винт, 13 3 / 8 x 17 - SST II (PROPELLER, 13 3/8 x 17 - SST II)

нет в наличии, поставок нет
80 0176572

   (последний код) SST V4 13.88X17

нет в наличии, поставок нет
80 0389510

Гребной винт, 13 x 19 - SST II (PROPELLER, 13 x 19 - SST II)

нет в наличии, поставок нет
80 0763931

   (последний код) VIPERV4 13.875X19

нет в наличии, поставок нет
80 0389512

Гребной винт, 12 3 / 4 x 21 - SST II (PROPELLER, 12 3/4 x 21 - SST II)

нет в наличии, поставок нет
80 0384702

   (последний код) SST-V4-21"

нет в наличии, поставок нет
80 0394758

Гребной винт, 13 1 / 2 x 18 OMC RAKER (PROPELLER, 13 1/2 x 18 OMC RAKER)

нет в наличии, поставок нет
80 0763953

   (последний код) RAKER V-4 13.5X18

нет в наличии, поставок нет
80 0394759

Гребной винт, 13 1 / 2 x 20 OMC RAKER (PROPELLER, 13 1/2 x 20 OMC RAKER)

нет в наличии, поставок нет
80 0763954

   (последний код) RAKER V-4 13.5X20

нет в наличии, поставок нет
80 0394760

Гребной винт, 13 1 / 2 x 22 OMC RAKER (PROPELLER, 13 1/2 x 22 OMC RAKER)

нет в наличии, поставок нет
80 0763955

   (последний код) RAKER V-4 13.5X22

нет в наличии, поставок нет
81 0332393

CONVERGING Кольцо (CONVERGING RING)

нет в наличии, поставок нет
81 0325996

   (последний код) CONVERGING RING

нет в наличии, поставок нет
82 0384977

PROP. Втулка в сборе. (PROP. BUSHING ASSY.)

нет в наличии, поставок нет
83 0313926

Гильза (SLEEVE)

нет в наличии, поставок нет
83 3850831

   (последний код) SLEEVE-PROP

нет в наличии, поставок нет
84 0395059

Хромированный ремкомплект водяного насоса (Inc. imp. hsg.) (CHROME PUMP KIT (Inc. imp. hsg.))

нет в наличии, поставок нет
84 0435526

   (последний код) CUP & PLATE AY

нет в наличии, поставок нет
85 0396354

Комплект сальников редуктора (GEARCASE SEAL KIT)

нет в наличии, поставок нет
85 5006373

   (последний код) KIT AY,SEAL-GC

нет в наличии, поставок нет
86 0395060

Ремкомплект водяного насоса (WATER PUMP REPAIR KIT)

нет в наличии, поставок нет
86 5001594

   (последний код) KIT AY,WATER PUMP

нет в наличии, поставок нет
86 T-5001594

   (не оригинальный аналог) Ремкомплект насоса охлаждения Evinrude-Johnson 5001594

2 шт штпо запросу
86 0395062

Ремкомплект водяного насоса (Includes Крыльчатка Корпус) (WATER PUMP REPAIR KIT (Includes impeller housing))

нет в наличии, поставок нет
86 5001594

   (последний код) KIT AY,WATER PUMP

нет в наличии, поставок нет
86 T-5001594

   (не оригинальный аналог) Ремкомплект насоса охлаждения Evinrude-Johnson 5001594

2 шт штпо запросу
evinrude

Время выполнения запроса 2.1700119972229 сек.


 
 

данный сайт носит информационный характер и не является публичной офертой

склад запчастей для водомоторной техники