вконтакте

Контактный телефон: +7 (981) 121-46-93, +7 (800) 200-90-76 , Email: parts-katalog@yandex.ru, где купить

 
 

  Логин:

Пароль:

Регистрация

www.partskatalog.ru Все каталоги Запчасти Mercury Запчасти Suzuki Запчасти Tohatsu Запчасти Honda Контакты


Выбрать другую модель

назад Раздел:   вперёд

вернуться к списку узлов и деталей

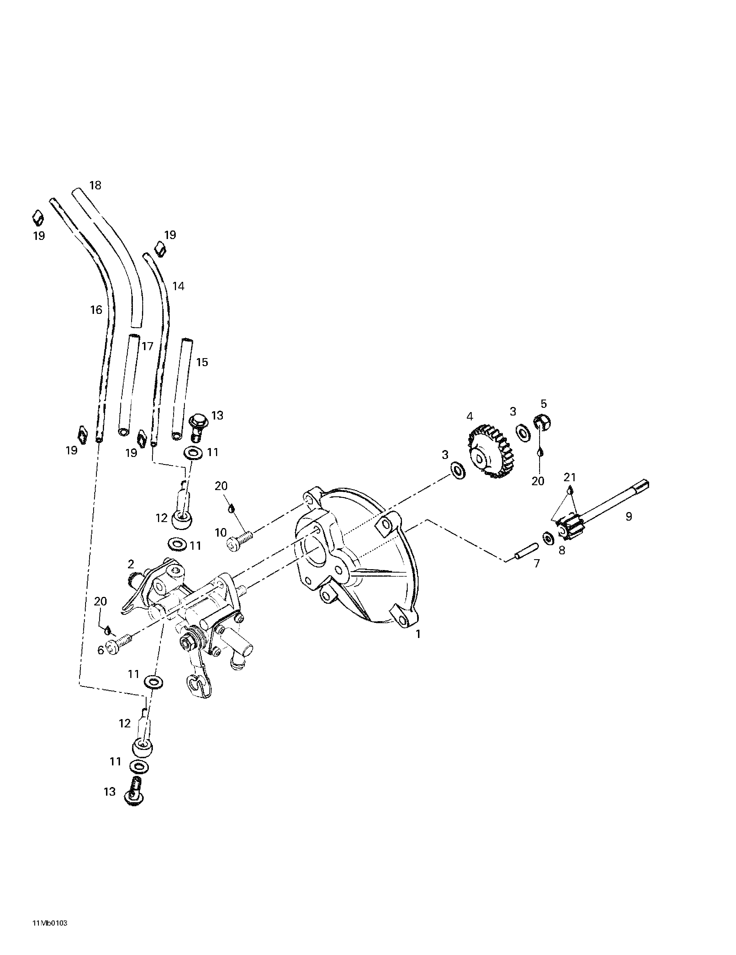
ДЕТАЛИРОВКА ДЛЯ МОДЕЛИ: SKIDOO Touring 380 F/500F, 2001

Раздел: Oil Injection System | Oil Injection System


snowmobile SkiDoo Touring 380 F/500F, 2001 раздел - Oil Injection System

Номер на
рисунке
АртикулНаименованиеКол-во
на складе
Цена
1 420910160

Помпа Креплениеing Фланец (Pump Mounting Flange)

под заказ5710 руб.
1 910160

MOUNTING PLATE (USE 420910160)

под заказ3400 руб.
2 420887997

Масляный насос в сборе. TouКольцо 380 F. (Oil Pump Assy. Touring 380 F.)

под заказ19120 руб.
2 420887995

POMPE A HUILE *PUMP-OIL ASSY.

под заказ14950 руб.
420887996

Масляный насос в сборе. TouКольцо 500 F. (Oil Pump Assy. Touring 500 F.)

под заказ19120 руб.
420887994

POMPE A HUILE *PUMP-OIL ASSY.

под заказ14950 руб.
3 420927945

плоский Шайба (Flat Washer)

под заказ284 руб.
3 927945

WASHER (USE 420927945)

под заказ230 руб.
4 420935930

Масляный насос Шестерня (27 Teeth) (Oil Pump Gear (27 Teeth))

под заказ1050 руб.
4 935930

GEAR Z-27 (USE 420935930)

под заказ610 руб.
5 232561414

Эластичная гайка со стопором M6 (Elastic Stop Nut M6)

под заказ130 руб.
5 420842040

NUT-STOP ELASTIC DIN.985

под заказ110 руб.
6 420841970

Винт M5.5 x 16 (Plastite) (Screw M5.5 x 16 (Plastite))

под заказ335 руб.
6 420841971

SCREW

под заказ430 руб.
7 420832260

иголка Штифт (Needle Pin)

под заказ170 руб.
8 420244073

Шайба 4.3 mm (Washer 4.3 mm)

под заказ138 руб.
8 420244072

WASHER-FLAT 4,3

под заказ110 руб.
9 420935970

Шестерня (9 Teeth) (Gear (9 Teeth))

под заказ1120 руб.
9 935970

GEAR Z-9(USE420935970)

под заказ720 руб.
10420841970

Винт M5.5 x 16 (Screw M5.5 x 16)

под заказ335 руб.
10420841971

SCREW

под заказ430 руб.
11404146600

Сальникing Шайба (Sealing Washer)

под заказ284 руб.
11420227500

RONDELLE ETANCH*WASHER-SEAL

под заказ230 руб.
12420956010

Клапан в сборе (Valve Assy)

под заказ1720 руб.
12956010

MALE TERMINAL ASSY (USE 420956010)

под заказ1350 руб.
13404146800

Banjo Болт M6 x 16 (Banjo Bolt M6 x 16)

под заказ978 руб.
13290241830

BOULON BANJO *BOLT-BANJO

под заказ340 руб.
14414413800

Oil Line (Oil Line)

под заказ284 руб.
14414124500

TUYAU AERATION *TUBE-AIR VENT

под заказ230 руб.
15420960750

Isolation Line 90 mm (Isolation Line 90 mm)

под заказпо запросу
16414413800

Oil Line (Oil Line)

под заказ284 руб.
16414124500

TUYAU AERATION *TUBE-AIR VENT

под заказ230 руб.
17420960728

Isolation Line 120 mm (Isolation Line 120 mm)

под заказ308 руб.
18420960729

Isolation Шланг 150 mm (Isolation Hose 150 mm)

под заказ559 руб.
18276000048

BOYAU 6MM. *HOSE-6MM.

под заказ720 руб.
19420853840

Струбцина (Clamp)

под заказ308 руб.
19853840

CLAMP (USE 420853840)

под заказ140 руб.
20293800060

Loctite 243, 10 ml (Loctite 243, 10 ml)

под заказ2150 руб.
20420897651

LOCTITE-243

под заказпо запросу
21413707000

Molykote 111 (Molykote 111)

под заказ5600 руб.
21420897161

MOLYKOTE 111 *MOLYKOTE-111

под заказпо запросу
ski-doo

Время выполнения запроса 1.408716917038 сек.


 
 

данный сайт носит информационный характер и не является публичной офертой

склад запчастей для водомоторной техники