| Номер на рисунке
 | Артикул | Наименование | Кол-во на складе
 | Цена | 
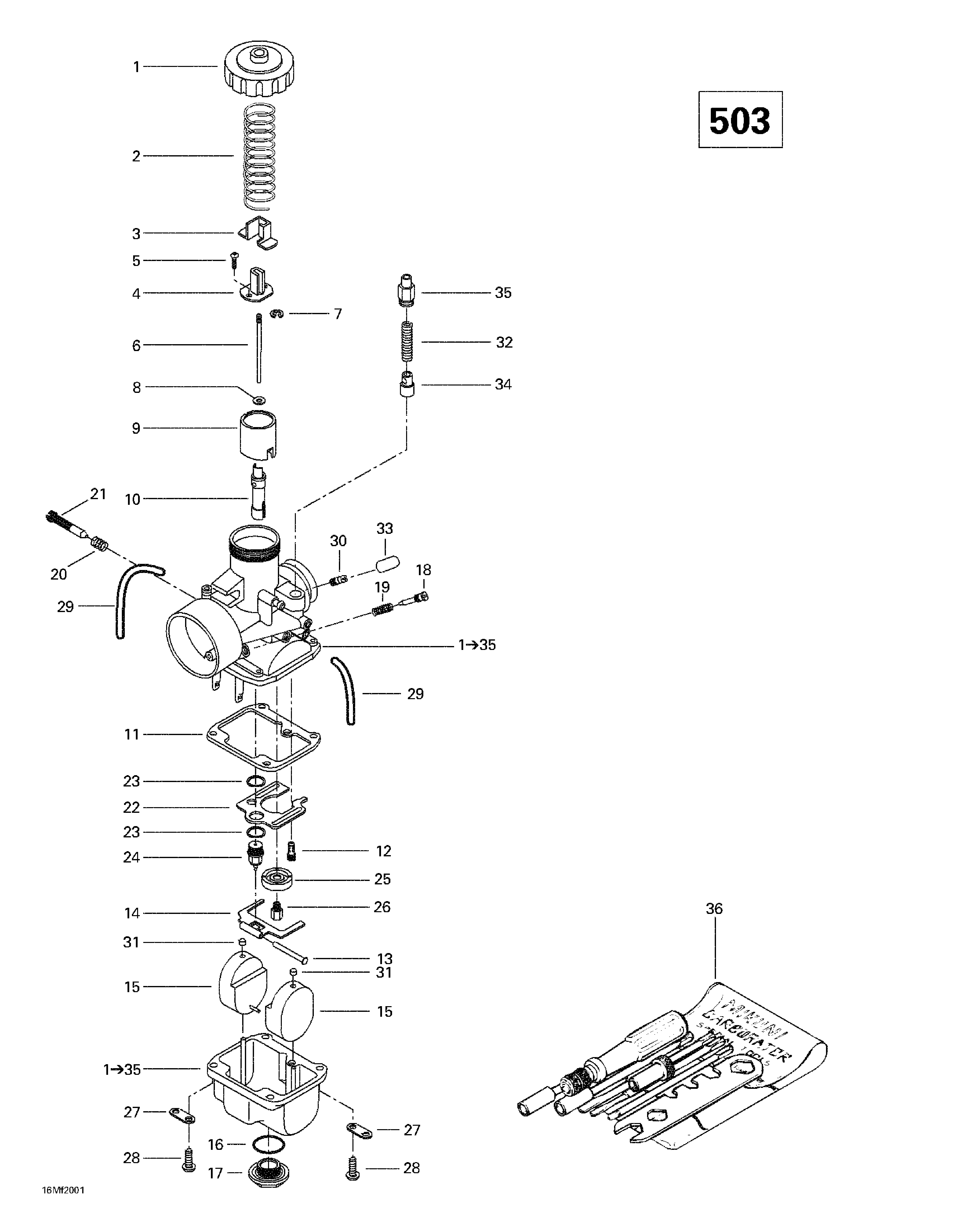
| 1 | 403138603 | Карбюратор VM 34 549 (PTO)  Includes 1 - 35. дляmula DLX 500. (Carburetor VM 34 549 (PTO). Includes 1 - 35. Formula DLX 500.) | под заказ | по запросу | 
|  | 403138604 | Карбюратор VM 34 550 (MAG)  дляmula DLX 500. (Carburetor VM 34 550 (MAG). Formula DLX 500.) | под заказ | по запросу | 
| 1 | 404103700 | Крышка. дляmula DLX 500. (Cover. Formula DLX 500.) | под заказ | 2360 руб. | 
| 2 | 404154800 | Пружина клапана дросселя. дляmula DLX 500. (Throttle Valve Spring. Formula DLX 500.) | под заказ | 1850 руб. | 
| 3 | 404122100 | Крышка. дляmula DLX 500. (Cover. Formula DLX 500.) | под заказ | 1400 руб. | 
| 4 | 404160800 | Коннектор. дляmula DLX 500. (Connector. Formula DLX 500.) | под заказ | 1210 руб. | 
| 4 | 404128000 | RACCORD        *FITTING                                                          | под заказ | 950 руб. | 
| 5 | 404121300 | Винт with Шайба с блокировкой. дляmula DLX 500. (Screw with Lock Washer. Formula DLX 500.) | под заказ | 428 руб. | 
| 5 | 404128200 | SCREW-WITH LOCK WASHER                                                           | под заказ | 340 руб. | 
| 6 | 404110400 | Игла жиклёра JN 6DH2-3. дляmula DLX 500. (Jet Needle JN 6DH2-3. Formula DLX 500.) | под заказ | 1400 руб. | 
| 6 | 1471002 | NEEDLE   6DH2 (USE 404110400)                                                    | под заказ | 1110 руб. | 
| 7 | 404152400 | Уплотнительное кольцо. дляmula DLX 500. (E-Ring. Formula DLX 500.) | под заказ | 572 руб. | 
| 8 | 404117000 | Уплотнительное кольцо. дляmula DLX 500. (O-Ring. Formula DLX 500.) | под заказ | 284 руб. | 
| 9 | 404128400 | Клапан дросселя CA 2.5. дляmula DLX 500. (Throttle Valve CA 2.5. Formula DLX 500.) | под заказ | 9300 руб. | 
| 10 | 404107000 | Игла распылителя NJ 159-P-0. дляmula DLX 500. (Needle Jet NJ 159-P-0. Formula DLX 500.) | под заказ | 1400 руб. | 
| 10 | 963953 | SEOSPUTKI 159/P-O                                                                | под заказ | 1140 руб. | 
| 11 | 404104200 | Прокладка Pan. дляmula DLX 500. (Gasket Pan. Formula DLX 500.) | под заказ | 481 руб. | 
| 11 | 420831895 | GASKET                                                                           | под заказ | по запросу | 
| 12 | 404109100 | Pilot Jet 40. дляmula DLX 500. (Pilot Jet 40. Formula DLX 500.) | под заказ | 396 руб. | 
| 12 | 963825 | TYHJAKAYNTISUUTIN 40                                                             | под заказ | 240 руб. | 
| 13 | 404103300 | Стопор рычага поплавка. дляmula DLX 500. (Float Arm Pin. Formula DLX 500.) | под заказ | 428 руб. | 
| 14 | 404107600 | Поплавок Рычаг. дляmula DLX 500. (Float Arm. Formula DLX 500.) | под заказ | 1780 руб. | 
| 15 | 404107100 | Поплавок. дляmula DLX 500. (Float. Formula DLX 500.) | под заказ | 2140 руб. | 
| 15 | SM-07243 |      (не оригинальная запчасть) Поплавок карбюратора BRP SM-07243 | под заказ | 830 руб. | 
| 16 | 404107300 | Шайба. дляmula DLX 500. (Washer. Formula DLX 500.) | под заказ | 588 руб. | 
| 17 | 404107400 | Заглушка винта. дляmula DLX 500. (Plug Screw. Formula DLX 500.) | под заказ | 1780 руб. | 
| 18 | 404149000 | Idle Регулировочный винт. дляmula DLX 500. (Idle Adjusting Screw. Formula DLX 500.) | под заказ | 2320 руб. | 
| 19 | 404139800 | Idle Регулировочный винт Пружина. дляmula DLX 500. (Idle Adjusting Screw Spring. Formula DLX 500.) | под заказ | 588 руб. | 
| 20 | 404101700 | Дроссель Стопорный винт Пружина. дляmula DLX 500. (Throttle Stop Screw Spring. Formula DLX 500.) | под заказ | 295 руб. | 
| 20 | 420938940 | SPRING                                                                           | под заказ | 240 руб. | 
| 21 | 404125200 | Дроссель Стопорный винт. дляmula DLX 500. (Throttle Stop Screw. Formula DLX 500.) | под заказ | 1060 руб. | 
| 22 | 404109600 | Baffle Пластина. дляmula DLX 500. (Baffle Plate. Formula DLX 500.) | под заказ | по запросу | 
| 23 | 404101600 | Прокладка. дляmula DLX 500. (Gasket. Formula DLX 500.) | под заказ | 237 руб. | 
| 24 | 404103200 | Игольчатый клапан. дляmula DLX 500. (Needle Valve. Formula DLX 500.) | под заказ | 4140 руб. | 
| 24 | 963848 | NEULAVENTTIILI 1,5 VM34                                                          | под заказ | 2760 руб. | 
| 25 | 404110900 | BafflУплотнительное кольцо. дляmula DLX 500. (Baffle Ring. Formula DLX 500.) | под заказ | 3260 руб. | 
| 26 | 404112200 | Главный жиклёр MJ 180 (PTO)  дляmula DLX 500. (Main Jet MJ 180 (PTO). Formula DLX 500.) | под заказ | 396 руб. | 
|  | 404123800 | Главный жиклёр MJ 170 (MAG)  дляmula DLX 500. (Main Jet MJ 170 (MAG). Formula DLX 500.) | под заказ | 396 руб. | 
| 27 | 404103000 | Трубка Фиксатор Пластина. дляmula DLX 500. (Tube Retainer Plate. Formula DLX 500.) | под заказ | 792 руб. | 
| 28 | 404102000 | Винт и Шайба с блокировкой. дляmula DLX 500. (Screw and Lock Washer. Formula DLX 500.) | под заказ | 237 руб. | 
| 29 | 404161880 | Vent Трубка. дляmula DLX 500. (Vent Tube. Formula DLX 500.) | под заказ | 4340 руб. | 
| 29 | 404161814 | DURITE         *HOSE                                                             | под заказ | 3390 руб. | 
| 30 | 404153400 | Ниппель. дляmula DLX 500. (Nipple. Formula DLX 500.) | под заказ | 859 руб. | 
| 30 | 404159100 | RACCORD        *NIPPLE                                                           | под заказ | 680 руб. | 
| 31 | 404105800 | Колпачок. дляmula DLX 500. (Cap. Formula DLX 500.) | под заказ | 481 руб. | 
| 31 | 420960990 | FOAT FIXATION CAP                                                                | под заказ | по запросу | 
| 31 | SM-07243 |      (не оригинальная запчасть) Поплавок карбюратора BRP SM-07243 | под заказ | 830 руб. | 
| 32 | 404127400 | Пружина. дляmula DLX 500. (Spring. Formula DLX 500.) | под заказ | 792 руб. | 
| 33 | 404156600 | Колпачок. дляmula DLX 500. (Cap. Formula DLX 500.) | под заказ | 1170 руб. | 
| 34 | 404161000 | Плунжер в сборе. дляmula DLX 500. (Plunger Assy. Formula DLX 500.) | под заказ | 1850 руб. | 
| 35 | 404161100 | Держатель Направляющая. дляmula DLX 500. (Holder guide. Formula DLX 500.) | под заказ | 2620 руб. | 
| 36 | 404112000 | Набор инструмента. дляmula DLX 500. (Tool Kit. Formula DLX 500.) | под заказ | 7330 руб. | 
| 36 | 876960 | SPECIAL TOOL KIT                                                                 | под заказ | 5730 руб. |