Номер на рисунке | Артикул | Наименование | Кол-во на складе | Цена |
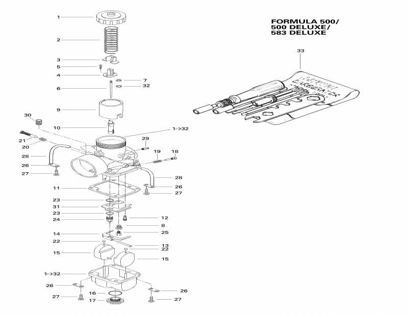
| 1 | 403134000 | Карбюратор VM 38-378 (PTO) Includes 1 - 32. дляmula 500. дляmula 500 Deluxe. (Carburetor VM 38-378 (PTO). Includes 1 - 32. Formula 500. Formula 500 Deluxe.) | под заказ | по запросу |
| | 403134100 | Карбюратор VM 38-379 (MAG) дляmula 500. дляmula 500 Deluxe. (Carburetor VM 38-379 (MAG). Formula 500. Formula 500 Deluxe.) | под заказ | по запросу |
| 1 | 403135900 | Карбюратор VM 38-386 (PTO) Includes 1 - 32. дляmula 583 Deluxe. (Carburetor VM 38-386 (PTO). Includes 1 - 32. Formula 583 Deluxe.) | под заказ | по запросу |
| | 403136000 | Карбюратор VM 38-387 (MAG) дляmula 583 Deluxe. (Carburetor VM 38-387 (MAG). Formula 583 Deluxe.) | под заказ | по запросу |
| 1 | 404105100 | Крышка. дляmula 500. дляmula 500 Deluxe. дляmula 583 Deluxe. (Cover. Formula 500. Formula 500 Deluxe. Formula 583 Deluxe.) | под заказ | 4840 руб. |
| 1 | 404124200 | COUVERCLE CARB.*TOP-MIX.CHAMB. | под заказ | 3790 руб. |
| 2 | 404154800 | Пружина клапана дросселя. дляmula 500. дляmula 500 Deluxe. дляmula 583 Deluxe. (Throttle Valve Spring. Formula 500. Formula 500 Deluxe. Formula 583 Deluxe.) | под заказ | 1850 руб. |
| 3 | 404122100 | Крышка. дляmula 500. дляmula 500 Deluxe. дляmula 583 Deluxe. (Cover. Formula 500. Formula 500 Deluxe. Formula 583 Deluxe.) | под заказ | 1400 руб. |
| 4 | 404160800 | Коннектор. дляmula 500. дляmula 500 Deluxe. дляmula 583 Deluxe. (Connector. Formula 500. Formula 500 Deluxe. Formula 583 Deluxe.) | под заказ | 1210 руб. |
| 4 | 404128000 | RACCORD *FITTING | под заказ | 950 руб. |
| 5 | 404121300 | Винт with Шайба с блокировкой. дляmula 500. дляmula 500 Deluxe. дляmula 583 Deluxe. (Screw with Lock Washer. Formula 500. Formula 500 Deluxe. Formula 583 Deluxe.) | под заказ | 428 руб. |
| 5 | 404128200 | SCREW-WITH LOCK WASHER | под заказ | 340 руб. |
| 6 | 404161500 | Игла жиклёра J8 6DHY48. дляmula 500. дляmula 500 Deluxe. (Jet Needle J8 6DHY48. Formula 500. Formula 500 Deluxe.) | под заказ | по запросу |
| | 404159900 | Игла жиклёра J8 6DEY4. дляmula 583 Deluxe. (Jet Needle J8 6DEY4. Formula 583 Deluxe.) | под заказ | по запросу |
| 7 | 404152400 | Уплотнительное кольцо. дляmula 500. дляmula 500 Deluxe. дляmula 583 Deluxe. (E Ring. Formula 500. Formula 500 Deluxe. Formula 583 Deluxe.) | под заказ | 572 руб. |
| 8 | 404105500 | Винт Направляющая. дляmula 500. дляmula 500 Deluxe. дляmula 583 Deluxe. (Screw Guide. Formula 500. Formula 500 Deluxe. Formula 583 Deluxe.) | под заказ | 2360 руб. |
| 9 | 404131300 | Клапан дросселя 2.5. дляmula 500. дляmula 500 Deluxe. дляmula 583 Deluxe. (Throttle Valve 2.5. Formula 500. Formula 500 Deluxe. Formula 583 Deluxe.) | под заказ | 10410 руб. |
| 10 | 404160900 | Игла распылителя NJ-480-Q3. дляmula 500. дляmula 500 Deluxe. (Needle Jet NJ-480-Q3. Formula 500. Formula 500 Deluxe.) | под заказ | 1180 руб. |
| | 404156900 | Игла распылителя NJ-480-P7. дляmula 583 Deluxe. (Needle Jet NJ-480-P7. Formula 583 Deluxe.) | под заказ | по запросу |
| 11 | 404104700 | Прокладка. дляmula 500. дляmula 500 Deluxe. дляmula 583 Deluxe. (Gasket. Formula 500. Formula 500 Deluxe. Formula 583 Deluxe.) | под заказ | 1170 руб. |
| 12 | 404109500 | Pilot Jet PJ 50. дляmula 500. дляmula 500 Deluxe. дляmula 583 Deluxe. (Pilot Jet PJ 50. Formula 500. Formula 500 Deluxe. Formula 583 Deluxe.) | под заказ | 396 руб. |
| 12 | 404162126 | GICLEUR RALENTI*JET-PILOT 50 | под заказ | 240 руб. |
| 13 | 404103300 | Стопор рычага поплавка. дляmula 500. дляmula 500 Deluxe. дляmula 583 Deluxe. (Float Arm Pin. Formula 500. Formula 500 Deluxe. Formula 583 Deluxe.) | под заказ | 428 руб. |
| 14 | 404105000 | Поплавок Рычаг. дляmula 500. дляmula 500 Deluxe. дляmula 583 Deluxe. (Float Arm. Formula 500. Formula 500 Deluxe. Formula 583 Deluxe.) | под заказ | 1780 руб. |
| 15 | 404105400 | Поплавок. дляmula 500. дляmula 500 Deluxe. дляmula 583 Deluxe. (Float. Formula 500. Formula 500 Deluxe. Formula 583 Deluxe.) | под заказ | 2180 руб. |
| 15 | 404120300 | FLOTTE *FLOAT | под заказ | 1700 руб. |
| 16 | 404101500 | Шайба. дляmula 500. дляmula 500 Deluxe. дляmula 583 Deluxe. (Washer. Formula 500. Formula 500 Deluxe. Formula 583 Deluxe.) | под заказ | 324 руб. |
| 17 | 404105600 | Drain Заглушка винта. дляmula 500. дляmula 500 Deluxe. дляmula 583 Deluxe. (Drain Plug Screw. Formula 500. Formula 500 Deluxe. Formula 583 Deluxe.) | под заказ | 2320 руб. |
| 17 | 1471614 | PLUG | под заказ | 1810 руб. |
| 18 | 404149000 | Idle Регулировочный винт. дляmula 500. дляmula 500 Deluxe. дляmula 583 Deluxe. (Idle Adjusting Screw. Formula 500. Formula 500 Deluxe. Formula 583 Deluxe.) | под заказ | 2320 руб. |
| 19 | 404139800 | Пружина, (Idle Регулировочный винт) дляmula 500. дляmula 500 Deluxe. дляmula 583 Deluxe. (Spring, (Idle Adjusting Screw). Formula 500. Formula 500 Deluxe. Formula 583 Deluxe.) | под заказ | 588 руб. |
| 20 | 404101700 | Пружина, (Дроссель Стопорный винт) дляmula 500. дляmula 500 Deluxe. дляmula 583 Deluxe. (Spring, (Throttle Stop Screw). Formula 500. Formula 500 Deluxe. Formula 583 Deluxe.) | под заказ | 295 руб. |
| 20 | 420938940 | SPRING | под заказ | 240 руб. |
| 21 | 404102800 | Дроссель Стопорный винт. дляmula 500. дляmula 500 Deluxe. дляmula 583 Deluxe. (Throttle Stop Screw. Formula 500. Formula 500 Deluxe. Formula 583 Deluxe.) | под заказ | 1210 руб. |
| 22 | 404105800 | Колпачок. дляmula 500. дляmula 500 Deluxe. дляmula 583 Deluxe. (Cap. Formula 500. Formula 500 Deluxe. Formula 583 Deluxe.) | под заказ | 481 руб. |
| 22 | 420960990 | FOAT FIXATION CAP | под заказ | по запросу |
| 22 | SM-07243 | (не оригинальная запчасть) Поплавок карбюратора BRP SM-07243 | под заказ | 830 руб. |
| 23 | 404101600 | Прокладка Шайба. дляmula 500. дляmula 500 Deluxe. дляmula 583 Deluxe. (Gasket Washer. Formula 500. Formula 500 Deluxe. Formula 583 Deluxe.) | под заказ | 237 руб. |
| 24 | 404147400 | Игольчатый клапан 1.5. дляmula 500. дляmula 500 Deluxe. дляmula 583 Deluxe. (Needle Valve 1.5. Formula 500. Formula 500 Deluxe. Formula 583 Deluxe.) | под заказ | 4640 руб. |
| 24 | 861751 | VALVE SEAT | под заказ | 3130 руб. |
| 25 | 404101400 | Главный жиклёр MJ 330 (PTO) дляmula 500. дляmula 500 Deluxe. (Main Jet MJ 330 (PTO). Formula 500. Formula 500 Deluxe.) | под заказ | 588 руб. |
| 25 | 963886 | MAIN JET 330(USE 404101400) | под заказ | 600 руб. |
| | 404100400 | Главный жиклёр MJ 270 (PTO) дляmula 583 Deluxe. (Main Jet MJ 270 (PTO). Formula 583 Deluxe.) | под заказ | 396 руб. |
| | 963880 | MAIN JET 270(USE 404100400) | под заказ | 240 руб. |
| | 404101200 | Главный жиклёр MJ 300 (MAG) дляmula 500. дляmula 500 Deluxe. (Main Jet MJ 300 (MAG). Formula 500. Formula 500 Deluxe.) | под заказ | 588 руб. |
| | 963883 | MAIN JET 300(USE 404101200) | под заказ | 600 руб. |
| | 404100600 | Главный жиклёр MJ 260 (MAG) дляmula 583 Deluxe. (Main Jet MJ 260 (MAG). Formula 583 Deluxe.) | под заказ | 588 руб. |
| 26 | 404103000 | Трубка Фиксатор Пластина. дляmula 500. дляmula 500 Deluxe. дляmula 583 Deluxe. (Tube Retainer Plate. Formula 500. Formula 500 Deluxe. Formula 583 Deluxe.) | под заказ | 792 руб. |
| 27 | 404102000 | Винт with Шайба с блокировкой. дляmula 500. дляmula 500 Deluxe. дляmula 583 Deluxe. (Screw with Lock Washer. Formula 500. Formula 500 Deluxe. Formula 583 Deluxe.) | под заказ | 237 руб. |
| 28 | 404109800 | Vent Трубка. дляmula 500. дляmula 500 Deluxe. дляmula 583 Deluxe. (Vent Tube. Formula 500. Formula 500 Deluxe. Formula 583 Deluxe.) | под заказ | по запросу |
| 29 | 404153400 | Ниппель. дляmula 500. дляmula 500 Deluxe. дляmula 583 Deluxe. (Nipple. Formula 500. Formula 500 Deluxe. Formula 583 Deluxe.) | под заказ | 859 руб. |
| 29 | 404159100 | RACCORD *NIPPLE | под заказ | 680 руб. |
| 30 | 404158900 | Фильтр. дляmula 500. дляmula 500 Deluxe. дляmula 583 Deluxe. (Filter. Formula 500. Formula 500 Deluxe. Formula 583 Deluxe.) | под заказ | по запросу |
| 31 | XXX | Baffle Пластина. дляmula 500. дляmula 500 Deluxe. дляmula 583 Deluxe. (Baffle Plate. Formula 500. Formula 500 Deluxe. Formula 583 Deluxe.) |
| 32 | 404117000 | Прокладка. дляmula 500. дляmula 500 Deluxe. дляmula 583 Deluxe. (Packing. Formula 500. Formula 500 Deluxe. Formula 583 Deluxe.) | под заказ | 284 руб. |
| 33 | 404112000 | Набор инструмента. дляmula 500. дляmula 500 Deluxe. дляmula 583 Deluxe. (Tool Kit. Formula 500. Formula 500 Deluxe. Formula 583 Deluxe.) | под заказ | 7330 руб. |
| 33 | 876960 | SPECIAL TOOL KIT | под заказ | 5730 руб. |
| 34 | 861761800 | High Altitude Kit, (Not Shown) дляmula 500. (High Altitude Kit, (Not Shown). Formula 500.) | под заказ | по запросу |
| | 861761700 | High Altitude Kit, (Not Shown) дляmula 500 Deluxe. (High Altitude Kit, (Not Shown). Formula 500 Deluxe.) | под заказ | по запросу |
| | 861761800 | ENS.HAUTE ALT. *KIT-HIGH ALT. | под заказ | по запросу |
| | 861761600 | High Altitude Kit (Not Shown) дляmula 583 Deluxe. (High Altitude Kit (Not Shown). Formula 583 Deluxe.) | под заказ | по запросу |