вконтакте

Контактный телефон: +7 (981) 121-46-93, +7 (800) 200-90-76 , Email: parts-katalog@yandex.ru, где купить

 
 

  Логин:

Пароль:

Регистрация

www.partskatalog.ru Все каталоги Запчасти Mercury Запчасти Suzuki Запчасти Tohatsu Запчасти Honda Контакты



УВАЖАЕМЫЕ КЛИЕНТЫ!
C 19 ДЕКАБРЯ 2025 ПО 02 МАРТА 2026 ГОДА ОТДЕЛ ЗАПЧАСТЕЙ И СЕРВИС РАБОТАТЬ НЕ БУДУТ
ПРОДАЖА ЛОДОЧНЫХ МОТОРОВ В ШТАТНОМ РЕЖИМЕ
ОБ ИЗМЕНЕНИЯХ В ГРАФИКЕ РАБОТЫ ЧИТАЙТЕ НА САЙТА




Выбрать другую модель

назад Раздел:   вперёд

вернуться к списку узлов и деталей

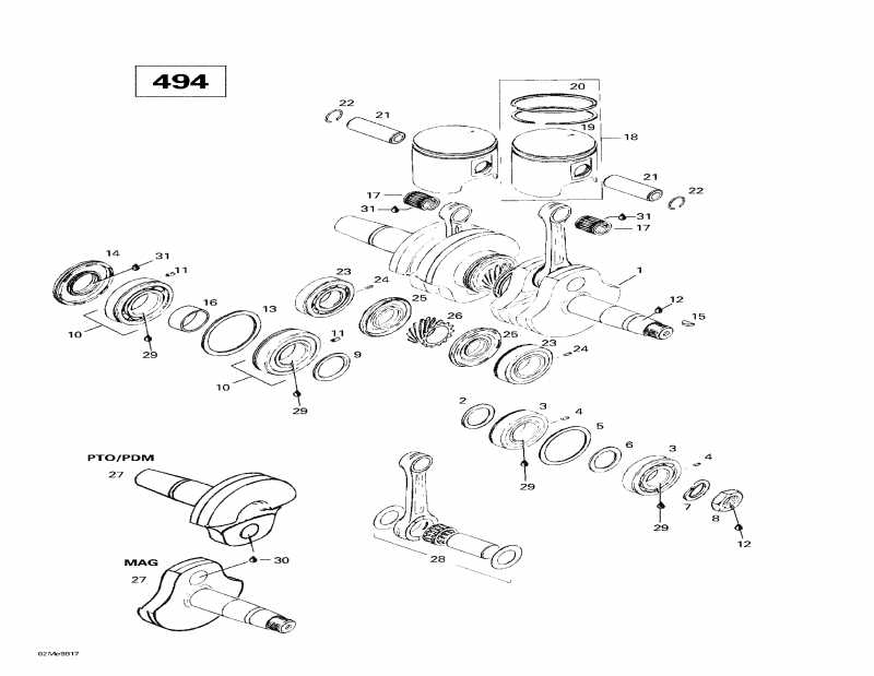
ДЕТАЛИРОВКА ДЛЯ МОДЕЛИ: SKIDOO Skandic Wide Track, 1998

Раздел: Коленвал и Поршни (494) | Crankshaft And Pistons (494)


снегоход Skidoo Skandic Wide Track, 1998 раздел - Коленвал и Поршни (494)

Номер на
рисунке
АртикулНаименованиеКол-во
на складе
Цена
1 420886932

Кривошипs haft в сборе. Includes 1 - 16. Skandic Wide Track LC. (Cranks haft Assy. Includes 1 - 16. Skandic Wide Track LC.)

под заказ37700 руб.
1 421000151

VILEBREQ.REFAIT*CRANK-REBUILD

под заказ41100 руб.
2 420827445

Проставка Кольцо. Skandic Wide Track LC. (Spacer Ring. Skandic Wide Track LC.)

под заказ601 руб.
2 827445

DISTANCE RING (USE 420827445)

под заказ410 руб.
3 420832538

Шариковый подшипник 6206. Includes 3 - 4. Skandic Wide Track LC. (Ball Bearing 6206. Includes 3 - 4. Skandic Wide Track LC.)

под заказ2580 руб.
3 932589

BALL BEARING 6202 TVH C3 ASSY

под заказ2020 руб.
3 6206YR18LT9TC2CS44

     (не оригинальная запчасть) Подшипник коленвала 6206YR18LT9TC2CS44

под заказ1 900 руб.
4 420929972

Шпонка. Skandic Wide Track LC. (Dowel Pin. Skandic Wide Track LC.)

под заказ242 руб.
4 929972

DRIVE PIN 2,5X6(USE 420929972)

под заказ230 руб.
5 420427684

Adjusting Шайба. Skandic Wide Track LC. (Adjusting Washer. Skandic Wide Track LC.)

под заказ601 руб.
6 420827050

Retaining Disk. Skandic Wide Track LC. (Retaining Disk. Skandic Wide Track LC.)

под заказ859 руб.
6 827050

PIDATINRENGAS (USE 420827050)

под заказ680 руб.
7 420945759

Шайба с блокировкой. Skandic Wide Track LC. (Lock Washer. Skandic Wide Track LC.)

под заказ284 руб.
7 945759

SPRING WASHER (USE 420945759)

под заказ230 руб.
8 420842230

Hex. Гайка M22. Skandic Wide Track LC. (Hex. Nut M22. Skandic Wide Track LC.)

под заказпо запросу
8 842230

NUT M22X1,5(USE420842230)

под заказпо запросу
8 010-480

     (не оригинальная запчасть) Гайка маховика BRP 010-480

под заказ400 руб.
9 420827760

Проставка Кольцо. Skandic Wide Track LC. (Spacer Ring. Skandic Wide Track LC.)

под заказ859 руб.
9 827760

ADJUSTMENT PLATE (USE 420827760)

под заказ680 руб.
10420832574

Шариковый подшипник 6207 в сборе. Includes 10 - 11. Skandic Wide Track LC. (Ball Bearing 6207 Assy. Includes 10 - 11. Skandic Wide Track LC.)

4 шт3160 руб.
10290832574

ROULEMENT BILLE*BALL BEARING

под заказ2470 руб.
106207YR17LT1SH29T2

     (не оригинальная запчасть) Подшипник коленвала 6207YR17LT1SH29T2

под заказ2 190 руб.
11420929972

Шпонка. Skandic Wide Track LC. (Dowel Pin. Skandic Wide Track LC.)

под заказ242 руб.
11929972

DRIVE PIN 2,5X6(USE 420929972)

под заказ230 руб.
12413703000

Loctite 242, 10 cc. Skandic Wide Track LC. (Loctite 242, 10 cc. Skandic Wide Track LC.)

под заказ1680 руб.
12293800060

LOCTITE 243 *LOCTITE-243

под заказ2150 руб.
13420927710

Retaining Disk. Skandic Wide Track LC. (Retaining Disk. Skandic Wide Track LC.)

под заказ859 руб.
13927710

SHIM (USE 420927710)

под заказ680 руб.
14420831950

Сальник. Skandic Wide Track LC. (Oil Seal. Skandic Wide Track LC.)

под заказпо запросу
14831950

TIIVISTERENGAS 35X72X7/8.5

под заказпо запросу
1409-55104

     (не оригинальная запчасть) Комплект сальников BRP 380F/440F/503F/552F 09-55104

под заказ830 руб.
1409-165

     (не оригинальная запчасть) Сальник коленвала BRP 09-165

под заказ710 руб.
1409-55205

     (не оригинальная запчасть) Комплект сальников BRP 09-55205

под заказ3 030 руб.
1409-55216

     (не оригинальная запчасть) Комплект сальников BRP 593LC 09-55216

под заказ720 руб.
1409-55215

     (не оригинальная запчасть) Комплект сальников BRP 552F 09-55215

под заказ2 310 руб.
14009-780T

     (не оригинальная запчасть) Сальник (PTO) BRP 009-780T

под заказ1 410 руб.
15420246015

Шпонка. Skandic Wide Track LC. (Woodruff Key. Skandic Wide Track LC.)

под заказ223 руб.
15420246011

CLAVETTE *KEY-WOODRUFF

под заказ140 руб.
16420847684

Distance Гильза. Skandic Wide Track LC. (Distance Sleeve. Skandic Wide Track LC.)

под заказ1400 руб.
17420832438

Игольчатый подшипник. Skandic Wide Track LC. (Needle Bearing. Skandic Wide Track LC.)

под заказ1390 руб.
17420832437

ROUL.AIGUILLE *BEARING-NEEDLE

под заказ1280 руб.
18420887553

Поршень в сборе (2 Кольцоs 69.39 мм) Includes 18 - 20. Skandic Wide Track LC. (Piston Assy (2 rings 69.39 mm). Includes 18 - 20. Skandic Wide Track LC.)

под заказ11350 руб.
18420887555

PISTON *PISTON

под заказ12370 руб.
1809-780

     (не оригинальная запчасть) Поршень BRP 494LC (T-Moly, номинал) 09-780

под заказ6 220 руб.
420887554

Oversize Pist. в сборе (2 Кольцоs 69.64 мм) Skandic Wide Track LC. (Oversize Pist. Assy (2 rings 69.64 mm). Skandic Wide Track LC.)

под заказ9820 руб.
420887556

PISTON *PISTON

под заказ10700 руб.
09-780-01

     (не оригинальная запчасть) Поршень BRP 494LC (T-Moly, +0,25 мм) 09-780-01

под заказ6 080 руб.
19420915985

Rectangular Кольцо 69.5 mm. Skandic Wide Track LC. (Rectangular Ring 69.5 mm. Skandic Wide Track LC.)

под заказ2980 руб.
1909-780R

     (не оригинальная запчасть) Поршневые кольца 494 (номинал) 09-780R

под заказ1 520 руб.
420915986

Oversize Rectangular Кольцо 69.75 mm. Skandic Wide Track LC. (Oversize Rectangular Ring 69.75 mm. Skandic Wide Track LC.)

под заказ3620 руб.
09-780-01R

     (не оригинальная запчасть) Поршневые кольца 494 (+0,25 мм) 09-780-01R

под заказ1 560 руб.
20420815045

Semi-trapez Кольцо 69.5 mm. Skandic Wide Track LC. (Semi-trapez ring 69.5 mm. Skandic Wide Track LC.)

под заказ3430 руб.
20420815043

SEGMENT SEMI-TR*RING-SEMI TRAP

под заказ4060 руб.
2009-780R

     (не оригинальная запчасть) Поршневые кольца 494 (номинал) 09-780R

под заказ1 520 руб.
420815046

Oversize Semi-trapez Кольцо 69.75 mm. Skandic Wide Track LC. (Oversize Semi-trapez ring 69.75 mm. Skandic Wide Track LC.)

под заказ3430 руб.
420815044

SEGMENT SEMI-TR*RING-SEMI TRAP

под заказ3730 руб.
09-780-01R

     (не оригинальная запчасть) Поршневые кольца 494 (+0,25 мм) 09-780-01R

под заказ1 560 руб.
21420916186

Поршневой палец. Skandic Wide Track LC. (Piston Pin. Skandic Wide Track LC.)

под заказ2030 руб.
21916185

PISTON PIN (USE 420916186)

под заказ1560 руб.
22420945735

Поршень Стопорное кольцо. Skandic Wide Track LC. (Piston Circlip. Skandic Wide Track LC.)

под заказ348 руб.
22945735

CIRCLIP

под заказ110 руб.
23420832538

Шариковый подшипник 6206. Includes 23 - 24. Skandic Wide Track LC. (Ball Bearing 6206. Includes 23 - 24. Skandic Wide Track LC.)

под заказ2580 руб.
23932589

BALL BEARING 6202 TVH C3 ASSY

под заказ2020 руб.
236206YR18LT9TC2CS44

     (не оригинальная запчасть) Подшипник коленвала 6206YR18LT9TC2CS44

под заказ1 900 руб.
24420929972

Шпонка. Skandic Wide Track LC. (Dowel Pin. Skandic Wide Track LC.)

под заказ242 руб.
24929972

DRIVE PIN 2,5X6(USE 420929972)

под заказ230 руб.
25420831990

Сальник. Skandic Wide Track LC. (Oil Seal. Skandic Wide Track LC.)

под заказ1580 руб.
25831990

GASKET (USE 420831990)

под заказ1230 руб.
26420935748

Central Шестерня 14 Teeth. Skandic Wide Track LC. (Central Gear 14 Teeth. Skandic Wide Track LC.)

под заказ7590 руб.
26935748

CENTRAL GEAR, (USE 420935748)

под заказ6960 руб.
27420818660

Коленвал (PTO side) Skandic Wide Track LC. (Crankshaft (PTO side). Skandic Wide Track LC.)

под заказпо запросу
420818690

Коленвал (MAG side) Skandic Wide Track LC. (Crankshaft (MAG side). Skandic Wide Track LC.)

под заказпо запросу
28420886955

Коленвал Ремонтный комплект (PTO side) Skandic Wide Track LC. (Crankshaft Repair Kit (PTO side). Skandic Wide Track LC.)

под заказ15340 руб.
420886956

Коленвал Ремонтный комплект (MAG side) Skandic Wide Track LC. (Crankshaft Repair Kit (MAG side). Skandic Wide Track LC.)

под заказ15340 руб.
29413701000

Loctite 767, Antiseize Lubricant, 12 oz. Skandic Wide Track LC. (Loctite 767, Antiseize Lubricant, 12 oz. Skandic Wide Track LC.)

под заказпо запросу
29293800023

LOCT.ANTI GRIP.*LOCT-ANTISEIZE

под заказ1910 руб.
30293800039

Loctite 642, 50 ml. Skandic Wide Track LC. (Loctite 642, 50 ml. Skandic Wide Track LC.)

под заказ2700 руб.
30413711400

LOCTITE 648 *LOCTITE-648

под заказ2700 руб.
31413707000

Molykote 111. Skandic Wide Track LC. (Molykote 111. Skandic Wide Track LC.)

под заказ5600 руб.
31420897161

MOLYKOTE 111 *MOLYKOTE-111

под заказпо запросу
ski-doo

Время выполнения запроса 1.1363508701324 сек.


 
 

данный сайт носит информационный характер и не является публичной офертой

склад запчастей для водомоторной техники